jj_03_05_001v
001

In het uitgangssignaal van de AM-detector komt teveel middenfrequentsignaal voor.
Dit is te verbeteren door:

a   de weerstand R kleiner te maken
b   de condensator C groter te maken
c   de kringen op een lagere middenfrequentie af te stemmen
d   de kringen te dempen

-
002

Om uitstraling van harmonischen door een zender te beperken wordt in de zenderuitgang een filter opgenomen.
Dit moet zijn:

a   hoogdoorlaatfilter
b   staandegolffilter
c   laagdoorlaatfilter
d   seinsleutel klikfilter

-
003

De diodeschakeling D is hier een:

a   balansmodulator
b   frequentievermenigvuldiger
c   bruggelijkrichter
d   frequentiemodulator

-
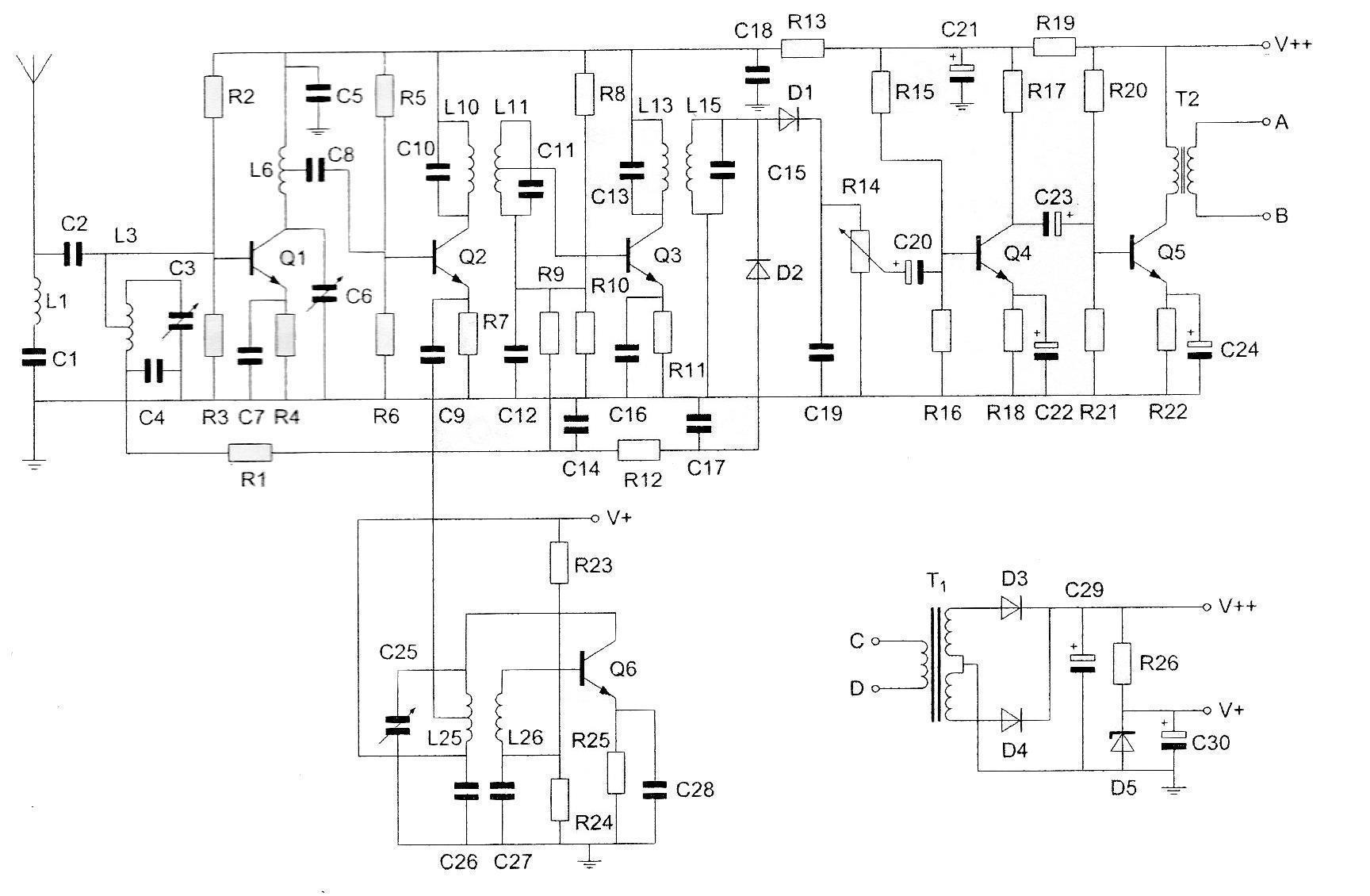
004

De detector bestaat o.a. uit

a   C20 ,R15 ,R16 ,Q4
b   L15 ,D1 , C19 ,R14
c   D2 , R12 ,C14 ,C17
d   L11 ,C11 ,Q3 ,R11

-
005

De schakeling stelt voor:

a   een op het lichtnet aangesloten voedingsschakeling
b   een frequentie discriminator
c   een amplitude modulatie detector
d   een fase discriminator

-
006

De schakeling stelt voor:

a   een actief filter
b   een AM-detector
c   een somversterker
d   een verschilversterker

-
007

Met een product-detector worden gewoonlijk de volgende klassen van uitzending gedetecteerd:

a   EZB en FM
b   FM en AM
c   AM en CW
d   CW en EZB

-