005

De schakeling stelt voor:

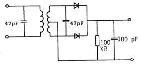
a  
een amplitude modulatie detector
b   een op het lichtnet aangesloten voedingsschakeling
c   een frequentie discriminator
d   een fase discriminator

-
Links van de trafo zit het middenfrequent .

Rechts van de trafo een dubbele gelijkrichting (demodulatie) .

Geheel rechts erna een typisch laagdoorlaat filter van een AM-detector.

Het bijzondere hier is dat er 2 dioden worden gebruikt, normaal maar 1 voor AM-detectie.

Het is een speciaal geval. …<<<