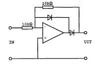
006

De schakeling stelt voor:

a   een actief filter
b  
een AM-detector
c   een somversterker
d   een verschilversterker