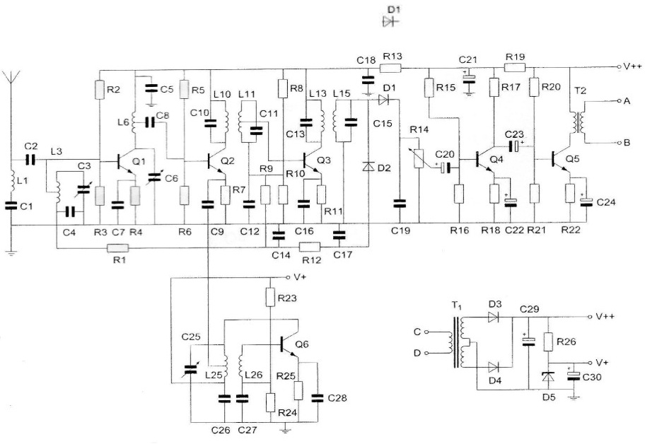
004
De detector bestaat o.a. uit

a   C20 ,R15 ,R16 ,Q4
b  
L15 ,D1 , C19 ,R14
c   D2 , R12 ,C14 ,C17
d   L11 ,C11 ,Q3 ,R11