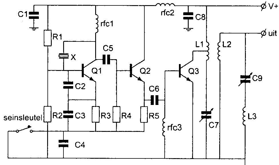
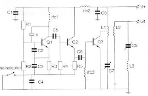
001

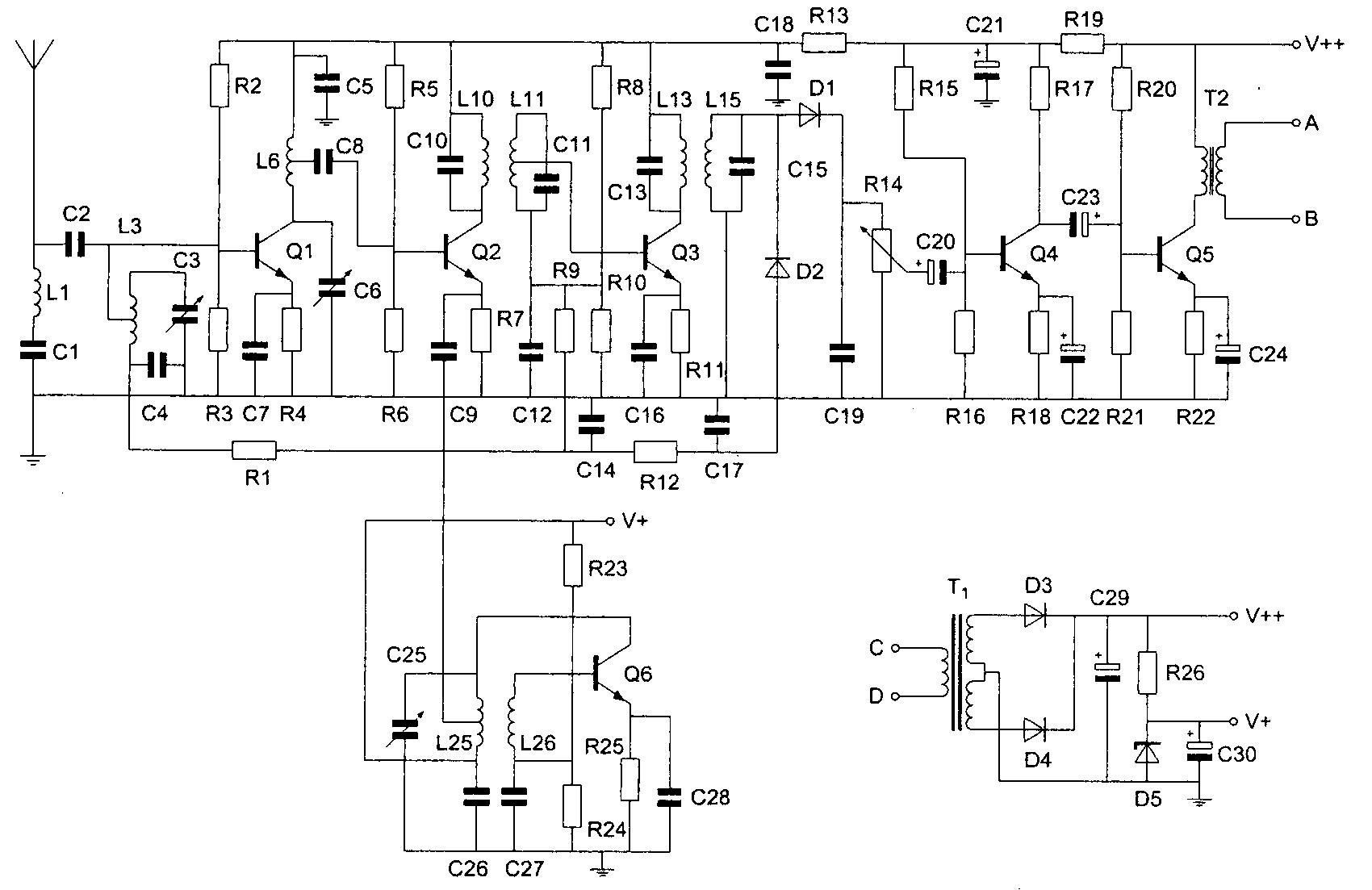
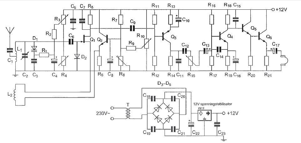
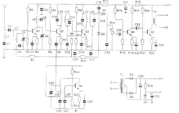
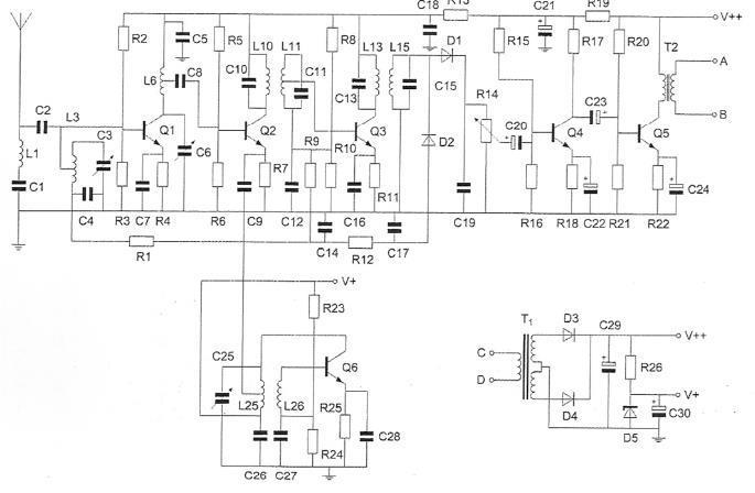
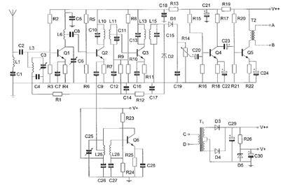
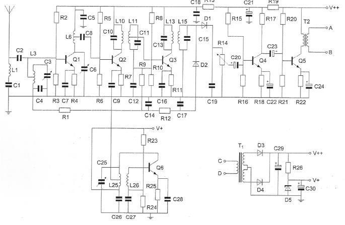
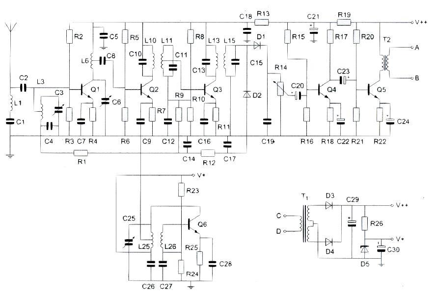
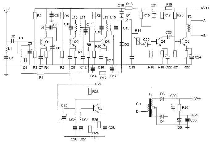
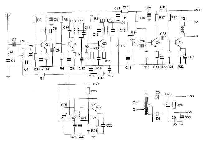
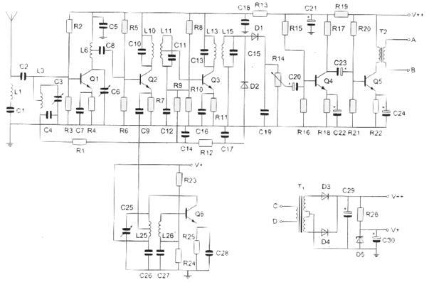
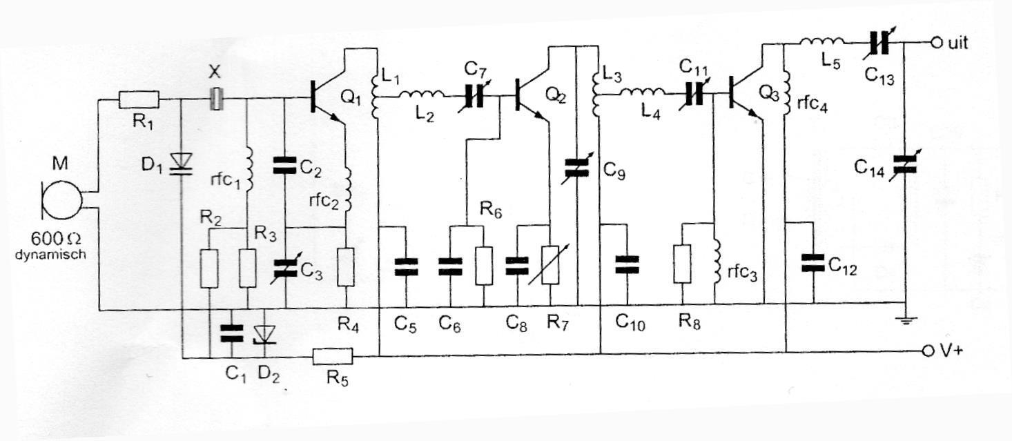
De seinsleutel schakelt de volgende transistoren

a   Q3
b   Q1
c   Q2
d   Q1 en Q2
-

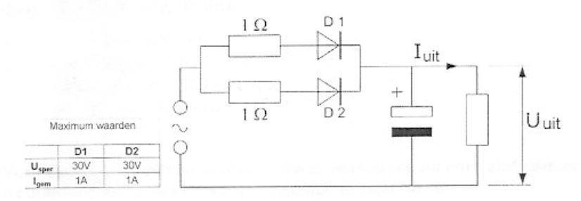
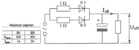
002

De dioden hebben gelijke doorlaatkarakteristieken maar de belastbaarheid is verschillend
Kies uit de alternatieven de combinatie van hoogste Uuit en grootste Iuit die de schakeling kan leveren

a     Uuit = 200 V en Iuit = 1 A
b     Uuit = 100 V en Iuit = 2 A
c     Uuit = 100 V en Iuit = 1 A
d     Uuit = 200 V en Iuit = 2 A
-


003

De dioden hebben zijn gelijk
Kies uit de alternatieven de combinatie van hoogste Uuit en grootste Iuit die de schakeling kan leveren

a   Uuit = 10 V en Iuit = 1 A
b   Uuit = 20 V en Iuit = 1 A
c   Uuit = 10 V en Iuit = 2 A
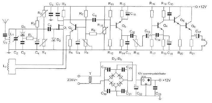
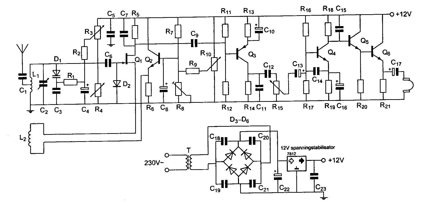
d   Uuit = 20 V en Iuit = 2 A
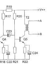
-


004

In het uitgangssignaal van de AM-detector komt teveel middenfrequentsignaal voor
Dit is te verbeteren door

a   de weerstand R kleiner te maken
b   de condensator C groter te maken
c   de kringen op een lagere middenfrequentie af te stemmen
d   de kringen te dempen
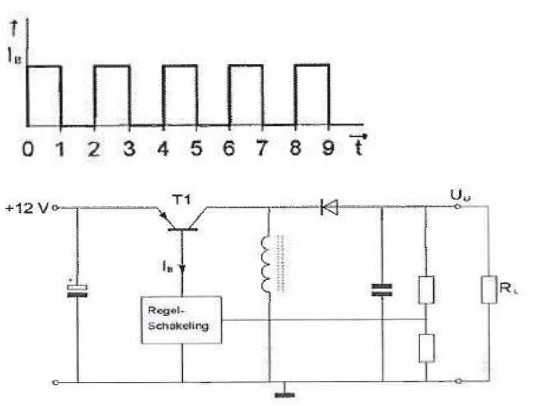
-


005

Om uitstraling van harmonischen door een zender te beperken wordt in de zenderuitgang een filter opgenomen
Dit moet zijn

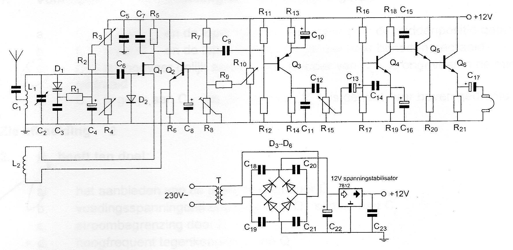
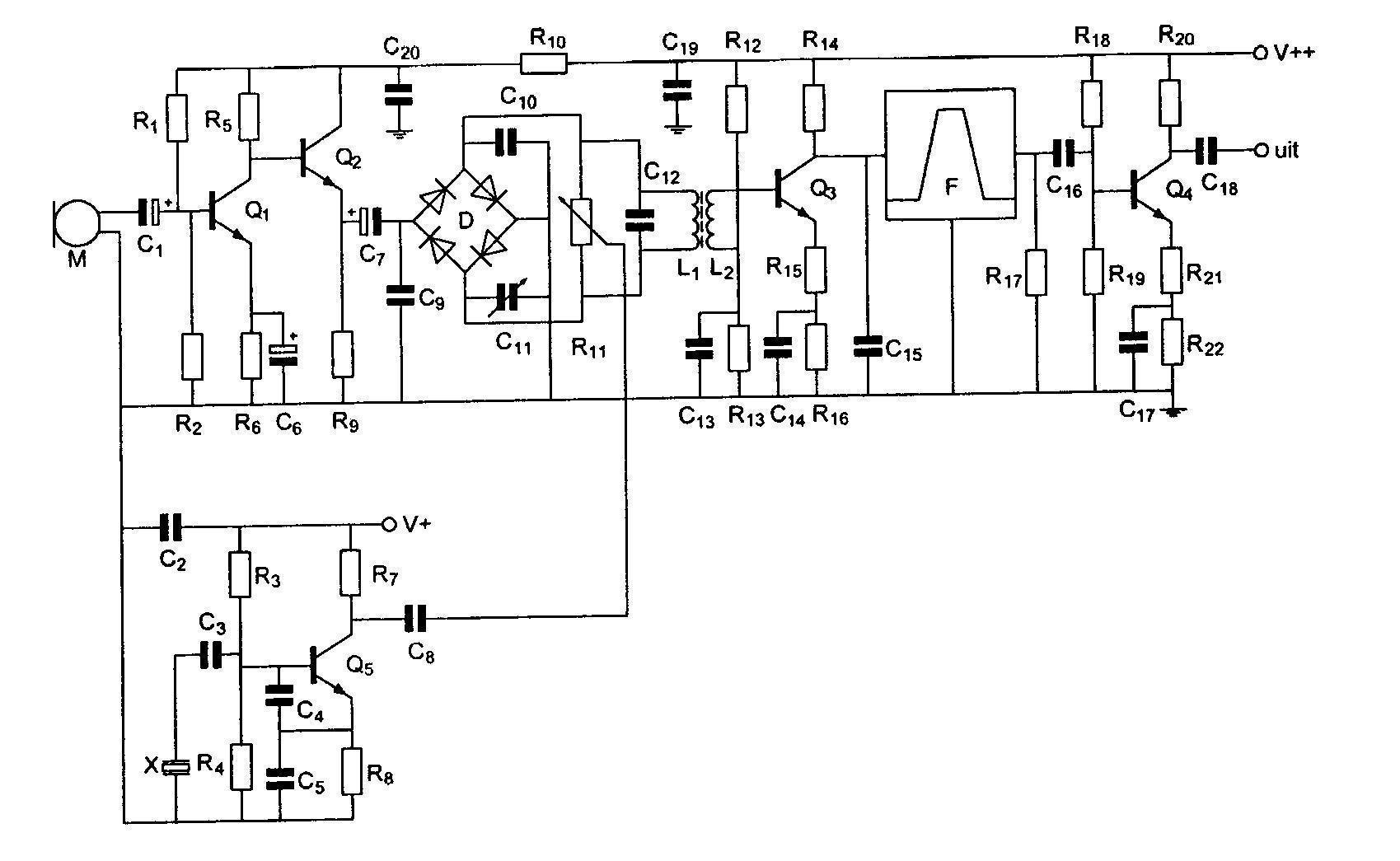
a   hoogdoorlaatfilter
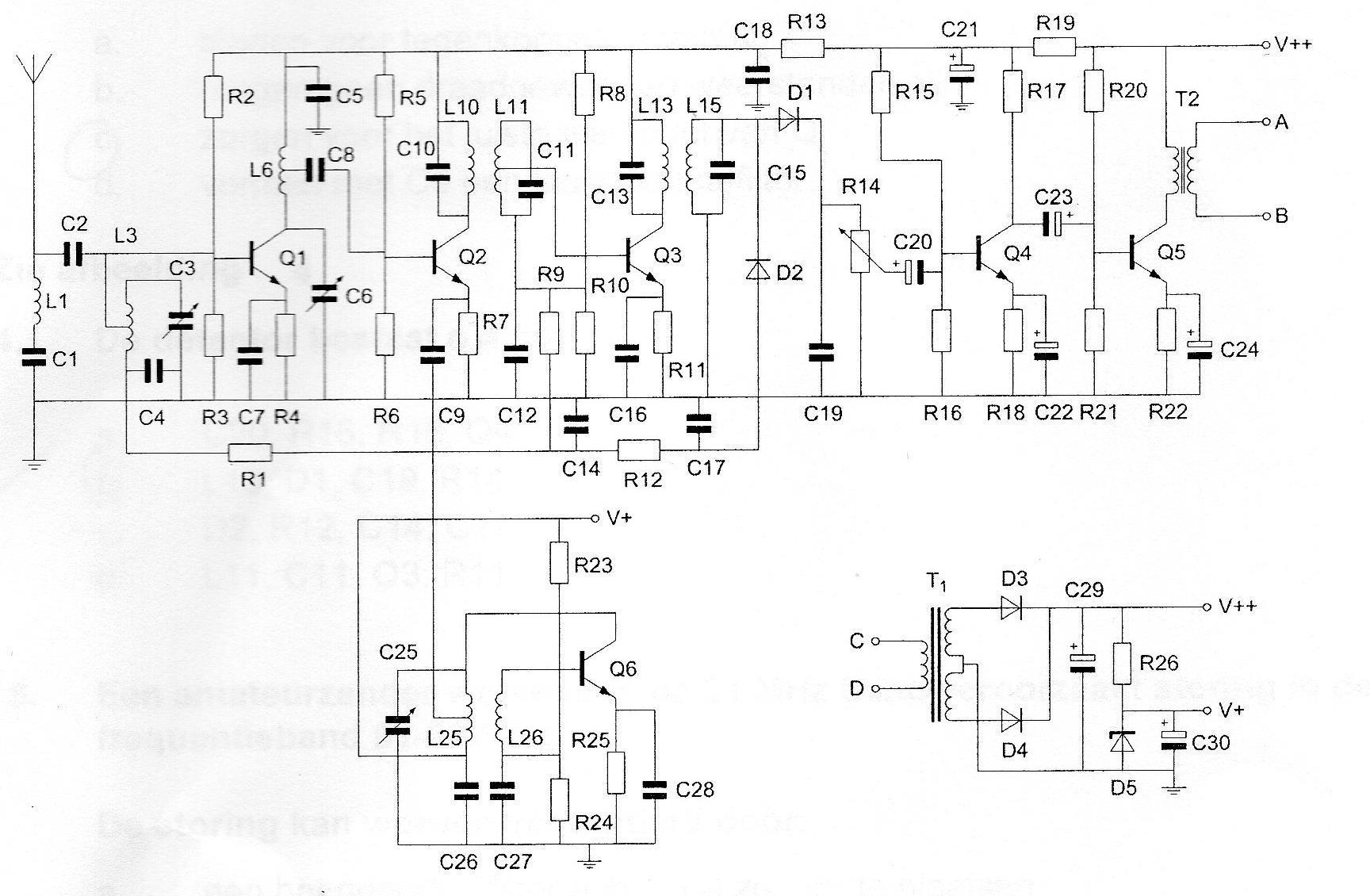
b   staandegolffilter
c   laagdoorlaatfilter
d   seinsleutel klikfilter
-


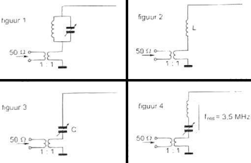
006

Een zender werkend op 3,5 Mhz wordt aangesloten op een antenne bestaande uit een draad met een lente van 25 meter
Welke  aankoppeling is het meest geschikt?

a   figuur 3
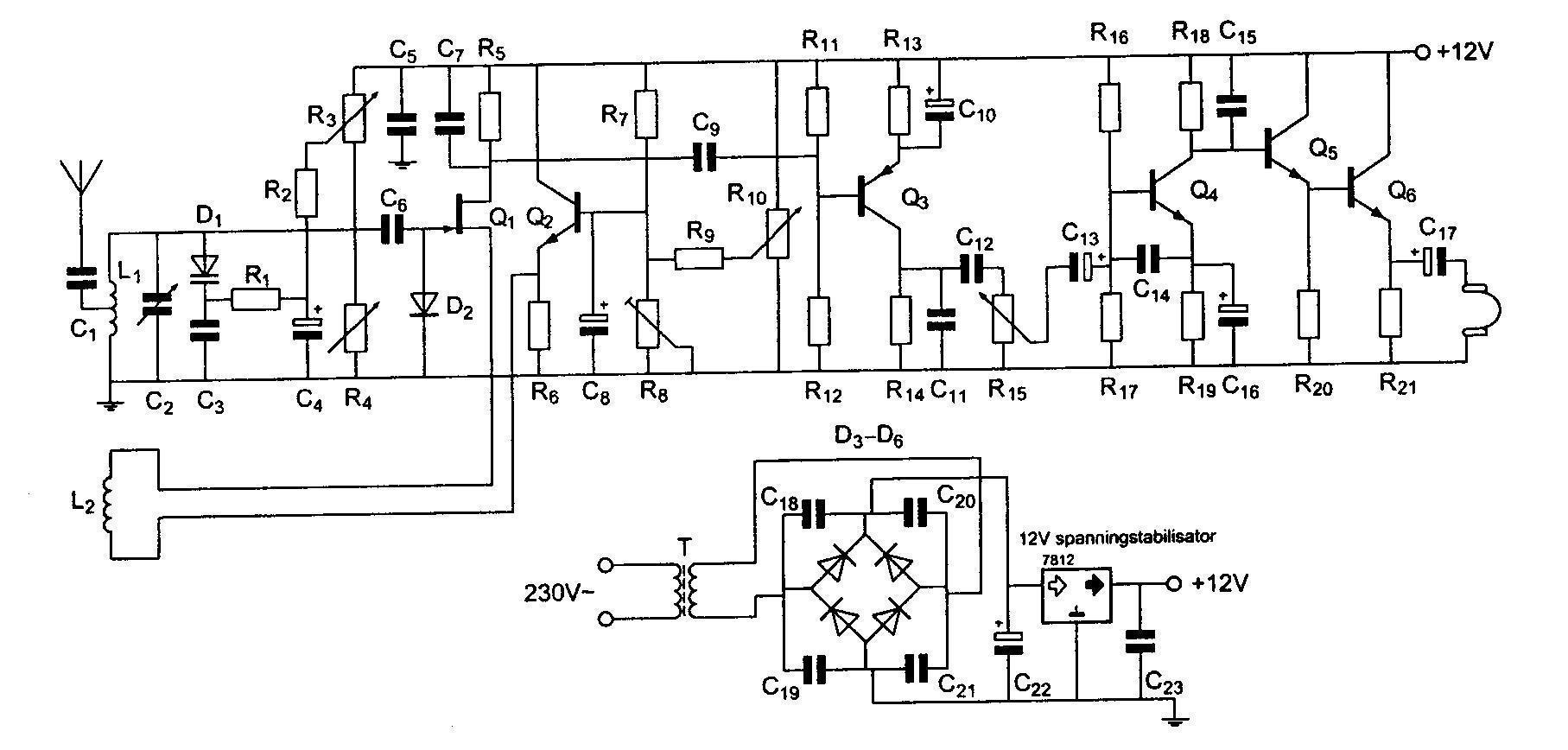
b   figuur 2
c   figuur 4
d   figuur 1
-


007

Een voeding wordt beveiligd met 1 of meer smeltveiligheden in de netleiding
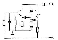
Dit wordt in de praktijk gedaan met

a   1 trage zekering
b   1 snelle en 1 trage zekering in serie
c   1 snelle en 1 trage zekering parallel
d   1 snelle zekering
-



008

Voor optimale onderdrukking van de draaggolf geldt

a   C10 = 2xC11 en de loper van R11 is geheel naar beneden gedraaid
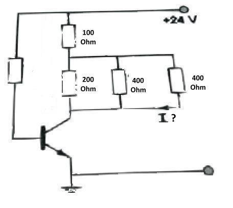
b   C11 = 2xC10 en de loper van R11 is ongeveer in de middenpositie gedraaid
c   C10 = C11    en de loper van R11 is geheel naar boven gedraaid
d   C11 is ongeveer gelijk aan C10 en de loper van R11 is ongeveer in de middenpositie gedraaid
-


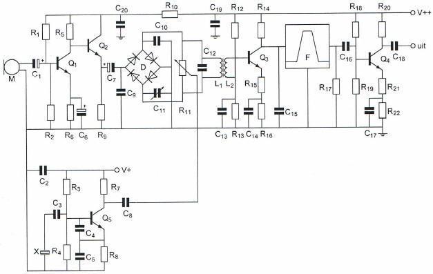
009

De schakeling rondom Q2 is bedoeld

a   voor het regelen van het laagfrequentvolume van de hoofdtelefoon
b   als detectorschakeling voor signalen van Q1
c   voor het opwekken van het oscillatorsignaal
d   voor het precies instellen van de drain-source spanning van Q1
-


010

Voor laagfrequent volumeregeling dient de volgende variabele weerstand of potmeter

a   R8
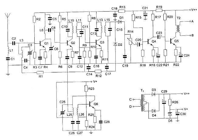
b   R4
c   R3
d   R15
-


011

De condensator C5 dient om

a   het verlopen van de instellingen van de transistor te voorkomen
b   het circuit van de resonantiekring L6-C6 compleet te maken
c   de meekoppeling van de transistor te verzorgen
d   L6 op de spiegelfrequentie af te stemmen
-


012

De collectorstroom is 100 mA
De stroom I =??

a   25 mA
b   50 mA
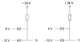
c   12.5 mA
d   5 mA
-


013

Dit is het schema van een

a   bandsper filter
b   banddoorlaat filter
c   hoogdoorlaat filter
d   laagdoorlaat filter
-


014

C2 is 5 maal zo groot als C1
De schakeling werkt

a   als oscillator met een kristal in zowel parallel- als serie-resonantie
b   als oscillator met een kristal in serieresonantie
c   als oscillator met een kristal in parallelresonantie
d   niet als oscillator
-


015

Als selectieve hoogfrequentversterker kan worden gebruikt

a   schema 3
b   schema 2
c   schema 1
-


016

Wat is dit?

a   laagdoorlaatfilter
b   seriekring
c   parallelkring
-


017

Welke schakeling stelt een laagdoorlaatfilter voor

a   schakeling 3
b   schakeling 2
c   schakeling 1
-


018

Welke schakeling stelt een banddoorlaatfilter voor

a   schakeling 3
b   schakeling 2
c   schakeling 1
-


019

Bij de oscillator is de faseverschuiving tussen de punten X en Y
[beiden gemeten tov aarde]

a   270 graden
b   180 graden
c   0 graden
d   90 graden
-


020

Het getekende filter is een

a   reconstuctiefilter
b   IIR-filter
c   anti-aliasfilter
d   FIR-filter
-


021

De automatische versterkersregeling wordt verkregen door

a   alleen D2
b   D3 en D4
c   alleen D1
d   D1 en D2
-


022

De Transformator T2 dient voor het

a   aanpassen van de luidsprekerimpedantie
b   opwekken van de BFO-spanning
c   aanpassen van de antenne
d   verkrijgen van de juiste voedingsspanning
-


023

Tussen een zender en een voedingslijn is een laagdoorlaatfilter geplaatst
Het meest waarschijnlijke gevolg van het gebruik van niet-ideale componenten voor dit filter is dat er

a   ruis op de uitzending ontstaat
b   parasitair oscilleren in de eindtrap optreedt
c   minder onderdrukking van harmonischen wordt bereikt
d   laagfrequentdetectie in audioapparatuur optreedt
-


024

De spanning over de spoel is

a   200 V
b   100 V
c   400 V
d   300 V
-


025

De diodes hebben gelijke doorlaarkarakteristieken maar de belastbaarheid is verschillend
Kies uit alternatieven de combinatie van Uuit en Iuit die de schakeling maximaal kan leveren

a   Uuit = 20 V en Iuit  = 1 A
b   Uuit = 10 V en Iuit  = 2 A
c   Uuit = 30 V en Iuit  = 2 A
d   Uuit = 10 V en Iuit  = 1 A
-


026

Wat is de waarde van Rb ?

a   120 Kohm
b   180 Kohm
c   160 Kohm
d    60 Kohm
-


027

Van een fase-regellus is het met een + aangegeven onderdeel

a   de fase-vergelijker
b   de referentie oscillator
c   de spanninggeregelde oscillator
d   het laagdoorlaatfilter
-


028

R2 en R3

a   dienen voor de demping van het kwartskristel
b   dienen voor de tegenkoppeling van Q1
c   zorgen voor de werkpuntinstelling van Q1
d   worden gebruikt voor de instelling van de frequentiezwaai
-


029

De schakeling rondom Q2 is bedoeld

a   als detectorschakeling voor de signalen van Q1
b   voor het regelen van het laafgrequentvolume van de hoofdtelefoon
c   voor het opwekken van het oscillatorsignaal
d   voor het precies instellen van de drain-source spanning van Q1
-


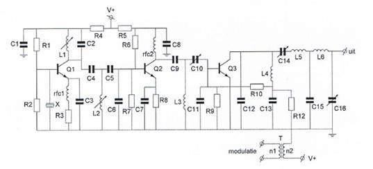
030

De schakelende voeding wordt belast door Rl
T1 werkt als een schakelaar. open of dicht
de basisstroom van T1 ziet er zo uit

Uuit is ongeveer

a   24 V
b   4 V
c   -12 V
d   12 V
-


031

Een overtone kristaloscillator oscilleerd op

a   de grondfrequentie
b   een oneven harmonische frequentie
c   zowel even als oneven harmonische frequenties
d   een even harmonische frequentie
-


032

Een voorversterker voor de twee meter amateurband heeft minimaal een bandbreedte van

a   2 meter
b   2 Mhz
c   146 Mhz
d  144 Mhz
-


033

Voor elk van de [ideaal veronderstelde] condensatoren is de maximaal toelaatbare spanning 80 Volt.
Wat is de de hoogste waarde van de gelijkspanning die op deze schakeling mag worden aangesloten?

a     40 V
b   120 V
c   160 V
d     80 V
-


034

Voor een bruikbare modulatie zal de waarde van R1 liggen in de orde grootte van

a   10 Ohm
b   600 Ohm
c   100 Kohm
d   1 Ohm
-


035

De ontvangstfrequentie wordt bepaald door het midenfrequent en door de kring

a   L25 C25
b   L6   C6
c   L1   C1
d   L3   C3
-


036

Welke karakteristiek behoort bij een hoogdoorlaatfilter

a   1
b   2
c   3
d   4
-


037

De schakeling stelt voor

a  hoogdoorlaatfilter
b   laagdoorlaatfilter
c   modulator
d   verschilversterker
-


038

De schakeling stelt voor

a   een buffer (scheidingstrap)
b   een fasemodulator
c   een frequentiemodulator
d   een variabele frequentie oscillator
-


039

De regellus is in stabiele toestand (gelocked)
Welke bewering is juist?

a   de frequentie op punt A is lager dan de frequentie op punt B
b   de frequentie op punt A is hoger dan de frequentie op punt B
c   de frequenties op de punten A en B zijn gelijk
d   de spanning op de punten A en B zijn altijd in fase
-


040

De spanning over de weerstand Rc is

a   19.8 V
b   20 V
c   0.2 V
d   9.8 V
-


041

Dit is het schema van een

a   hoogdoorlaatfilter
b   frequentieonafhankelijk filter
c   bandfilter
d   laagdoorlaatfilter
-


042

De uitgangsspanning Uuit is

a   +6.6 V
b   -5.6 V
c   -1 V
d   +1 V
-


043

R1 en R2

a   dienen voor de tegenkoppeling van Q1
b   vormen een laagdoorlaatfilter met C1
c   dienen voor de juiste aanpassing van microfoon M
d   verzorgen de werkpunt instelling van Q1
-


044

De diodeschakeling D is hier een

a   balansmodulator
b   frequentievermenigvuldiger
c   bruggelijkrichter
d   frequentiemodulator
-


045

Bij een Id = 4 mA en een Ugs = -3 V behoort een source-weerstand van

a   750 Ohm
b   3 Kohm
c   375 Ohm
d   1 Kohm
-


046

De transistor is niet in verzadiging
De 100 Ohm weerstand wordt vervangen door een weerstand met een 3* zo kleine waarde
Het opgenomen elektrische vermogen in die weerstand

a   blijft gelijk
b   wordt 9 maal zo klein
c   wordt 3 maal zo groot
d   wordt 3 maal zo klein
-


047

Indien de punten X en Y worden doorverbonden

a   neemt de collectorstroom toe
b   blijft de collectorstroom gelijk
c   neemt de emittorstroom toe
d   neemt de collectorstroom af
-


048

L1 , L2 en L3 zijn niet gekoppeld
It =

a   5  mA
b   1  mA
c   50 mA
d   10 mA
-


049

De beste schakeling voor de ingang van een HFversterker is

a   schakeling 3
b   schakeling 4
c   schakeling 2
d   schakeling 1
-


050

De PLL wekt een frequentie op tussen 144 en 146 Mhz
Het uitgangssignaal Uuit wordt gemoduleerd door het microfoonsignaal
De meest geschikte kantelfrequentie van het filter in de regellus is

a   3000Hz
b   30 Hz
c   146 Mhz
d   12.5 Khz
-


051

Het signaal uit de signaalgenerator heeft een constante amplitude en doorloopt de frequentieband van 100 Hz tot 100 Khz
De aanwijzing van de buisvoltmeter verloopt daarbij ongeveer zoals in

a   grafiek 4
b   grafiek 1
c   grafiek 3
d   grafiek 2
-


052

R5 heeft ten doel

a   het aanbieden van de juiste stroom door D2
b   voedingsspanningskoppeling voor Q1 samen met C5
c   stroombegrenzing door D1
d   hoogfrequent tegenkoppeling van Q1
-


053

R11 en R12

a   dienen voor de tegenkoppeling van Q3
b   mogen geen draadgewonden weerstanden zijn
c   zorgen voor het juiste werkpunt van Q3
d   vormen met C9 een laagdoorlaatfilter
-


054

De detector bestaat o.a. uit

a   C20 ,R15 ,R16 ,Q4
b   L15 ,D1 , C19 ,R14
c   D2 , R12 ,C14 ,C17
d   L11 ,C11 ,Q3 ,R11
-


055

Op de loper van R15 is een sinusvormig signaal aanwezig
De potentiometer staat in de middenstand
Het aan de hoofdtelefoon aangeboden signaal

a   is in fase met het signaal op de loper van R15
b   is in tegenfase met het signaal op de loper van R15
c   ijlt 270 graden na tov het signaal op de loper van R15
d   ijlt 360 graden na tov het signaal op de loper van R 15
-


056

De spanning U over de secundaire van 2 overkritisch gekoppelde kringen. als functie van de frequentie, is gegeven door

a   schema 1
b   schema 2
c   schema 3
d   schema 4
-


057

De voorverstrerker voor de twee meter amateurband heeft minimaal een bandbreedte van

a   146 Mhz
b   2 meter
c   144 Mhz
d   2 Mhz
-


058

De collectorstroom is 100 mA
De stroom op het punt ? is ?

a   50 mA
b   25 mA
c   100 mA
d   7 mA
-


059

Transistor Q2:

a   is bedoeld als hoogfrequent scheidingsversterker
b   versterkt de laagfrequentspanning van Q1 ongeveer 1x
c   versterkt de laagfrequentspanning van Q1 ongeveer 3x
d   versterkt de laagfrequentspanning van Q1 ongeveer 10x
-



060

Een lf-versterker , die frequentie-liniair is tussen f1 en f2 , heeft de :

a   karakteristiek 3
b  
karakteristiek 1
c   karakteristiek 2
d   karakteristiek 4
-


061

R18 enR19
a   verzorgen de werkpuntinstelling van Q4
b   vormen een laagdoorlaatfilter met C15 en R17
c   dienen voor de juiste aanpassingvan filter F
d   dienen voor de tegenkoppeling van Q4
-


062

Er staat een hoogfrequent wisselspanning over

a   R7
b   R26
c   R13
d   R21
-


063

De ontvanger wordt afgestemd met:
a   alleen C25
b  alleen C3
c   alleen C6
d   C3 C6en C25
-


064

Dit pi-filter dat tussen de eindtrap van een zender en de voedingskabel naar de antenne is geschakeld:

a   verbetert de staandegolf verhouding op de voedingskabel naar de antenne
b   verbetert de frequentiestabiliteit van de zender
c   verhoogt de antenne winst
d   onderdrukt de harmonischen van de grondfrequentie
-


065

In deze zender is de kristaloscillator opgebouwd rond de transistor(ern) :

a   Q3
b   Q1
c   Q2 en Q3
d   Q2
-


066

De regellus met fasevergelijking is in stabiele toestand (gelocked).
De deler is ingesteld op:

a   500
b   50
c   4900
d   5100
-


067

Twee dicht bij elkaar wonenede zendamateurs zenden gelijktijdig uit, op 144.5 Mhz en de ander op 145.5 Mhz.
Door intermodulatie kunnen ook signalen ontstaan op:
a   144 Mhz en 146 Mhz
b   143.5 Mhz en 146.5 Mhz
c   144.5 Mhz en 145 Mhz
d   145.5 Mhz en 146Mhz
-


068

In een zenderstuurtrap wordt het signaal van een kristaloscillator gemengd met dat van een variabele oscillator.
Voor het zendbereik tussen 3.5-3.8 Mhz komt de volgende combinatie in aanmerking:

a   kristaloscillator 2.6 Mhz ; variabele oscillator 1.2 – 1.5 Mhz
b                            9.3 Mhz                                  5.5 – 5.8 Mhz
c                            4.0 Mhz                                  400 – 700 Khz
d                            3.5 Mhz                                  200 – 500 Mhz
-


069

In een EZB-zender wordt de hoge zijband opgewekt
met een draaggolffrequentie van 500 Khz.
De draaggolf-zendfrequentie  bedraagt 3700 Khz, waarbij de lage zijband dient te worden uitgezonden.

De oscillatie frequentie is:
a   3200 Khz
b   2700 Khz
c   4200 Khz
d   3700 Khz
-


070

Een element  X (links onderaan het schema) stelt voor:

a   een kwartskristal wat zich inductief gedraagt
b   het tekensymbool voor resonantie
c   een Foster Seeley detector
d  een kwartskristal wat zich capacitief gedraagt
-


071

De diodeschakeling D is hier een:

a   frequentie vermenigvuldiger
b   frequentie modulator
c   bruggekijkrichter
d   balansmodulator
-


072

Zie afbeelding 070 071
Voor optimale onderdrukking van de draaggolf geldt:

a   C10 is gelijk aan C11 en de loper van R11 is geheel naar boven gedraaid
b   C10 = 2xC11 en de loper van R11 is geheel naar beneden gedraaid
c   C11 = 2xC10 en de loper van R11 is ongeveer in de middenpositie
d   C11 is ongeveer gelijk aan C10 en de loper van R11 in de middenpositie
073

R11 en R12:

a   dienen voor tegenkoppeling van Q3
b   mogen geen draadgewonden weerstanden zijn
c   zorgen voor het juiste werkpunt van Q3
d   vormen met C9 een laagdoorlaatfilter
-


074

De dioden zijn gelijk.
Kies uit de alternatieven de combinatie van hoogste Uuit en grootste Iuit die de schakeling kan leveren:

a   Uuit = 200 V en Iuit = 4 A
b   Uuit = 400 V en Iuit = 4 A
c   Uuit = 400 V en Iuit = 2 A
d   Uuit = 200 V en Iuit = 2 A
-


075

De schakeling werkt als een oscillator.
stelling 1
De kring is afgestemd op de tweede harmonische van het kristal.
stelling 2
Het kristal werkt praktisch in parallel-resonantie.
Wat is juist?

a   geen van beiden stellingen
b   stelling 2
c   stelling 1
d   stellingen 1 en 2
-


077

De kring L1-C1 staat afgestemd op de:

a   oscillatiefrequentie
b   middenfrequentie
c   ontvangfrequentie
d   spiegelfrequentie
-


076

Deze LC-kring, parallel aan de ingang van de ontvanger, dient om:

a   de bandbreedte van de ontvanger te verkleinen
b   de versterking van de ontvanger te vergroten
c   een storend signaal uit te filteren
d   de bandbreedte van de ontvanger te vergroten
-


078

In de uitgang van een FM-zender is een pi-filter geplaatst.
Dit filter heeft als doel:

a   het verkleinen van de frequentiezwaai
b   het verhogen van de antennewinst
c   het aanpassen van de zender aan de antennekabel
d   het verkleinen van de staandegolf-verhouding op de kabel
-


079

In deze zender zijn R9 en R10 aanwezig om de basis van Q3:

a   te dempen om parasitaire oscillaties te voorkomen
b   van basisspanning en modulatiesignaal te voorzien
c   van een vaste basisstroom te voorzien
d   van een vaste basisspanning te voorzien
-


080

De ontvangfrequentie wordt bepaald door de middenfrequentie en door de kring:

a   L25 en C25
b   L6 en C6
c   L1 en C1
d   L3 en C3
-


081

Welke karakteristiek behoort bij een laagdoorlaatfilter

a   1
b   2
c   3
d   4
-


082

De transformatoren zijn identiek en elk bedoeld voor primair 230 V en secundair 12 V.
De spanning over de weerstand R is:

a   48 V
b   12 V
c   6 V
d   24  V
-


083

De schakeling stelt voor:

a   hoogdoorlaatfilter
b   laagdoorlaatfilter
c   modulator
d   verschilversterker
-


084

De diode hebben gelijke doorlaatkarakteristieken maar de belastbaarheid is verschillend.
Kies uit de altenatieven de combinatie met de hoogste Uuit en de grootste Iuit, die de schakeling kan leveren:

a   Uuit = 20 V Iuit = 2A
b   Uuit = 20 V Iuit = 3A
c   Uuit = 10 V Iuit = 3A
d   Uuit = 10 V Iuit = 2A
-


085

In het filter zijn 3 seriekringen in resonantie op de daarbij aangegeven frequenties,
Het filter:

a   laat 2000 Hz en 4000 Hz door
b   laat 2000 Hz door en spert 4000 Hz
c   spert 2000 Hz en 4000 Hz
d   spert 2000 Hz en laat 4000 Hz door
-


086

In deze zender zijn R9 en R10 aanwezig om de basis van Q3:

a   van een vaste basisspanning te voorzien
b   van een vaste basisstroom te voorzien
c   van basisspanning en modulatiesignaal te voorzien
d   te dempen om paracitaire oscillatie te voorkomen
-


087

De dioden hebben gelijke doorlaatkarakteristieken maar de belastbaarheid is verschillend.
Kies uit de alternatieven de combinatie van hoogste Uuit er grootste luit die de schakeling kan leveren:

a. Uuit = 200 V en luit = 1 A
b. Uuit = 200 V en luit = 2 A
c. Uuit = 350 V en luit = 1 A
d. Uuit = 100 V en luit = 1 A
-


088

De componenten L1, C2, C4, L2, C5 en C6 vormen gezamenlijk een:

a. bandfilter
b. T-filter
c  ╖-filter
d. seriekring
-


089

De juiste uitgangsspanningen X en Y zijn:

a. X=-12V     enY=0V
b. X=-12V     enY=+24Y
c. X=+24V    enY=0V
d. X=0V        enY=-12V
-


090

De hoogfrequentversterker is opgebouwd rond transistor:

a   Q2
b   Q1
c   Q5
d   Q6
-


091

De componenten C9 en L3 vormen hier een :

a   parallelkring
b   seriekring
c   laagdoorlaatfilter
d   bandfilter
-


092

C5 , C10 en C12:

a. zijn de afstemcondensatoren van de resonantiekringen
b. voorkomen brom op de modulatie van de stuurtrap
c. ontkoppelen de hoogfrequent signalen van de voedingslijn V+ naar aarde
d. vormen  met respectievelijk L1,L3 en rfc4 hoogdoorlaatfilters
-


093

De condensator C21 dient om:

a. de voedingsspanning voor de oscillator constant te houden
b. spanningsvariaties door stroomveranderingen in de eindtrap af te vlakken
c. de versterking van hoge tonen in de lf-versterker te verminderen
d. hoge frequenties uit de voedingsspanning van het ontvanggedeelte te weren
-


094

Weerstand R1 maakt deel uit van het circuit van de

a. oscillator
b. laagfrequentversterker
c. detector
d. automatische versterkingsregeling
-


095

Om een oscillator elektrisch te verstemmen wordt bij voorkeur gebruik gemaakt van een:

a. LED
b. diodenbrug
c. varicapdiode
d. zenerdiode
-


096

Een overtone kristaloscillator oscilleert op:

a. zowel oneven als even harmonische frequenties
b. een even harmonische frequentie
c. de grondfrequentie
d. een oneven harmonische frequentie
-


097

De condensator C24 dient om:

a   de versterking van hoge tonen in de eindtrap te verkleinen
b   de stroom door de transistor constant te houden
c   de lf-tegenkoppeling in de eindtrap te verminderen
d   de transistor in het juiste werkpunt in te stellen
-


098

Dit is een schema van:

a   spanningsvolger
b   hoogdoorlaatfilter
c   somversterker
d   laagdoorlaatfilter
-


099

De kring L1-C1 staat afgestemd op de:

a. oscillatorfrequentie
b. spiegelferquentie
c. ontvangfrequentie
d. middenfrequentie
-


100

Dit is een schema van een:

a   modulator
b   Iaagdoorlaatfilter
c   verschilversterker
d   hoogdoorlaatfilter
H03 Schakelingen      0-100

H03 Schakelingen  101-200
H03 Schakelingen      0-100

H03 Schakelingen  101-200