062
03
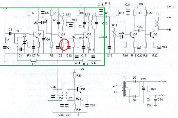
Er staat een hoogfrequent wisselspanning over

a  
R7
b   R26
c   R13
d   R21