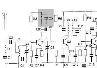
011

De condensator C5 dient om

a   het verlopen van de instellingen van de transistor te voorkomen
b  
het circuit van de resonantiekring L6-C6 compleet te maken
c   de meekoppeling van de transistor te verzorgen
d   L6 op de spiegelfrequentie af te stemmen
03