094
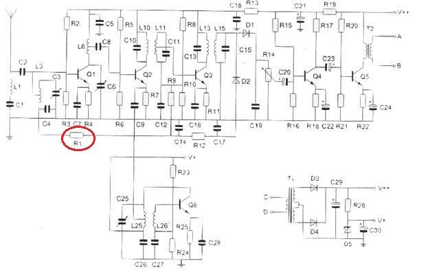
Weerstand R1 maakt deel uit van het circuit van de
a. oscillator
b. laagfrequentversterker
c. detector
d.
automatische versterkingsregeling
┘
┘