077

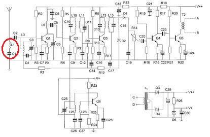
De kring L1-C1 staat afgestemd op de:

a   oscillatiefrequentie
b  
middenfrequentie
c   ontvangfrequentie
d   spiegelfrequentie
03