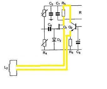
009

De schakeling rondom Q2 is bedoeld
a   voor het regelen van het laagfrequentvolume van de hoofdtelefoon
b   als detectorschakeling voor signalen van Q1
c   voor het opwekken van het oscillatorsignaal
d  
voor het precies instellen van de drain-source spanning van Q1
03