001

Welke waarde heeft de weerstand?
H02            2  Componenten            000-100
H02            2  Componenten            101-200
H02            2  Componenten            201-300
-


002 

Als van een condensator van 200 pF de mogelijke waarde ligt tussen 190 en 210 pF
Wat is dan de tolerantie?
-


003

Variabele condensatoren worden gevormd door twee geleiders met daartussen een dielectricum

Een vaak toegepast dielectricum is
a   lucht
b   aluminiumoxide
c   electrolyt
-


004

De condensatoren C22 en C24 zijn

a   luchtcondensatoren
b   keramische condensatoren
c   elektrolytische condensatoren
d   polyestercondensatoren
-


005

In de schakeling wordt ipv een transistor met een stroomverserkingsfaktor hfe=100 een tansistor toegepast met een hfe =50
wat is het gevolg ?

a   de spanningsversterking wordt veel grote
b   de spanningsversterking wordt veel kleiner
c   de schakeling zal niet meer werken
d   de spanningsversterking blijft ongeveer gelijk
-


006

De ingangsimpedantie bij 1 KHz wordt hoofdzakelijk bepaald door de:

a   externe source weerstand
b   instellingen ven de fet
c   externe drain weerstand
d   externe weerstand tussen gate en aarde
 
-


008

Als van een elektronenbuis een gegeven wordt uitgedrukt in een aantal mA/V
dan heeft dat betrekking op de

a   steilheid
b   versterkingsfactor
c   inwendige weerstand
d   ingangsweerstand

-

009

Ingang Y kan zowel logisch 1 als logisch 0 zijn
Uitgang Q is

a   1
b   Y
c   niet-Y
d   0
-


010

Deze schakeling functioneerd als een

a   D- flipflop
b   een exclusieve OF-poort [EXOR]
c   opteller [full adder]
d   tweedeler
-


007

Ib is 200 uA  en Ie is 18 mA

De collectorstroom IC is

a   18.2 mA
b   20    mA
c   18    mA
d   17.8 mA
-


011

R1 en R2

a     verzorgen de werkpuntinstelling van Q1
b     dienen voor de juiste aanpassing van microfoon M
c     dienen voor de tegenkoppeling van Q1
d     vormen een laagdoorlaatfilter met C1
-


012

C5 , C10 en C12

a   ontkoppelen de hoogfrequent signalen van de voedingslijn V+ naar aarde
b   vormen met respectievelijk L1 , L3 en rfc4 hoogdoorlaatfilters
c   zijn de afstemcondensatoren van de resonantiekringen
d   voorkomen brom op de modulatie van de stuurtrap
-


013

Transformator T2 dient voor het

a   aanpassen van de antenne
b   verkrijgen van de juiste voedingsspanning
c   aanpassen aan de luidpreker-impedantie
d   opwekken van de BFO-spanning
-


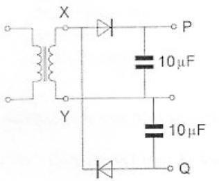
014

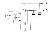
De wisselspanning tussen X en Y = 10 Veff
De spanning {onbelast} tussen P en Q is ongeveer

a   0   V
b   14 V
c   20 V
d   28 V
-


015

Een in enkele laag gewikkelde spoel wordt vervangen door een spoel die 10% langer is.
De overige eigenschappen [aantal windingen, diameter, kernmateriaal] blijven gelijk
De zelfinductie is nu

a   20% groter
b   ongewijzigd
c   10% groter
d   kleiner
-


016

Om licht te kunnen geven dient een LED te werken in

a   met een spanning van ca 0.7 V
b  in de doorlaatrichting
c   in de sperrichting
d   met inductieve voorspanning
-


017

De "Oervorm" van een NPN-transistor is de "twee-dioden" schakeling in

a   schakeling 3
b   schakeling 4
c   schakeling 1
d   schakeling 2
-


018

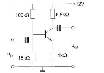
De uitgangsspanning Uuit van de schakeling met een SI-transistor is ongeveer

a   5.6 V
b   8.4 V
c   6.2 V
d   5.0 V
-


019

Als een NPN-transistor in klasse C ingesteld en er is geen inganganssignaal aanwezig dan

a   is het spanningsverschil tussen collector en emittor minimaal
b   loopt er maximale stroom van collector naar emittor
c   loopt er maximale basisstroom
d   loopt er geen stroom van collector naar emittor
-


020

Deze schakeling heeft een

a   NOF-functie
b   Of-funtie
c   NEN-functie
d   EN-functie
-


021

Deze schakeling kan gezien worden als

a   NOF-poort [NOR]
b   Of-poort
c   NEN-poort [NAND]
d   EN-poort
-


022

De mogelijke waarde van een 200 Ohm weerstand met een tolerantie van 5 procent ligt tussen

a   180 en 220 Ohm
b   190 en 210 Ohm
c   195 en 205 Ohm
-


023

De kleurcode voor een weerstand van 4700 Ohm

a   geel - violet - rood - zilver
b   oranje - blauw -bruin - goud
c   geel - blauw - oranje - zilver
-


024

De eenheid van zelfinductie is

a   Ohm
b   Henry
c   Farad
-


025

Een van deze toepassingen van een transformator is niet juist

a   wijzigen van wisselspanning
b   versterken van vermogen
c   aanpassen van antenne aan kabel
-


027

Een kenmerkende eigenschap van een zenerdiode is

a   sterk toenemende stroom boven een bekende spanning in de sperrichting
b   hoge weerstand in de doorlaatrichting
c   sterke lichtgevoeligheid in de sperrichting
-


028

De meter wijst 100uA aan
Ie = 20 mA
Hoe groot is Ic?
-


029

Bij een Id = 4 mA en een Ugs = -3 V behoort een sourse-weerstand Rs van

a   3K Ohm
b   375 Ohm
c   750 Ohm
d   1K Ohm
-


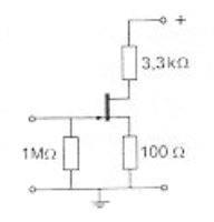
026

Om wisselspanning om te zetten in een gelijkspanning gebruikt men

a   filter
b   transformator
c   diode
-


030

De frequentiestabiliteit van een oscillator met een FET kan worden verbeterd door:

a   De gate-spanning te verkleinen
b   de gate-impadantie te verhogen
c   het afknijppunt te verleggen
d   de temparatuurvariaties te verkleinen
-


031

Wanneer van een triode de roosterspanning meer negatief wordt gemaakt ten opzichte van de kathode, zal de:

a   anodespanning afnemen
b   anaodestroom afnemen
c   roosterstroon toenemen
d   anodestroom toenemen
-


032

De uitgangsspanning Uuit van de schakeling met een siliciumtransistor is ongeveer:

a   8.4 V
b   6.2 V
c   5.6 V
d   5.0 V
-


033

Juist is:

a   X = 1 en Y = 0
b   X = 0 en Y = 0
c   X = 1 en Y = 1
d   X = 0 en Y = 1
-


034

De versterking van de schakeling is

a   10
b   0.1
c   1000
d   11
-


035

Ingang P kan 0 of 1 zijn
Juist is

a   x = 0   y = 0
b   x = 1   y = 1
c   x = 0   y = 1
d   x = 1   y = 0
-


036

Y gaat van 0 naar 1
Q ??

a   blijft 0
b   gaat van 0 naar 1
c   gaat van 1 naar 0
d   blijft 1
-


037

Ingang Y kan 1 of 0 zijn
Q= dan

a   niet-Y
b   1
c   Y
d   0 
-


038

Juist is

a   X = 1   Y = 0
b   X = 1   Y = 1
c   X = 0   Y = 0
d   X = 0   Y = 1
*


039

Stelling 1
De anode-roostercapaciteit van een triode is veel kleinder dan van een penthode
Stelling 2
De electronenstroom in een triode loopt van rooster naar anode
wat is goed?

a   alleen stelling 1
b   alleen stelling 2
c   beide stellingen
d   geen enkele stelling
-


040

De spanning over de weerstand Rc is

a   0.2 V
b   20 V
c   9.8 V
d   19.8 V
-


041

De lekstroom van een diode

a   neemt toe bij temperatuurverhoging
b   neemt af bij temperatuurverhoging
c   is niet afhankelijk van de temperatuur
d   is alleen afhankelijk van de spanning
-


042

Stelling 1
De anodestroom van een triode is afhankelijk van de roosterspanning
Stelling 2
De anodestroom van een triode is afhankelijk van de anodespanning
Wat is waar

a   alleen stelling 2
b   stelling 1 en 2
c   alleen stelling 1
d   geen van de stellingen
-


043

De "Oervorm" van een NPN-transistor is de "twee-dioden" schakeling in

a   schakeling 1
b   schakeling 2
c   schakeling 3
d   schakeling 4
-


044

Juist is

a   X = 0  en  Y = 0
b   X = 1  en  Y = 0
c   X = 0  en  Y = 1
d   X = 1  en  Y = 1
-


045

Voor de uitgang Q geldt

a   tabel 2
b   tabel 1
c   tabel 4
d   tabel 3
-


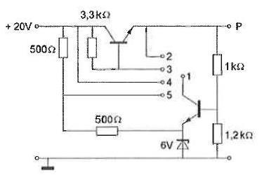
046

Om een gestabiliseerde spanning op punt P te verkrijgen moet punt 1 worden doorverbonden met

a   punt 3
b   punt 5
c   punt 2
d   punt 4
-


047

In deze schakeling wordt in plaats van een transistor met een stroomversterkingsfgactor Hfe = 100 ,
een transistor toegepast met een Hfe =50
Wat is het gevolg?

a   de spanningsversterking wordt veel groter
b   de schakeling zal niet meer werken
c   de spanningsversterking wordt veel kleinder
d   de spanningsversterking blijft ongeveer gelijk
-


048

Een veel voorkomende spanning en stroom van een LED zijn

a   5V // 60 mA
b   1.7 V // 20 mA
c   60 V // 20 mA
d   0.7 V // 60 mA
-


049

Flipflop is een andere naam voor

a   analoge serie-parallel omzetter
b   digitale geheugenschakeling
c   elektronische seinsleutel
d   analoge geheugenschakeling
-


050

De werking van een geaarde aluminium afschermbus om een hf-spoel berust op

a   diamagnetische eigenschappen van aluminium
b   inductie van een stroom in de bus die een tegengesteld magnetisch veld opwekt
c   magnetische geleiding van aluminium
d   naar aarde afvoeren van magnetische veldlijnen
-


051

Een in een enkele laag gewikkelde spoel wordt vervangen door een spoel die 10procent langer is
De overige eigenschappen [ aantal windingen, diameter, kernmateriaal] blijven gelijk
De zelfinductie is nu

a   ongewijzigd
b   10 procent groter
c   kleinder
d   20 procent groter
-


052

Een van de toepassingen van een transformator is niet juist
welke?

a   aanpassen van antenne aan kabel
b   wijzigen van wisselspanning
c   versterken van vermogen
d   koppelen van versterkertrappen
-


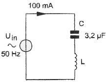
053

De spanning over de spoel is ?

a   100 V
b   300 V
c   400 V
d   200 V
-


054

Een LED [light emitting diode] dient op een spanning van 12V te worden aangesloten volgens

a   4
b   3
c   2
d   1
-


055

Het vermogen dat de transistor dissipeert is ongeveer

a   24 mW
b   20 mW
c   12 mW
d   10 mW
-


056

Stelling 1
De anode-roostercapaciteit van een triode is veel kleinder dan van een pentode
Stelling 2
De electronenstroom in een triode loopt van het rooster naar de anode
Wat is juist?

a   alleen 1
b   geen
c   1 en 2
d   alleen 2
-


057

Wat is juist?

a   Y = 1 en Z = 1
b   Y = 1 en Z = 0
c   Y = 0 en Z = 1
d   Y = 0 en Z = 0
-


058

De spanning over de diode is

a   0.6 V
b   0.8 V
c   2 V
d   1.2 V
-



060

De lekstroom van een diode

a   neemt af bij temperatuurverhoging
b   neemt toe bij temperatuurverhoging
c   is alleen afhankelijk van de spanning
d   is niet afhankelijk van de temperatuur
-


061

De maximale doorlaatstroom in een halfgeleiderdiode wordt begrensd door de

a   maximale sperspanning
b   doorlaarspanning
c   kristaltemperatuur
d   omgekeerde EMK
-



062

Door een lange spoel loopt een HF wisselstroom
Een aluminium huls is in de lenterichting van een smalle luchtspleet voorzien, om de spoel geschoven en geaard
Dit wordt gedaan om

a   het elektrische en magnetische veld af te schermen
b   alleen het elektrische veld af te schermen
c   de magnetische veldlijnen te concentreren bij de luchtspleet
d   de zelfinductie te vergroten
-


059

Een luchtcondensator bestaat uit 2 koperplaten
De oppervlakte van deze platen wordt 2 keer zo groot gemaakt
De capaciteit zal

a   verdubbelen
b   gelijk blijven
c   4x zo groot worden
d   halveren

-

063

De waarheidstabel van een exclusieve OF-poort [EXOR] is gegeven in

a   tabel 2
b   tabel 4
c   tabel 1
d   tabel 3
-


064

Deze schakeling functioneert als een

a   exclusieve OF-poort [EXOR]
b   opteller [full adder]
c   D-flipflop
d   tweedeler
-


065

Geef de uitgang U ...>>>
-


066

Geef de waarheidstabel...>>>
-


067

De onbelaste spanning tussen de punten P en Q is ongeveer

a   26V
b   17V
c    8V
d    0V
-


068

Deze schakeling kan gezien worden als een

a   NOF poort
b   EN poort
c   NEN poort
d   OF poort
-


069

De waarheidstabel, waarin Q de uitgang is, behoort bij een

a   OF-poort
b   EN-poort
c   NEN-poort
d   NOR-poort
-


070

Een zenerdiode wordt meestal toegepast om een

a   constante spanning te maken
b   signaal te versterken
c   wisselspanning gelijk te richten
d   voedingsspanning te verhogen
-


071

Om een oscillator te verstemmen wordt bij voorkeur gebruik gemaakt van een

a   varicap
b   LED
c   zenerdiode
d   diodebrug
-


072


In de schakeling komt +5V overeen met logisch 1
0 V komt overeen met logisch 0
De juiste waarheidstabel is

a   1
b   3
c   2
d   4
-


073

De spanningsvorm over C wordt weergegeven door

a   C
b   D
c   A
d   B
-


074

In de schakeling komt +5V overeen met logisch 1
In de schakeling komt  0 V overeen met logisch 0
De juiste waarheidstabel is

a   tabel 2
b   tabel 3
c   tabel 1
d   tabel 4
-


075

Door een lange spoel loopt een hf-wisselstroom
Een aluminium huls is in de lengterichting van een smalle luchtspleet voorzien, om de spoel geschoven en geaard
Dit wordt gedaan om

a   alleen het elektrische veld af te schermen
b   de magnetische veldlijnen te concentreren bij de luchtspleet
c   het elektrische en magnetische veld af te schermen
d   de zelfinductie te vergroten
-


076

Juist is

a   X = 0 en Y = 0
b   X = 0 en Y = 1
c   X = 1 en Y = 1
d   X = 1 en Y = 0
-


077

Deze karakteristiek heeft betrekking op een

a   zenerdiode
b   weerstand
c   FET
d   spanningsbron
-


078

Ingang Y gaat van 0 naar 1
Uitgang Q

a   blijft1
b   gaat van 1 naar 0
c   blijft 0
d   gaat van 0 naar 1



079

De collectorstroom is

a    3 mA
b   0.1 mA
c   1 mA
d   10 mA
-


080

De voltmeter wijst 5V aan en heeft een inwendige weerstand van 2KOhm
Van de transistor is de versterking 100X.
De ingangsweerstand Ri is ongeveer:

a   2 KOhm
b   200 KOhm
c   0,5 KOhm
d   10 KOhm
-


081

Wat is juist?
 
a   X=1 en Y=1
b   X=0 en Y=0
c   X=0 en Y=1
d   X=1 en Y=0
-


082

De logische 1=5V en de logische 0=0V
Dit is een:

a   NOF (NOT)
b   EN (AND)
c   OF (OR)
d   NEN (NAND)
-


083

Stelling 1
De drainstroom van een FET is afhankelijk vab de gatespanning.
Stelling 2
De drainstroom van een FET is praktisch onafhankelijk van de drainspanning.
Wat is juist?

a   stelling 1 en 2
b   alleen stelling 1
c   geen van beide stellingen
d   alleen stelling 2
-


084

Voor een transistor geldt: Ube = 0.7 V
De basisstroom is te verwaarlozen.
Uce=

a   10.7 V
b   4.3 V
c   5 V
d   0.7 V
-


085

De waarheidstabel van een exclusieve OF-poort (EXOR) is gegeven in: 

a   tabel 2
b   tabel 4
c   tabel 1
d   tabel 3
-


086

Van een penthode, ingesteld in de klasse A, is het verband tussen Ia en Ug gegeven bij een anodeweerstand van 5000 Ohm.
De spanningsversterking is:

a   250 maal
b   10 maal
c   50 maal
d   20 maal
-


087

Om de maximale toelaatbare vermogensdissipatie van een weerstand te verhogen, kan men het beste:

a   het oppervlak van de weerstand zo klein mogelijk maken
b   de weerstandswaarde zo groot mogelijk maken
c   de weerstandswaarde zo klein mogelijk maken
d   het oppervlak van de weerstand zo groot mogelijk maken
-


088

Het aanbrengen van een poederijzerkern in een spoel die op 3.5 Mhz wordt toegepast, heeft de volgende invloed:

a   zelfinductie neemt af en Q-faktor blijft gelijk
b   zelfinductie neemt af en Q-factor neemt toe
c   zelfinductie neemt toe en Q-faktor neemt toe
d   zelfinductie blijft gelijk en Q-factor neemt af
-


089

In een in klasse A ingestelde triode-versterker geldt:
stelling 1
de anode is positief tov de kathode
stelling 2
het stuurrooster is positief tov de kathode
Wat is juist?

a   alleen stelling 1
b   alleen stelling 2
c   beiden stellingen
d   geen van beiden stellingen
-


090

Voor de transistor geldt: Ube = 0.7 V.
De basisstroom is te verwaarlozen.
Uce is:

a   13 V
b   5.5 V
c   0.55 V
d   8.5 V
-


091

De waarde van de weerstand Rc is:

a   0.5 K

b   2.5 K

c      2 K

d      3 K
-


092

De waarde van Rb is:

a   120 K

b   180 K

c   160 K

d     60 K
-


093

De oervorm van een PNP-transistor is de twee-diode schakeling in:

a   schakeling 1
b   schakeling 3
c   schakeling 2
d   schakeling 4
-


094

Voor de uitgang Q geldt:

a   tabel 2
b   tabel 1
c   tabel 4
d   tabel 3
-


095

De gelijkspanning tussen de gate en de source wordt bepaald door:

a   de gatestroom en de weerstend Rs
b   de sourcestroom en de weerstand Rs
b   de condensator Cs
d   de weerstand Rg
-


096

De spannng U is:

a   0 V
b   -12 V
c   +10 V
d   -36 V
-


097

Van de schakeling is ingang X logisch 0.
lngang Y kan zowel logisch 0 als logisch 1 zijn.
Uitgang Q is:

a.Y
b.0
c. 1
d. niet-Y
-


098

Rk wordt berekend uit de waarden:

a   Ug en Ia
b   Ug en Ig
c   Ua en Ia
d   Ub en Ia
-


099

De spanning (Uce) tussen emitter en collector is :

a.  19,5 V
b.    0,5 V
c     9,5 V
d     10 V
-


100

De spoel heeft een gelijkstroomweerstand van 40
.
De reactantie( Xl ) is 1 K
.
De ingangsspanning is ongeveer..

a. 104 V
b, 100 V
c.     4 V
d. 204 V
H02            2  Componenten            000-100
H02            2  Componenten            101-200
H02            2  Componenten            201-300


-