H02            2  Componenten            000-100
H02            2  Componenten            101-200
H02            2  Componenten            201-300
101

De stroomversterking van PNP- en NPN-transistoren zal bij toenemende frequentie

ä   afnemen
b   toenemen
c   gelijk blijven
d   eerst afnemen en daarna weer toenemen
-


102

De ingangen X en Y worden voorzien van de hier geschetste signalen.

Het uitgangssignaal Q:

a   signaal 2
b   signaal 3
c   signaal 1
d   signaal 4
-


103

Voor de uitgang Y geldt:

a. tabel 2
b. tabel 4
c. tabel 1
d. tabel 3
-


104

Dit is een:

a   NIET-schakeling (inverter)
b   NEN-poort (NAND)
c   EN-poort (AND)
d   OF-poort (OR)
-


105

Voor de transistor geldt: Ube = -0.5 V
De zenerspanning is 2 V.
De spanning U is:

a   -1,5 V
b   -2,5 V
c   0 V
d   -6 V
-


106

De weerstanden R1 en R2 zorgen voor:

a   vaste voorspanning
b   tegenkoppeling
c   automatische voorspanning
d   ontkoppeling
-


107

De waarde van Rb is:

a   120 K

b   200 K

c   10 K

d   170 K
-


108

ln een in klasse A ingestelde LF-pentode-versterker geldt:
stelling 1: het schermroosfer is positief ten opzichte van de kathode.
stelling 2: het vangrooster is positief ten opzichte van de kathode.
Wat is juist:

a. beide stellingen
b. geen van beide stellingen
c. alleen stelling 1
d. alleen stelling 2
-


109

Q1, Q2, Q3, Q4 en Q5 zijn:

a. P-kanaal veldeffecttransistoren
b. PNP transistoren
c. N-kanaal veldeffecttransistoren
d. NPN transistoren
-


110

Juist is?

a   Q=1; R=1; T=1
b   Q=1; R=0; T=0
c   Q=0; R=1; T=1
d   Q=0; R=0; T=1
-


111

In de schakeling komt +5 V overeen met logisch 1 en 0 V met logisch 0.

a   tabel 3
b   tabel 2
c   tabel 1
d   tabel 4
-


112

Voor de uitgang Y geldt:

a   tabel 4
b   tabel 1
c   tabel 3
d   tabel 2
-


113

Deze waarheidstabel, waarin Q de uitgang is, behoort bij een:

a   (OR) OF-poort
b   (NOR) NOF-poort
c   (NAND) NEN-poort
d   (AND) EN-poort
-


114

De volgende pinaansluiting geeft aan dat de transistor een FET is:

a   S-G-D
b   V-C-C
c   E-B-C
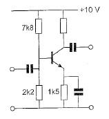
d   P-I-E
-


115

Het vermogen dat de transistor dissipeert is ongeveer:

a   30 mW
b   60 mW
c   35 mW
d   25 mW
-


116

Als schakelaar S1 gesloten wordt zal de lamp:

a   uitgaan
b   gaan branden
c   blijven branden
d   gaan knipperen
-


117

De schakeling werkt als oscillator.
Stelling 1: De kring is afgestemd op de tweede harmonische van het kristal.
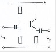
Stelling 2: Het kristal werkt praktisch in parallel-resonantie.
Wat is juist?

a   1
b   1 en 2
c   geen
d   2
-


118

Juist is:

a   X=1   Y=0
b   X=1   Y=1
c   X=0   Y=0
d   X=0   Y=1
-


119

Juist is:

a   X=1   Y=1
b   X=0   Y=0
c   X= 1   Y-0
d   X=0   Y=1
-


120

Door de wikkeling van een luchtspoel loopt een gelijkstroom.
Hierdoor ontstaat een magnetisch veld:

a   alleen buiten de spoel
b   zowel binnen als buiten de spoel
c   alleen in de spoel als er een ijzerkern is aangebracht
d   alleen binnen de spoel
-


121

Ingang S gaat over van logisch 0 naar logisch 1.
Uitgang Q:

a   blijft 1
b   gaat van 1 naar 0
c   gaat van 0 naar 1
d   blijft 0
-


122

Een varicap wordt vaak gebruikt voor:

a   het regelen van de versterking
b   het moduleren van een FM zender
c   het gelijkrichten van de netspanning
d   signaaldetectie in een AM-ontvanger
-


123

Ingang P gaat van 1 naar 0.
Uitgang X:

a   blijft 0
b   blijft 1
c   gaat van 0 naar 1
d   gaat van 1 naar 0
-


124

Van de transistor is de hfe = 100.
Welke bewering is juist?

a   U1 = 0,1V     U2 = 0.1 V en hebben dezelfde fase
b   U1 = 0 V       U2  = 10 V
c   U1 = 0,1 V    U2 = 0.1 V en hebben tegengestelde fase
d   de ingangsspanning is te klein om enig effect te hebben op U1 en U2
-


125

Voor de schakeling geldt:

a   U2 is kleiner dan U1en in tegenfase met U1
b   U2 is groter dan U1en in tegenfase met U1
c   U2 is kleiner dan U1en  in fase met U1
d   U2 is  groter dan U1en in fase met U1
-


126

Het magnetische veld van een mf-spoel veroorzaakt hinder in nabijgelegen componenten.
De beste remedie hiertegen is om deze spoel:

a   in te gieten in kunsthars
b   zonder spatie te wikkelen
c   aan één zijde te aarden
d   te voorzien van een aluminium bus
-



127

Een verliesvrije condensator is aangesloten op een sinusvormige spanning.
Welke bewering is juist?

a   de condensator neemt het dubbele vermogen op bij verdubbeling van de capaciiteit
b   de condensator neemt het dubbele vermogen op bij verdubbeling van de spanning
c   de condensator neemt geen vermogen op
d   de condensator neemt bij een bepaalde frequentie maximaal vermogen op
-


128

Juist is:

a   Q=1   P=1
b   Q=0   P=1
c   Q=0   P=0
d   Q=1   P=0
-


129

Een frequentieverdrievoudiger met een transistor wordt gestuurd met een frequentie f.
In de collectorstroom zijn de volgende frequenties aanwezig:

a   f en 1/3f
b   f en 3f
c   1/3f en 3f
d   f en 1/2f
-


130

Een variac is in principe een autotransformator.
De knop van de variac wordt zodanig gedraaid dat n1=100 windingen en n2=200 windingen.
U1 is dan:

a   48 V
b   240 V
c   60 V
d   80 V
-


131

Dit blokschema toont een:

a   productdetector
b   PLL-schakeling
c   amplitude modulator
d   digitale VFO
-


133

De spanning U heeft een frequentie van 1 MHz.
Om spoel Y af te schermen van het magnetische veld van spoel X dient men:

a   een ijzerkern aan te brengen in de spoel X
b   een ijzerkern aan te brengen in beide spoelen
c   spoel X in een koperen buis te plaatsen
d   een koperkern aan te brengen in spoel Y
-


134

Een niet-ideale luchtspoel gedraagt zich voor frequenties, die zeer veel hoger zijn dan waarvoor hij is bedoeld, voornamelijk als een:

a.  spoel met een lage Q-factor
b.  spoel en condensator in serie
c.  condensator
d.  weerstand
-


135

Een condensator met aansluitdraden gedraagt zich voor frequenties in het UHF-bereik voornamelijk als een:

a.parallelkring
b.condensator met veel verlies
c.weerstand
d.spoel
-


136

Een geheugen voor binaire getallen bestaat uit:

a   delers
b   exclusieve OF-poorten
c   optellers
d   flipflops
-


132

De sperspanning van een normale siliciumdiode is:

a   tussen de 0.4 en 2V
b   groter dan 10V
c   kleiner dan 0.4V
d   tussen de 2V en de 10V
-


137

Welke van de getekende grafieken stelt het weerstandverloop van een NTC-weerstand voor?

a.   A
b.   B
c.   C
d.   D
-


138

De elektrische veldlijnen van een opgeladen condensator verlopen volgens:

a   A
b   B
c   C
d   D
-


139

Een achttien-deler kan men:

a   samenstellen met een zes-deler en een drie-deler
b   niet samenstellen
c   samenstellen mat twee negen-delers
d   samenstellen met een tien-deler en een acht-deler
-


140

Wat is juist?

a   Q = 1     R = 1     T = 1
b   Q = 1     R = 0     T = 0
c   Q = 0     R = 1     T = 1
d   Q = 0     R = 0     T = 1
-


141

Deze karakteristiek heeft betrekking op:

A. een diode
B. een PNP transistor
C. een weerstand
D. een spanningsbron
-


142

De Ia – Ug karakteristiek van een radiobuis geeft het verband aan tussen de:

A. roosterstroom en de anodestroom
B. roosterstroom en de kathodestroom
C. roosterspanning en de anodestroom
D. roosterspanning en de anodespanning
-


143

Om de maximaal toelaatbare vermogensdissipatie van een weerstand te verhogen,
kan men het beste de:

A. weerstand NTC-eigenschappen geven
B. weerstand PTC-eigenschappen geven
C. weerstand op een koelplaat monteren 
D. weerstand in een glazen lichaam opsluiten
-


143

Om de maximaal toelaatbare vermogensdissipatie van een weerstand te verhogen,
kan men het beste de:

A. weerstand NTC-eigenschappen geven
B. weerstand PTC-eigenschappen geven
C. weerstand op een koelplaat monteren 
D. weerstand in een glazen lichaam opsluiten
-


144

De weerstand tussen de gate en de source van een veldeffecttransistor in een laagfrequent schakeling is:

A. het grootst in gemeenschappelijke gate schakeling
B. het grootst in gemeenschappelijke drain schakeling
C. het grootst in gemeenschappelijke source schakeling
D. onafhankelijk van de schakeling
-


145

De weerstand Rk zorgt voor de:

A. wisselstroom-ontkoppeling
B. wisselstroom-tegenkoppeling
C. impedantie-aanpassing
D. gelijkstroom-instelling
-


146

De hoogfrequent-verliezen van een condensator zijn het kleinst indien als diëlektricum wordt toegepast:

a   polystyreen
b   keramiek
c   mica
d   lucht
-


147

Dit is een schema van een :

a   laagdoorlaatfilter
b   modulator
c   hoogdoorlaatfilter
d   verschilversterker
-


148

Wat is juist?

a   X=0     Y=1
b   X=0     Y=0
c   X=1     Y=1
d   X=1     Y=0
-


149  

De juiste uitgangsspanningen X en Y zijn:

a   X= +24V     Y= 0V
b   X= -12C     Y= 0V
c   X= -12V      Y= +24V
d   X= 0V         Y= 12V
-


150

De waarheidstabel , waarbij Q de uitgang is , behoort bij een:

a   of (OR) poort
b   en (AND)poort
c   nen(NAND)poort
d   nof(NOR)poort
-


151

Variabele condensatoren worden gevormd door twee geleiders met daartussen een diëlektricum.
Ze worden veelal toegepast voor:

a   het regelen van de dilectrische constante
b   afstemming en afregeling
c   het regelen van de zelfinductie
d   het laten na-ijlen van de stroom op de spanning
-


152

De transistor is niet in verzadiging.
De 100 ohm weerstand wordt vervangen door een weerstand met een 3x zo kleine waarde.
Het opgenomen elektrisch vermogen in die weerstand:

a   blijft gelijk
b   wordt 9x zo klein
c   wordt 3x zo klein
d   wordt 3x zo groot
-


153

De karakteristiek van een metaalfilmweerstand is:

a   3
b   1
c   4
d   2
-


154

Door een spoel met een zelfindictie van 0.2 henry loopt een sinusvormige wisselstroom van 2 A.
De frequentie van de wisselstroom s 70/2π Hz.
De spanning over de spoel is:

a   25 V
b   20 V
c   56 V
d   40 V
-


155

Het door de schakeling opgenomen vermogen is:

a   2 W
b   10 W
c   1,6 W
d   2,8 W
-


156

De uitgangsspanning U is:

a   -36 V
b   -24
c   -12 V 
d   0 V
-


157

Juist is:

a. Q=1; R=0; S=1; T=0
b. Q=0; R=1; S=1; T=0
c. Q=1; R=0; S=1; T=1
d. Q=1; R=1; S=0; T=1
-


158

Ingang Y kan zowel logisch 1 als logisch 0 zijn.
Uitgang Q is:

a. 0
b. niet-Y
c. Y
d. 1
-


159

De gelijkspanning tussen rooster en kathode van de triode wordt bepaald door de:

a   ontkoppelcondensator Ck
b   roosterlekweerstand Rg
c   anodestroom en kathodeweerstand Rk
d   rooster-kathodecapaciteit
-


160

Een niet-ideale spoel is voor te stellen door:

a   vervangingsschema 4
b   vervangingsschema 1
c   vervangingsschema 2
d   vervangingsschema 3
-


161

De weerstand Rk zorgt voor de:

a   impedantie-aanpassing
b   wisselstroom-tegenkoppeling
c   gelijkstroom-instelling
d   wisselstroom-ontkoppeling
-


162

Ingang P gaat over van 0 naar 1.
Uitgang Z:

a   blijft 1
b   gaat van 1 naar 0
c   blijft 0
d   gaat van 0 naar 1
-


163

De waarheidstabel, waarin Q de uitgang is, behoort bij een:

a   EN-poort (AND)
b   OF-poort (OR)
c   NEN-poort (NAND)
d   NOF-poort (NOR)
-


164

In de versterker is een siliciumtransistor toegepast.
De meest geschikte waarde voor de collectorweerstand is:

a   10 k

b   3.9 k

c   39 k

d   1 k
-


165

Wat is juist?

a   X=0     Y=0
b   X=0     Y=1
c   X=1     Y=0
d   X=1     Y=1
-


166

Gegeven is de Id-Ugs karakteristiek van een FET.
Bij Ug = -1V is de steilheid:

a   12 mA/V
b   8 mA/V
c   4 mA/V 
d   0,8 mA/V
-


167

Stelling 1:
De anode-roostercapaciteit van een triode is veel kleiner dan van een penthode.
Stelling 2:
De elecronenstroom in een triode loopt van het rooster naar de anode.
Wat is juist:

a   1 en 2
b   1
c   geen
d   2
-


168

De karakteristiek van een metaalfilmweerstand is

a
b
c
d
-


169

In de Ia-Ua karakteristiek van een triode geeft het verband tussen:

a   anodestroom en anodespanning
b   roosterstroom en anodespanning
c   roosterstroom en roosterspanning
d   anodestroom en roosterspanning
-


170

Een wederzijdse inductie wordt aangegeven met de volgende eenheid:

a   farad
b   siemens
c   hertz
d   henry
-


171

In de onderstaande figuur is het schema van een transistorversterker schakeling weergegeven.
De transistor is ideaal verondersteld.
De spanning over de weerstand Rc is:

a   0.2 V     
b   5.4 V
c   9.8 V
d   20 V
-


172

In de onderstaande figuur is het schema van een transistorversterker schakeling weergegeven.
De transistor is ideaal verondersteld.
De waarde van de weerstand Rb is gelijk aan:

a   2 Kohm
b   5 Kohm
c   195 Kohm
d   245 Kohm
-


173

De waarde van de weerstand Ra is gelijk aan:

a   0.5 Kohm
b   1 Kohm
c   3.25 Kohm
d   3 Kohm
-


174

De versterkingsfactor van een buis wordt bepaald door:

a  de grootte van de anodespanning bij een constante anodestroom
b  de verhouding tussen anodespanning variatie en roosterspanning variatie bij constante anodestroom
c   de verhouding tussen de negatieve roosterspanning en de anodespanning variatie bij een bepaalde anodestroom
d   de verhouding van de anodestroom en de negatieve roosterspanning
-


175

De uitstraling van harmonischen door een zender kan worden verminderd door:

a   als oscillator een kristaloscillator te gebruiken
b   de voedingsspanning van de eindtrap zeer goed af te vlakken
c   de instelling van de eindtrap zoveel mogelijk in klasse C re zetten
d   de tankkring van de eindtrap als pi-filter uit te voeren
-


176

Een condensator bestaat uit twee gelijke platen ieder met een oppervlak van S cm2 en een onderlinge afstand van d cm.
Tussen de platen bevindt zich een materiaal met een relatieve dielectrische constante dc.
De capaciteit van deze condensator is evenredig met:

a   dc x s / d
b   dc x d / S
c   dc x S / d2
d   d x S / dc
-


177

De getekende schakeling stelt het vervangingsschema voor van een:

a   transistor
b   transformator
c   kwartskristal
d   smoorspoel
-


178

In de figuur is een triode in een versterker-schakeling opgenomen.
De weerstand Rk verzorgt:

a   de wisselstroom-ontkoppeling
b   de wisselstroom-tegenkoppeling
c   de impedantie aanpassing
d   de gelijkstroom instelling
-


179

Het vectordiagram heeft betrekking op:

a   een serieschakeling van een condensator en een weerstand
b   een condensator
c   een serieschekeling van een spoel en een weerstand
d   een spoel
-


180

Het schema stelt een hf-verstertrap voor.
De ingangsspaanning UI is gegeven.
Hoe verloopt de collectorstroom IC?

a
b
c
d
-


181

In de figuur is een serieschakeling van een weerstand en een condensator getekend, aangesloten op een sinusvormige spanning.
Het juiste vectordiagram is:


a
b
c
d
-


182

In de figuur is het schema van een versterker weergegeven.
De versterker heeft een rendement van 50%.
De spanning over de belastingsweerstand R bedraagt 36 V.
De aan de collector toegevoerde gelijkstroom is:

a   0.5 A
b   1 A
c   2 A
d   4 A
-


183

Spoelen van de eindtrap van een zender worden bij voorkeur gemaakt van:

a   verzilverd koperdraad
b   verkopert ijzerdraad
c   vertind koperdraad
d   aluminiumstrip
-


184

Temperatuur ongevoelige weerstanden worden gemaakt van:

a   zilverdraad
b   ijzerdraad
c   koperdraad
d   constantaandraad
-


185

Als in de schakeling de ondensator C wordt vervangen door een condensator met een veel kleinere capaciteitswaarde, is het effect:

a   een grotere versterking vooral voor de laagste frequenties
b   een grotere versterking vooral voor de hoogste frequenties
c   een kleinere versterking vooral voor de laagste frequenties
d   een kleinere versterking vooral voor de hoogste frequenties
-


186

De HF-verliezen van een condensator zijn het grootst indien als dielectricum wordt toegepast:

a   keramiek
b   papier
c   polystyreen
d   lucht
-


187

Door een lange spoel loopt een hf wissselstroom.
Een aluminium huls is in de lengterichting van een smalle luchtspleet voorzien, om de spoel geschoven en geaard.
Dit wordt gedaan om:

a   het elektrisch en magnetisch veld af te schermen
b   de zelfinductie te vergroten
c   de magnetische veldlijnen te concentreren bij de luchtspleet
d   alleen het elektrisch veld af te schermen
-


188

Wat is de juiste omschrijving voor de Wet van Ohm voor wisselspanning ?

a   stroomsterkte = impedantie x spanning
b   impedantie = spanning / stroomsterkte
c   stroomsterkte = impedantie / spanning
d   impedantie = spanning x stroomsterkte
-


189

Bij toenemende temperatuur zal:

a   U1 toenemenU2 afnemen
b   U1 constant blijvenU2 afnemen
c   U1 afgnemenU2 toenemen
d   U1 constant blijvenU2 afnemen
-


190

Welke van de materialen heeft de minste elektrische verliezen bij hoge frequenties ?

a   pertinax
b   polystyreen
c   papier
d   bakeliet
-


191

In de versterkertrap is een FET toegepast.
De waarde van Rs is:

a   Rs = Ud / Id
b   Rs = Ub / Id
c   Rs = Ugs / Id
d   Rs = Ugs-Ud  /  Id
-


192

Een buis is ingesteld in het werkpunt P.
De roosterspanning Ug is in de karakteristiek aangeduid.
De buisinstelling is:

a   klasse A zonder roosterstroom
b   klasse B zonder roosterstroom
c   klasse B met roosterstroom
d   klasse C met roosterstroom
-


193

Het vectordiagram behoort bij schakeling

a
b
c
d
-


194

Hier is een versterkertrap op 145 Mhz.
wat is juist?

a   C1 = keramisch   C2 = elektrolytisch
b   C1 = kunssttof     C2 = keramisch
c   C1 = keramisch   C2 = keramisch
d   C1 = keramisch   C2 = kunststof
-


195

De grafiek beschrijft het gedrag van:

a   PNP transistor
b   NPN transistor
c   zenerdiode
d   thrisistor
-


196

Een kenmerkende eigenschap van een zenerdiode is:

a   de hoge weerstand in de doorlaatrichting
b   de sterke lichtgevoeligheid in de sperrichting
c   de negatieve weerstand in de doorlaatrichting
d   de sterk toenemende stroom in de sperrichting
-


197

Voor de transistor geldt: Hfe = Ic/Ib = 100.
De stroom door de zenerdiode is ongeveer:

a   3 mA
b   5 mA
c   10 mA
d   15 mA
-


198

De FET is ingesteld in het werkpunt P.
De waarde van Rs is:

a   375 ohm
b   750 ohm
c   1 Kilo ohm
d   3 Kilo ohm\
-


199

Op de schakeling wordt een blokvormige spanning aangesloten.
Welk figuur stelt de uitgangsspanning U2 voor ?

a
b
c
d
-


200

Een veertien-deler kan men samenstellen uit:

a   een vier-deler en een tien-deler
b   een twee-deler en een zeven-deler
c   zeven twee-delers
d   twee zeven-delers
H02            2  Componenten            000-100
H02            2  Componenten            101-200
H02            2  Componenten            201-300


-