H02            2  Componenten            000-100
H02            2  Componenten            101-200
H02            2  Componenten            201-300
201

De FET is ingesteld in werkpunt P.
De steilheid S van de FET is:

a   0.3 mA/V
b   2 mA/V
c   6 mA/V
d   oneindig hoog
-


202

Op de ingang van een frequentievermenigvuldiger met een transistor wordt een sinusvormig signaal aangebracht.
Welke vorm heeft de collectorstroom ?

a
b
c
d
-


203

Voor een koelplaat voor tansistoren kan het beste gebruikt worden:

a   ijzer
b   aluminium
c   polystyreen
d   teflon
-


204

Een teller is opgebouwd uit een drietal D-geheugen elementen.
Het maximale aantal standen van deze teller is :

a   2
b   6
c   8
d   9
-


205

Van een frequentiedeler is het in- en uit-gangssignaal gegeven.
De schakeling vormt een:

a   2 deler
b   7 deler
c   8 deler
d   10 deler
-


206

Wat is de juiste uitgangscombinatie?

a   X = 0     Y = 1
b   X = 1     Y = 0
c   X = 0     Y = 0
d   X = 1     Y = 1
-


207

Onder elektromagnetisch inductie wordt verstaan:

a   de aantrekkingskracht tussen twee elektromagneten
b   het opwekken van een elektrische spanning in een spoel door een wisselend magnetisch veld
c   de aantrekkingskracht tussen twee stroomvoerende geleiders
d   de stroom die in een transformator het magnetisch veld opwekt
-


208

Het schema stelt voor:

a   een detector
b   een modulator
c   een discriminator
d   een somversterker
-


209

De hoogfrequentverliezen van een condensator zijn het kleinst met als dielectricum:

a   keramiek
b   papier
c   plastic folie
d   lucht
-


210

Met vijf tweedelers kan men maximaal tellen tot en met :

a   10
b   15
c   31
d   63
-


211

Deze schakeling kan worden vervengen door:

a   een Of-poort met genegeerde uitgang NOR
b   een EN-poort met genegeerde uitgang NAND
c   een EN-poort
d   een OF-poort
-


212

De uitgangsspanning Uuit met een siliciumtransistor is ongeveer:

a   7 V
b   7.7 V
c   6.3 V
d   8.4 V
-


213

het ontladen van een condensator vie een weerstand van 10 K
verloopt volgend de grafiek.
De waarde van de condensator is:

a   10000 pF
b   100000 pF
c   1 µF
d   10 µF
-


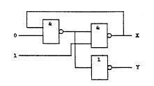
214

Van een EN-poort met genegeerde uitgang NEN worden de ingangen X en Y voorzien van de signalen in figuur 01
Het uitgangssignaal  verloopt volgens:

a
b
c
d
-


215

Het ontladen van twee geladen condensatoren verloopt volgens de grafiek.
Het ontladen vindt plaats met een weerstand van 100 Kilo-ohm.
Wat is juist ?

a   Cx = 1µF   en Cy = 2µF
b   Cx = 2µF   en Cy = 1 µF
c   Cx = 1µF   en Cy = 10 µF
d   Cx = 10µF en Cy = 1µF
-


216

Met 6 JK-elementen in een delerschakeling kunnen we een maximale deelfactor bereiken van:

a   6
b   12
c   35
d   64
-


217

De elektroden van een lood-accumulator (accu) zijn geplaatst in:

a   verdund zoutzuur
b   verdund chloor
c   verdund zwavelzuur
d   verdund peroxide
-


218

Een teller is opgebouwd uit een drietal D-geheugen elementen.
Het maximaal aantal standen van deze teller is:

a   3
b   6
c   8
d   9
-


219

Bij toenemende temperatuur zal:

a   U1 toenemen en U2 afnemen
b   U1 constant blijven en U2 toenemen
c   U1 afnemen en U2 toenemen
d   U1 constant blijven en U2 afnemen
-


220

In een geladen lood-accu staat er tussen de twee elektroden van één cel een spanningsverschil van ongeveer:

a   1,5V
b   1,25 V
c   2,25 V
d   4,5V
-


221

Een variabele condensator staat ingesteld op 500 pF en wordt opgeladen tot een spanning van 10 volt.
Daarna wordt de verbinding tussen condensator en voedingsbron verbroken.
Als de capaciteit wordt verminderd tot 250 pF, wordt de spanning over de condensator:

a   5 V
b   10 V
c   20 V
d   40 V
-


222

Wat is het uitgangspotentiaal op Q ?

a   0 V
b   -12 V
c   +10 V
d   -36 V
-


223

Van een deler voor digitale signalen is het in- en uitgangssignaal gegeven.
De schakeling vormt een:

a   2-deler
b   4-deler
c   5-deler
d   6-deler
-


224

De aantrekkingskracht tussen de weekijzeren staafjes en de magneet is:

a   in p groter dan in q
b   in p kleiner dan in q
c   in p even groot als in q
d   in p tegengesteld aan die in q
-


225

Een condensator van 1 µF is opgeladen tot een spanning van 12 V.
Aan deze condensator wordt een ongeladen condensator van 2 µ.F parallel geschakeld.
De spanning over de parallel geschakelde condensatoren bedraagt:

a   12 V
b   6 V
c   4 V
d   3 V
-


226

Van een frequentieverdrievoudiger met één transistor is gegeven dat de ingang gestuurd wordt met een 10 MHz signaal.
In de collectorstroom zijn onder andere aanwezig de frequenties:

a   10 MHz en 20 MHz
b   5 MHz en 15 MHz
c   15 MHz en 30 MHz
d   10 MHz en 25 MHz
-


227

Om de gevolgen van huideffect (skin-effect) te verminderen kan een spoel in de eindtrap van een amateurzender het best gewikkeld worden:

a   van verzilverd koperdraad
b   van aluminiumdraad
c   van koperdraad
d   met ruimte (spatie) tussen de windingen
-


228

Hoe groot is de spanning over de weerstand  ?

a   150 V
b   200 V
c   210 V
d   280 V
-


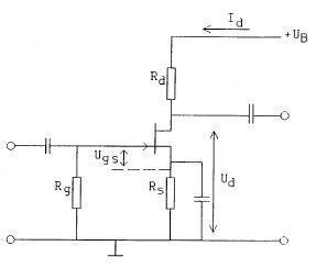
229

In de versterkertrap is een FET toegepast.
De waarde van Rs is:

a   Rs = Ud / Id
b   Rs = Ug / Id
c   Rs = Ugs / Id
d   Rs = Ugs – Ud / Id
-


230

Stelling 1:
De anodestroom van een triode radiobuis is afhankelijk van de roosterspanning.
Stelling 2:
De anodestroom van een triode radiobuis is afhankelijk van de anodespanning.
Wat is juist:

a   stelling 1 en 2
b   alleen stelling 1
c   alleen stelling 2
d   geen van beide stellingen
-


231

De spanningsbron levert een wisselstroom van 3 ampére.
De stroom door de condensator is 1 ampere.
Hoe groot is de stroom door de spoel?

a   1 A
b   2 A
c   3 A
d   4 A
-


232

De spanningsbronnen hebben een inwendige weerstand van 0 ohm.
De spanning over R wordt weergegeven door:

a
b
c
d
-


233

Indien een transistor wordt gebruikt als frequentie- vermenigvuldiger zal deze bij voorkeur worden ingesteld in:

a   klasse A
b   klasse B
c   klasse C
d   klasse AB
-


234

De karakteristiek behoort bij een:

a   transistor (NPN)
b   weerstand met positieve temperatuurscoefficent (PTC)
c   zenerdiode
d   weerstand met negatieve temperatuurscoefficient (NTC)
-


235

In de schakeling komt +5 V overeen met logisch 1 en 0 V met logisch 0.
De juiste waarheidstabel is:

a   tabel 4
b   tabel 3
c   tabel 2
d   tabel 1
-


236

Juist is:

a   X=0    en    Y=0
b   X=0    en    Y=1
c   X=1    en    Y=0
d   X=1    en    Y=1
-


237

De karakteristiek behoort bij een:

a   transistor (NPN)
b   weerstand met positieve temperatuurcoefficient (PTC)
c   zenerdiode
d   weerstand met negatieve temperatuurcoefficient (NTC)
-


238

De uitgangsspanning Uuit is:

a   U1 – U2
b   -(U1 + U2)
c   U2 – U1
d   U1 + U2
-


239

Dit schema is het basisprincipe van een:

a   EN-poort
b   NEN-poort
c   OF-poort
d   NOF-poort
-


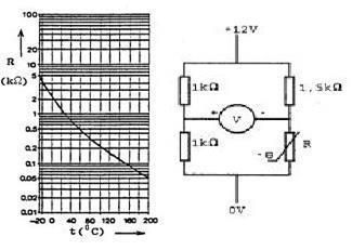
240

De voltmeter wordt ideaal verondersteld.
De temperatuur van de NTC-weerstand is 80°C.
De voltmeter wijst aan:

a   4V
b   4.5 V
c   6V
d   7,5 V
-


241

Om de zelfinductie van hf-spoelen te regelen worden veelal ijzerkernen toegepast.
Deze kernen bestaan bij voorkeur uit:

a   massief zacht ijzer
b   geïsoleerde ijzerplaatjes
c   geperst zuiver ijzerpoeder
d   van elkaar geïsoleerde ijzerpoederdeeltjes
-


242

De gelijkspanning tussen rooster en kathode van de triode wordt bepaald door de:

a   roosterlekweerstand Rg
b   ontkoppelcondensator Ck
c   rooster-kathodecapaciteit
d   anodestroom en kathodeweerstand Rk
-


243

Deze schakeling heeft een:

a   EN-functie
b   OF-functie
c   NOF-functie
d   NEN-functie
-


244

Een OpAmp is een:

a   gelijkstroomgekoppelde versterker met een zeer hoge ingangsimpedantie
b   wisselstroomgekoppelde versterker met een zeer hoge ingangsimpedantie
c   wisselstroomgekoppelde versterker met een zeer lage uitgangsimpedantie
d   gelijkstroomgekoppelde versterker met een zeer hoge uitgangsimpedantie
-


245

De ingangsfrequentie is 10 kHz.
De condensator wordt vervangen door een condensator van 1000 pF.
Hierdoor zal de versterking:

a   groter worden
b   kleiner worden
c   gelijk blijven
d   nul worden
-


246

De lekstroom is het grootst bij een condensator van het type:

a   mica
b   lucht
c   keramisch
d   elektrolytisch
-


247

De temperatuurcoëfficiënt van een condensator kan zijn:

a   alleen positief
b   alleen negatief
c   zowel positief als negatief
d   een temperatuurcoëfficiënt komt niet voor bij een condensator
-


248

Om de maximaal toelaatbare vermogensdissipatie van een weerstand te verhogen, kan men het beste de:

a   weerstand in een glazen lichaam opsluiten
b   weerstand NTC-eigenschappen geven
c   weerstand PTC-eigenschappen geven
d   weerstand op een koelplaat monteren
-


249

Een weerstand waarvan de weerstandswaarde sterk toeneemt bij toenemende temperatuur, is een:

a   NTC-weerstand
b   PTC-weerstand
c   Metaalfilmweerstand
d   Koolweerstand
-


250

Voor elk van de (ideaal veronderstelde) condensatoren is de maximale toelaatbare spanning 80V.
Wat is de hoogste waarde van de gelijkspanning die op deze schakeling mag worden aangesloten?

a   160V
b   40V
c   120V
d   80V
-


252

In de schakeling wordt de weerstand R vervangen door een weerstand met een tweemaal zo grote waarde.
De spoel L en de condensator C zijn verliesvrij.
De bandbreedte van de schakeling wordt hierdoor:

a   4x zo groot
b   2x zo klein
c   2x zo groot
d   niet gewijzigd
-


251

Op de schakeling wordt een blokvormige spanning U1 aangesloten.
De uitgangsspanning U2 wordt voorgesteld door:

a   3
b   2
c   4
d   1
-


253

Op de ingang is een puls-vormige spanning aangesloten.
De (onbelaste) uitgangsspanning is:

a   40/π V
b   20 V
c   40 V

d   10 V
-


254

In variabele condensatoren is het dielectricun vaak

a   lucht
b   geolied papier
c   ferriet
d   kwarts
-


255

Een condensator van 1 µF is opgeladen tot 400 volt.
De lading van de conden sator is

a   4x10-4 coulomb
b   4x10-1 coulomb
c   16x10-4 coulomb
d   16x10-1 coulomb
-


256

Van de onderstaande schakeling is gegeven
Ia = 100 mA
Ua = 50 V
Ub = 300 V
De waarde van de weerstand R is gelijk aan

a    0.5 K

b   1 K

c   2.5 K

d   3 K
-


257

Het doel van neutrodyniseren van een triode-eindtrap kan als volgt worden omschreven

a   aanpassen van de stuurttrap aan de eindtrap
b   compenseren van de capaciteit Cag
c   op de juiste frequentie afsatemmen aan de anodekring
d   verkleinen van de capaciteit Cgk
-


258

Voor een pentode geldt

a   de roosterruimte is altijd zeer klein
b   de inwendige weerstand is zeer hoog.
c   het ruisgetal is laag
d   de emissie is hoog
-


259

Dit is een

a   OF-poort OR
b   EN-poort AND
c   NOF-poort NOR
d   NEN-poort NAND
-


260

Juist is

a   x = 0   y = 0
b   x = 0   y = 1
c   x = 1   y = 1
d   x = 1   y = 0
-


261

Een amplitude gemoduleerd signaa lkan onvervormd worden versterkt door

a   een frequentievermenigvuldiger
b   een lineaire versterker
c   een versterker in klasse C
d   een niet-lineaire versterker
-


262

De impedantie karakteristiek van een kwartskristal rond de resonantiefrequentie op de grondtoon is aangegeven in

a   4
b   1
c   2
d   3
H02            2  Componenten            000-100
H02            2  Componenten            101-200
H02            2  Componenten            201-300


-
-


263

Bij een normale instelling is de weerstand tussen de gate en de source van een veldeffect transistor:

a   gelijk aan de steilheid S
b   gelijk aan de stroomversterking Hfe
c   zeer groot   
d   zeer klein