014

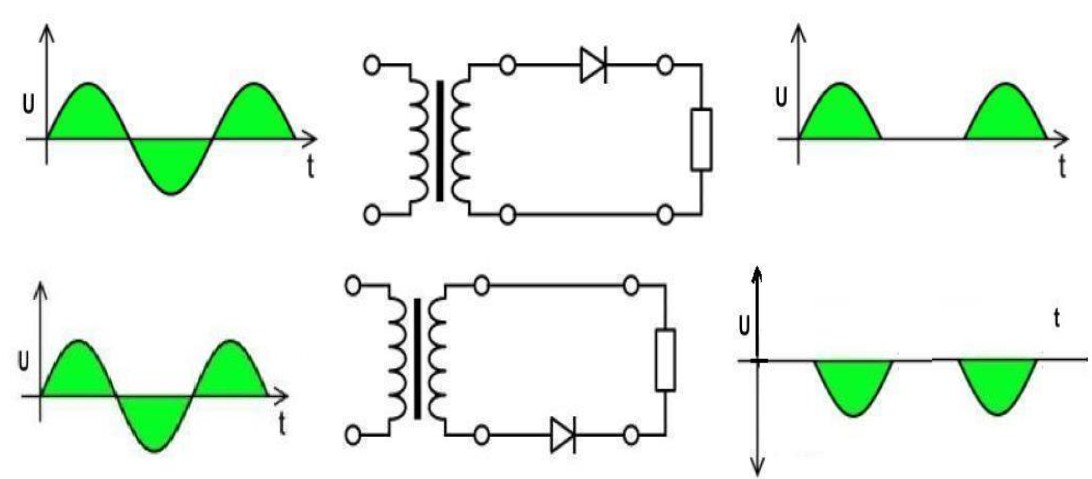
De wisselspanning tussen X en Y = 10 Veff
De spanning {onbelast} tussen P en Q is ongeveer

a   0   V
b   14 V
c   20 V
d  
28 V
+10v x Ѵ2 = 14V
-10v x Ѵ2 = -14V
          samen 28 volt
H02            2  Componenten