013

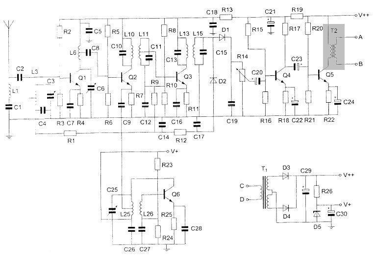
Transformator T2 dient voor het

a   aanpassen van de antenne
b   verkrijgen van de juiste voedingsspanning
c  
aanpassen aan de luidpreker-impedantie
d   opwekken van de BFO-spanning
H02            2  Componenten