001

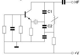
Welke schakeling oscilleert op de resonantiefrequentie van de LC kring ?
         
a   alleen X
b  niet X en niet Y
c   X en Y
d   alleen Y
-

002

De frequentiestabiliteit van een zender wordt vnl bepaald door:

a   de kring in de eindtrap
b   de mengtrap
c   de modulator
d   het kristal
-


003

Bij een werkende oscillator wordt aan de volgende voorwaarden voldaan:

a. rondgaande versterking groter dan 1 ; rondgaande fasedraaiing 180 graden
b. rondgaande versterking kleiner dan 1; rondgaande fasedraaiing 270 graden
c. rondgaande versterking gelijk aan 1; rondgaande fasedraaiing 360 graden
d. rondgaande versterking oneindig; rondgaande fasedraaiing 90 graden
-


004

ln een zenderstuurtrap wordt het signaal van een kristaloscillator gemengd met dat van een variabele oscillator.
Voor het zendbereik tussen 3,5 - 3,8 MHz komt de volgende combinatie in aanmerking:

a. kristaloscillator 2,6 MHz; variabele oscillator 1,2 - 1,5 MHz
b. kristaloscillator 3,5 MHz; variabele oscillator 200 - 500 Khz
c. kristaloscillator 4,0 MHz; variabele oscillator 400 - 700 Khz
d. kristaloscillator 9,3 MHz; variabele oscillator 5,5 - 5,8 MHz
-


005

Een symmetrisch blokvormig signaal, met een grondfrequentie van 1 kHz, bevat onder meer de volgende harmonischen:

a. 2 Khz,  4 Khz en 6 Khz
b. 3 Khz,  5 Khz en 7 Khz
c. 2 Khz,  2 Khz  en 4 Khz
d. 3 Khz,  4 Khz  en 5 Khz
-


006

In een 2-meter zender wordt het signaal van een 12Mhz oscillator vermenigvuldigd naar een zendfrequentie van 144Mhz.
De oscillator heeft een frequentieverloop van 12Hz per minuut.
de zendfrequentie verloopt in 10 minuten:

a   1440 Hz
b   144 Hz
c   120 Hz
d   10 Hz
-


007

De golflengte van de 3de harmonische van een 10 Mhz signaal is:

a   90 m
b   30 m
c   10 m
d   3.33 m
-


008

Een 432 Mhz zender bestaat uit een gemoduleerde oscillator op 18 Mhz, gevolgd door frequentievermenigvuldiger trappen.
De frequentiezwaai van het 432 Mhz signaal is 1440 Hz.
De frequentiezwaai van het oscillatorsignaal is:

a   1440 Hz
b   60 Hz
c   2880 Hz
d   450 Hz
-


009

De spanningsbron levert een wisselstroom van 3A.
De stroom door de condensator is 1A.
De stroom door de spoel is:

a   4 A
b   2 A
c   1 A
d   3 A
-


010

De serieresonantiefrequentie van deze schakeling wordt bepaald door:

a   C en L1
b   L1 en L2
c   C en L1 en L2
d   C en L2
-


011

Een overtone kristaloscillator oscilleert op:

a   een even harmonische frequentie
b   zowel oneven als even harmonische frquenties
c   de grondfrequentie
d   een oneven harmonische frequentie
-


012

Een hf-oscillator moet elektrisch en mechanisch stabiel zijn om te bereiken dat de  oscillator geen:

a   vervorming veroorzaakt
b   overmodulatie veroorzaakt
c   frequentieverloop vertoont
d   sleutelklikken genereert
-


013

De schakeling werkt als overtone-oscillator.
Stelling 1:  De kring is afgestemd op de tweede harmonische van het kristal
Stelling 2 : Het kristal werkt in serie-resonantie
Wat is juist?

a   1 en 2
b   1
c   geen
d   2
-


014

De schakeling werkt als een oscillator.
Stelling 1:
De kring is afgestemd op de tweede harmonische van het kristal.
Stelling 2:
Het kristal werkt praktisch in parallel-resonantie.
Wat is juist?

a   stelling 1en 2
b   stelling 2
c   geen van beide stellingen
d   alleen stelling 1
-


015

De frequentie waarop een oscillator werkt wordt voornamelijk bepaald door:

a   het versterkende element
b   de rondgaande versterking
c   de LC-combinatie
d   de terugkoppelfactor
-


016

Het aanbrengen van meekoppeling in een versterker kan tot gevolg hebben dat:

a.  de versterker ongevoeliger wordt
b.  de versterker gaat oscilleren
c.  de vervorming afneemt
d.  de versterker stabieler wordt
-


017

In de schakeling wordt de weerstand R vervangen door een weerstand met een tweemaal zo grote waarde.
De spoel L en de condensator C zijn verliesvrij.
De bandbreedte van de schakeling wordt hierdoor:

a.niet gewijzigd
b.2x zo groot
c.2x zo klein
d.4x zo groot
-


018

Een frequentieverdrievoudiger met één transistor wordt gestuurd met een 10 MHz-signaal.
In de collectorstroom zijn de volgende frequenties aanwezig:

a   15 MHz en 30 MHz
b   5 MHz en 15 MHz
c   10 MHz en 30 MHz
d   10 MHz en 25 MHz
-


019

Een oscillator BEGINT te oscilleren omdat:

a.   de rondgaande versterking precies 1 is
b.   een afgestemde kring aanwezig is
c.   er weinig stroomvariaties door ruis optreedt
d.   het teruggevoerde signaal 180-graden in fase is gedraaid
-


020

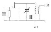
Welke schakeling is een oscillator?

a.   uitsluitend X
b.   uitsluitend Y
c.   zowel X als Y
d.   geen van beide
-


021

In een overtone oscillator zit een kristal met een grondfrequentie van 12 Mhz.
Het kristal trilt ongeveer op:

a   6 Mhz
b   12 Mhz
c   24 Mhz
d   36 Mhz
-


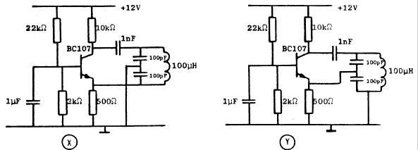
022

In de oscillatoren X en Y wordt frequentiemodulatie verkregen door eenzelfde laagfrequent signaal.
Behalve de aangegeven condensatoren hebben alle overeenkomstige onderdelen dezelfde waarden.
Welke bewering is juist?

a   X geeft een grotere frequentiezwaai dan Y
     de oscillatiefrequentie van X is lager dan die van Y
b   X geeft een kleinere frequentiezwaai dan Y
     de oscillatiefrequentie van X is hoger dan die van Y
c   X geeft een grotere frequentiezwaai dan Y
     de oscillatiefrequentie van X is hoger dan die van Y
d   X geeft een kleinere frequentiezwaai dan Y
     de oscillatiefrequentie van X is lager dan die van Y
-


023

Om een goede frequentiestabiliteit van een 2-meter zender te krijgen wordt bij voorkeur gebruik gemaakt van een oscillatorschakeling met:

A. een LC-seriekring
B. een kristal
C. een LC-parallelkring
D. een laagdoorlaatfilter in de uitgangsleiding
-


024

De frequentie van een oscillator wordt in hoofdzaak bepaald door:

A. de trillingskring
B. de rondgaande versterking
C. de stroomversterking van de transistor
D. het instelpunt in de Ic - Ib karakteristiek
-


025

C2 is vijf maal zo groot als C1.
De schakeling werkt:

A. als oscillator zowel met een kristal in parallel- als in serieresonantie
B. als oscillator met het kristal in parallelresonantie
C. als oscillator met het kristal in serieresonantie
D. niet als oscillator
-


026

Een kwartskristal gedraagt zich als:

A. een oscillator
B. een resonantiekring
C. een detector
D. een afvlakfilter
-


027

De LC-oscillator blijkt niet te werken.
De gelijkspanning wordt op enkele punten gemeten.
De waarden staan in het schema.
Het waarschijnlijke defect is:

a   L1 kortgeloten
b   C3 kortgesloten
c   L2 onderbroken
d   R2 onderbroken
-


028

De frequentiestabiliteit van een oscillator met een FET kan worden verbeterd door:

a   de gate-spanning te verkleinen
b   de gate-impedantie te verhogen
c   het afknijppunt te verleggen
d   de temperatuur variaties te verkleinen
-


029

De frequentiezwaai van het antennesignaal is 12 Khz.
De frequentiezwaai van de oscillator is:

a   4 Khz
b   36 Khz
c   12 Khz
d   3 Khz
-


030     030a

In een LC-oscillator vindt de positieve terugkoppeling van de uitgang naar de ingang gebruikelijk plaats door middel van een:

a   zenerdiode
b   capacitieve deler
c   neutrodyne condensator
d   NTC weerstand
-


031

Deze LC-schakeling heeft:

a   geen resonantiefrequentie
b   alleen een parallel-resonantie frequentie
c   alleen een serieresonantiefrequentie
d   zowel een parallel- als een serieresonantiefrequentie
-


032

Deze schakeling oscilleert op de frequentie bepaald door:

a   het X-tal in parallelresonantie
b   het X-tal in serieresonantie
c   C1, C2 en R1
d   C1, C2 en L1
-


033

In de praktijk wordt met de condensator:

a   de kwaliteitsfactor ingesteld
b   de afstemming ingesteld
c   de weerstand ontkoppeld
d   de tijdconstante ingesteld
-


034

In een LC-oscillator vindt de positieve terugkoppeling van de uitgang naar de ingang gebruikelijk plaats door een:

a   spoel met aftakking
b   NTC-weerstand
c   neutrodyne condensator
d   zener-diode
-


035

Dit blokschema toont een:

a   amplitude modulator
b   digitale VFO
c   PLL-schakeling
d   productdetector
-


036

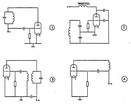
Welke van de volgende schakelingen kan op een vooraf bepaalde frequentie gaan oscilleren:

a   1
b   2
c   3
d   4
-


037

U draait aan de afstemknop van een middelgolf-omroepontvanger met een middenfrequentie van 452 kHz.
Op een aantal plaatsen wordt de modulatie van een naburige amateurzender hoorbaar, die werkt in de 80 meter band.
Welke van de volgende conclusies is juist?

a   de onderdrukking van de harmonischen van de zender is onvoldoende;
b   het zendersignaal wordt gemengd met harmonischen van de oscillator van de ontvanger
c   ontvangst vindt. plaats op de spiegelfrequenties van de ontvanger;
d   de voedingslijn van de zendantenne straalt
-


038

De frequentie stabiliteit van een oscillator verbeterd door:

a   de roosterspanning te verkleinen
b   het afknijppunt van de buis te verleggen
c   de temperatuurvariaties te verkleinen
d   de spanning variaties van de voeding te vergroten
-


039

De frequentie stabiliteit van een oscillator kan worden verbeterd door:

a   de roosterspanning te verkleinen
b   het afknijppunt van de buis te verleggen
c   de temperatuurvariaties te verkleinen
d   de spanningsvariaties van de voeding te vergroten
-


040

De frequentie van het door een oscillator afgegeven signaal wordt bepaald door:

a   de trillingskring
b   de buis of halfgeleider
c   de rondgaande versterking
d   het opgenomen vermogen
-


041

Van een frequentieverdrievoudiger met een triode is gegeven dat de ingang gestuurd wordt met een 10 Mhz signaal.
In de anaodestroom zijn  aanwezig de frequenties:

a   10 Mhz     30 Mhz
b   5 Mhz       10 Mhz
c   15Mhz       30 Mhz
d   10 Mhz      25 Mhz
-


042

Een blokvormig signaal waarvan de frequentie 1000 Hz is, omvat naast de grondfrequentie de volgende harmonischen:

a   100 Hz
b   500 Hz
c   3000 Hz
d   3500 Hz
-


043

In de oscillatoren X en Y wordt frequentiemodulatie verkregen door eenzelfde laagfrequent signaal.
Welke bewering is juist

a   X geeft een grotere frequentiezwaai dan Y
     de gemiddelde frequentie van X en Y is gelijk
b   X geeft een kleinere frequentiezwaai dan Y
     de gemiddelde frequentie van X en Y is gelijk
c   X geeft een grotere frequentiezwaai dan Y
     de gemiddelde frequentie van X is hoger dan die van Y
d   X geeft een kleinere frequentiezwaai dan Y
     de gemiddelde frequentie van X is kager dan die van Y
-


044

Indien een schakeling oscilleert, moet onder meer aan de volgende voorwaarde zijn voldaan:

a   de rondgaande versterking moet kleiner zijn dan 1
b   de rondgaande versterking moet gelijk zijn aan 1
c   de rondgaande versterking moet 180 graden zijn
d   de rondgaande versterking moet 90 graden zijn
-


045

De frequentie waarop een oscillator werkt wordt voornamelijk bepaald door:

a   de LC combinatie
b   het versterkende element
c   de rondgaande versterking
d   de terugkoppelfaktor
-


046

Om de frequentiedrift van een VFO zo klein mogelijk te maken kan men:

a   alleen de voedingsspanning aansluiten wanneer dit werkelijk vereist is
b   de voedingsspanning van de VFO stabiliseren
c   een laagdoorlaatfilter opnemen achter de VFO
d   de afgegeven spanning zo hoog mogelijk houden
-


047

Van een frequentieverdrievoudiger met een transistor is gegeven dat de ingang gestuurd wordt met een 10 Mhz signaal.
In de collectorstroom zijn onder andere aanwezig de frequenties:

a   10 Mhz20 Mhz
b   5 Mhz15 Mhz
c   15 Mhz30 Mhz
d   10 Mhz25 Mhz
-


048

De schakeling kan worden afgestemd met:

a   weerstand R1
b   capaciteit C
c   weerstand R2
d   weerstanden R1 en R2
-


049

Een gesloten tilholte voor hoge frequenties kan dienen als:

a   een afgestemde kring
b   antenne
c   energieverstertker
d   mengtrap
-


050

Welke schakeling oscilleerd ?

a   X
b   Y
c   X en Y
d   geen
-


051

Een frequentieverdrievoudiger met een transistor wordt gestuurd met de frequentie f.
In de oscillatorstroom zijn de volgende frequenties aanwezig:

a   f en 3f
b   f en 1/3f
c   f en 1/2f
d   1/3f en 3f
-


052

Welke schakeling werkt als overtone oscillator?

a   geen van beide
b   alleen X
c   alleen Y
d   zowel X als Y
-


053

De schakeling werkt als overtone-oscillator.
Stelling 1:
De kring is afgestemd op de tweede harmonische van het kristal,
Stelling 2:
Het kristal werkt in serie-resonantie.
Wat is juist?

a   stelling 1 en 2
b   alleen stelling 1
c   alleen stelling 2
d   geen van beide stellingen
-


054

De schakeling werkt als oscillator.
Stelling 1:
De kring is afgestemd op de tweede harmonische van het kristal
Stelling 2:
Het kristal werkt praktisch in parallel-resonantie.
Wat is juist?

a   stelling 1 en 2
b   alleen stelling 1
c   alleen stelling 2
d   geen van beide stellingen
-


055

C2 is vijf maal zo groot als C1.
De schakeling werkt:

a   als oscillator zowel met een kristal in parallel- als in serieresonantie
b   als oscillator met het kristal in parallelresonantie
c   als oscillator met het kristal in serieresonantie
d   niet als oscillator
H3 06 Oscillator
-


056

De oscillator in een superheterodyne ontvanger

a   wekt de hulpfrequentie voor de mengtrap op
b   scxheidt de zijbanden van de draaggolf
c   zorgt voor de spiegelonderdrukking
d   bepaalt de versterking van de eerste middenfrequenttrap