032

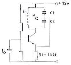
Deze schakeling oscilleert op de frequentie bepaald door:

a   het X-tal in parallelresonantie
b  
het X-tal in serieresonantie
c   C1, C2 en R1
d   C1, C2 en L1
H3 06     Oscilator
H3 06     Oscilator