053

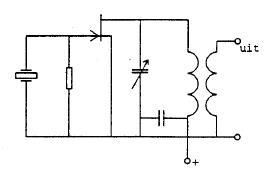
De schakeling werkt als overtone-oscillator.
Stelling 1:
De kring is afgestemd op de tweede harmonische van het kristal,
Stelling 2:
Het kristal werkt in serie-resonantie.
Wat is juist?

a   stelling 1 en 2
b   alleen stelling 1
c   alleen stelling 2
d  
geen van beide stellingen
H3 06     Oscilator