001

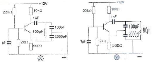
Welke schakeling oscilleert op de resonantiefrequentie van de LC kring?
         
a  alleen X
b  niet X en niet Y
c   X en Y
d  
alleen Y

X kan niet oscilleren ,
hangt direkt aan massa
H3 06     Oscilator