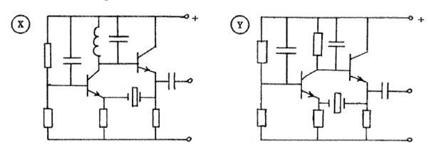
052

Welke schakeling werkt als overtone oscillator?

a   geen van beide
b  
alleen X
c   alleen Y
d   zowel X als Y
H3 06     Oscilator