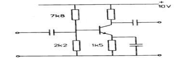
039     Versterking Tr
001

De spanning over de weerstand Rc is:

a   20 V
b   0.2 V
c   19.8 V
d   9.8 V
-

002

De uitgangsspanning Uuit van de schakeling is ongeveer:

a   8.4 V
b   6.3 V
c   7 V
d   7.7 V
-


003

Van de transistor is de β =100.
De spanningsversterking van de schakeling is ongeveer:

a   100
b   20
c   5
d   1
-


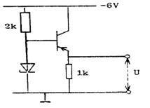
004

Voor de transistor geldt: Ube = -0.5 v.
De zener-spanning is -2 v.
De spanning U is:

a   -2.5 v
b   -1.5 v
c   0 V
d   -6 v

-

005

Voor een transistor geldt: Ube =0,7 V.
De basisstroom is te verwaarlozen.
Uce is:

a   4,3 V
b   5,0 V
c   0,7 V
d   10,7 V
-


006

De stroomversterkingsfactor is ongeveer ?

a   5
b   10
c   50
d   100
-


007

Voor een koelplaat voor transistoren kan het beste gebruikt worden:

a   ijzer
b   aluminium
c   polystereen
d   teflon
-


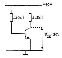
008

In de onderstaande figuur is het schema van een transistor schakeling weergegeven.
De transistor is ideaal verondersteld.
De spanning tussen emitter en collector (Uce) is gelijk aan:

a   20 V
b   10 V
c   8 V
d   0.5 V
-


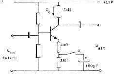
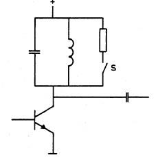
009

Hier is een gedeelte van een versterker schakeling getekend.
Door het sluiten van de schakelaar S wordt:

a   de versterking groter     de bandbreedte groter
b   de versterking kleiner    de bandbreedte groter
c   de versterking groter     de bandbreedte kleiner
d   de versterking kleiner    de bandbreedte kleiner
-


010

De formule voor wiselstroomversterking van een transistor in GES is:

a   Ic / Ie
b   Ie / Ib
c   Ic / Ib
d   Ie / Ic
-


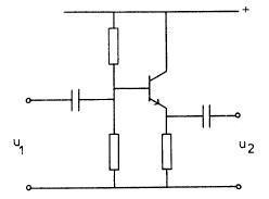
011

Voor de schakeling geldt:

a   U2 is groter dan U1 in tegenfase met U1
b   U2 is groter dan U1 in fase met U1
c   U2 is kleiner dan U1 in tegenfase met U1
-d   U2 is kleiner dan U1 in fase met U1
-


012

De getekende schakeling stelt een versterkertrap voor, werkend op 145 Mhz.
Wat is juist?

a   C1 is een keramische C   C2 is een elco
b   C1 is een gewikkelde C    C2 is een keramische C
c   C1 is een keramische C   C2 is een keramische C
d   C1 is een keramische C   C2 is een gewikkelde C
-


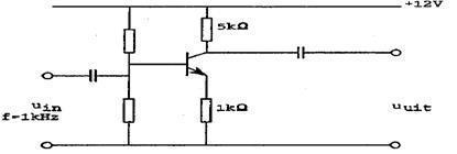
013

Rc heeft een waarde van:

a   0.5 Kohm
b   1 Kohm
c   2.5 Kohm
d   3 Kohm
-


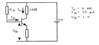
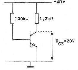
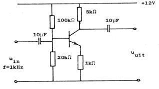
014

In de figuur is het schema van een transistor versterker weergegeven.
De transistor is ideaal verondersteld.
De waarde van Rb is:

a   2 kilo-ohm
b   5 kilo-ohm
c   195 kilo-ohm
d   245 kilo-ohm
-


015

Voor de transistor geldt Ube = -0.5 v.
De zenerspanning Is 2 V.
De spanning U is:

a   -1,5 V
b   -6 V
c   0 V
d   -2,5 V
-


016

In de laagfrequent versterker schakeling is een silicium transistor toegepast.
Wat is de meest geschikte waarde voor de collector weerstand?

a    1 K

b   3.9 K

c   10 K

d   30 K
-


017

Wat is de spanning U als de transistor spert  ?

a   0 volt
b   2 volt
c   8 volt
d   10 volt
-


018

Het vermogen dat de transistor dissipeert is ongeveer:

a   25 mW
b   30 mW
c   36 mW
d   60 mW



019

De stroomversterking Hfe is ongeveer:

a   5
b   10
c   50
d   100
-


020

Van de transistor is de Hfe = 100.
De spanningsversterking van deze schakeling is ongeveer:

a   100
b   20
c   5
d   1
-


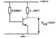
021

In de figuur is het schema van een transistorversterkerschakeling gegeven.
De transistor is ideaal verondersteld.
De waarde van Rb is:

a   2 kilo-ohm
b   5 kilo-ohm
c   195 kilo-ohm
d   245 kilo-ohm
-


022

Van een transistor in gemeenschappelijke emittor schakeling is de stroomversterkingsfactor Hfe = 70.
In gemeenschappelijke basis schakeling is de stroomversterkingsfactor:

a   70
b   1.014
c   0.986
d   1/70
-


023

Voor de transistor geldt: Ube = -0.5 volt.
De zenerspanning is 2 volt.
De spanning U is:

a   -1.5 volt
b   -2.5 volt
c   -6 volt
d   0 volt
-


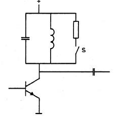
024

Indien schakelaar S wordt gesloten, dan is na enige tijd:

a   de spanningsversterking 2x zo groot
b   de spanningsversterking 2x zo klein
c   de collectorgelijkstroom 2x zo groot
d   de collectorgelijkstroom 2x zo klein
-


025

De stroomversterkingsfactor is ongeveer:

a   5
b   10
c   50
d   100
-


026

Voor de transistor geldt:Ube = 0.7 v.
De basisstroom is te verwaarlozen.
Uce =

a   0.55 v
b   5.5 v
c   8.5 v
d   13 v
-


027

Van een transistor in gemeenschappelijke- emitterschakeling is de stroomversterkingsfactor  ß = 70.
In gemeenschappelijke-basisschakeling is de stroomversterkingsfactor xb van deze transistor:

a   70
b   1,014
c   0,986
d   1/70
-


028

Van een pentode, ingesteld in klasse A, is het verband tussen Ia en Up gegeven bij een anodeweerstand van 5000 ohm.
De spanningsversterking is:

a   10 maal
b   20 maal
c   50 maal
d   250 maal
-


029

De voltmeter wijst 5 volt aan en heeft een inwendige weerstand van 2 K
.
Van de transistor is de ß = 100.
De ingangsweerstand R1 is ongeveer:

a   0.5 K

b   2 K

c   10 K

d   20 K
-


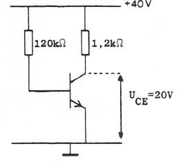
030

De waarde van Rb is:

a   60 kilo-ohm
b   120 kilo-ohm
c   160 kilo-ohm
d   180 kilo-ohm
-


031

De waarde van de weerstand Rc is:

a   0,5 kilo-ohm
b   2 kilo-ohm
c   2,5 kilo-ohm
d   3 kilo-ohm
-


032

Van de transistor is de ß = 100.
De spannings versterking van deze schakeling is ongeveer:

a   100
b   20
c   5
d   1
-


033

Door het sluiten van de schakelaar wordt

a   de versterking groter   de bandbreedte groter
b   de versterking kleinerr   de bandbreedte kleiner
c   de versterking kleiner   de bandbreedte groter
d   de versterking groter   de bandbreedte kleiner