De condensator
┘
Het gedrag van condensatoren op gelijkstroom
Wanneer een condensator verbonden wordt met een gelijkspanningsbron zal deze zich beginnen op te laden.
De opbouw van de lading op zijn platen gebeurt op een voorspelbare manier die afhankelijk is van de capaciteit en de weerstand in serie waarlangs de condensator zich aan het opladen is.
Wat is belangrijk?
De RCt RC-tijd R x C RCt = R x C = sec
vol -= 5RCt
Laden van een condensator
Indien we een condensator op een gelijkspanningsbron aansluiten dan zal de laadstroom van deze condensator niet constant blijven.
Bij het aansluiten van de spanning zal de laadstroom in het begin zeer groot zijn.
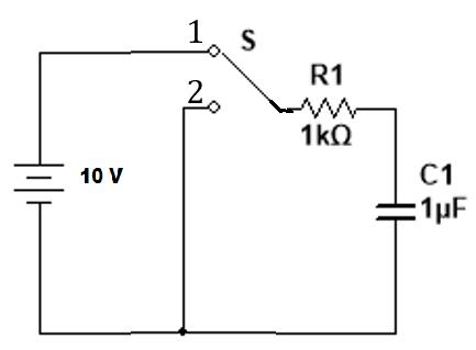
Figuur 1
Bepalen van de laadstroom :
De condensator bevat op het moment dat de schakelaar in stand 1 wordt geschakeld nog geen lading (start met een lege C )
Het gevolg hiervan is dat de volledige bronspanning op dit eerste moment over de weerstand moet staan (spanningswet van Kirchhoff).
Vanaf het moment dat de stroom door de weerstand vloeit kan je de stroom berekenen.
Als op het moment de schakelaar in stand 1 wordt gebracht, is op dat moment de stroom te vinden via de wet van Ohm :
I = U / R 10 / 1K = 10 mA Casino fx-82NL
Dit is de maximale laadstroom die er zal vloeien tijdens het laden van de condensator.
Deze stroom wordt de maximale stroom genoemd.
Naarmate dat de condensator zich verder aan het opladen is zal de stroom ook steeds meer en meer dalen.
Op het moment dat de condensator volledig is opgeladen ( 5 X RC )staat de volledige bronspanning over de condensator.
Hierdoor is er geen spanningsval meer over de weerstand en is de stroom erdoor gelijk aan nul.
Eens is de condensator volledig opgeladen en gedraagt deze zich als een open schakelaar voor de gelijkstroom en wordt deze niet meer doorgelaten.
Hoe zit het nu met de grootte van de laadstroom?
Vanaf het moment dat de schakelaar in stand 1 is gebracht, vloeit er een stroom naar de condensator.
Op het eerste moment is deze maximaal , daarna zal de stroom afnemen tot 0 A als de C geladen is.

De spanning over de condensator
Wanneer je de stroom I vermenigvuldigt met de weerstand R U = I x R ,
krijg je de spanning over de C.
Ua = UR + Uc
Uc = Ua - UR
Figuur 2
Als er stroom vloeit, staat alle spanning over de weerstand.
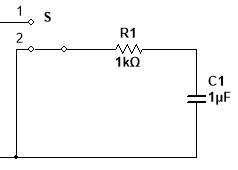
Ontladen van een condensator:
De condensator kan ontladen worden als de schakelaar in stand 2 komt.
Figuur 3
Figuur 4
Vanaf dit moment zal er een ontlaadstroom vloeien door de weerstand die tegengesteld is aan de laadstroom
De condensator fungeert als spanningsbron met de weerstand als belasting.
Door deze stroom zal het ladingsverschil op de twee platen verminderen waardoor ook het spanningsverschil tussen de twee platen zal dalen.
Zolang er een spanning over de C blijft , is er ontlaadstroom.
Is er geen spanning meer , is er ook geen stroom meer.
laad- en ontlaadstroomverloop van de C:
Figuur 5
laad- en ontlaadspanningsverloop van de C:
Figuur 6
RCt = R x C = sec
RCt = 1K x 1µ = 1 ms
5RCt = 5 x 1ms = 5 ms
In 5 milli-seconde is de C "vol"
┘
LES 10