--Condensator--Uitgelicht ---
De Condensator uitgelicht: (de JBF* methode).
Na de wet van onze vriend Ohm gaan we een stap verder en blijkt het zo te zijn dat een wisselspanning- en stroom 'uit elkaar' kunnen worden getrokken.
De 'boosdoener' hier is de Condensator.
Een voorbeeld met water:
Een Centrale Verwarmingsinstallatie is voorzien van een Expansievat.
Het expansievat is in beginsel vergelijkbaar met een condensator.
Als we de CV moeten vullen doen we dat door de installatie op druk (= Spanning) te brengen.
Het expansievat op het plaatje heeft een Rubber (en tot op zekere hoogte rekbaar) membraan, dat is het zwarte gedeelte in de bovenste helft van het reservoir.

In de getekende situatie is de druk / spanning in de ruimte boven het membraan nul want er is niets op aangesloten.
Om het systeem op druk / spanning te brengen moeten we de bovenkant op de waterleiding aansluiten.
Wat gaat er dan gebeuren?
Als we de kraan open zetten staat de druk/spanningsmeter nog op nul. Vervolgens horen we het water vrij hard gaan stromen en begint het vat zich (bovenin) op te vullen.
Langzaamaan zal de druk/spanning op de meter op gaan lopen en de stroomsnelheid afnemen.
Het membraan geeft tegendruk omdat de ruimte onder het membraan ook op druk/spanning komt en tegen gaat werken (= druk/spanning opbouwen).
Dus net zoals bij een Condensator loopt de (water)stroom vóór op de druk/spanning. Op het einde is de (water)stroom nul en de spanning/druk maximaal.
Eérst stroom, dan spanning.
De eerste regel:
Bij een Condensator is de FASEVERSCHUIVING tussen spanning en stroom altijd 90 graden.
Nog een belangrijk gegeven:
Eérst loopt er stroom en 90 graden later is de Condensator op spanning.
De stroom loopt dus altijd 90 graden vóór op de spanning.
De Condensator wordt opgeladen en gedraagt zich (zo ongeveer als bij een oplaadbare batterij) als een spanningsbron.
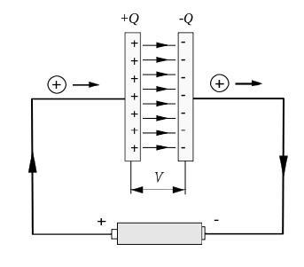
Figuur 1
Figuur 2
De condensator is verbonden met een staafbatterij waardoor de platen van de condensator geladen zijn met elektrische ladingen +Q en −Q, wat gepaard gaat met een elektrisch veld (pijltjes) tussen de platen
Als we tijdens het opladen met de batterij een lampje tussen de batterij en de Condensator aansluiten zal het lampje branden omdat er stroom begint te lopen.
Als de Condensator op spanning is dan stopt de stroom en gaat het lampje uit!
Als we de batterij vervolgens omdraaien zal de Condensator eerst leeglopen (er loopt stroom en het lampje zal weer branden).
Vervolgens wordt de Condensator weer (in omgekeerde richting) opgeladen en brandt het lampje nog steeds TOTDAT hij weer op spanning is en de stroom weer stopt.
Als we de batterij vervangen voor een Wisselspanningbron wisselt de polariteit met bv. wel 100x per seconde en zien we niet meer dat de lamp aan en uit gaat (terwijl de lamp echt aan en uit gaat).
Figuur 3
Een C bestaat uit 2 platen, met een isolatie ertussen:.
┘