jj_02_02_001-Casio fx-85NL
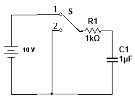
I = U / R     10 / 1K         
Uitleg raadplegen

CASIO-fx-82NL
I = U / R     10 / 1K         


10            1exp3             0.01          
ENG-notatie           10exp-3     =    10 milli Ampère