-
01
http://www.iwab.nu/jj_03_02_006v_008.html
De schakeling stelt voor:
a hoogdoorlaat filter
b laagdoorlaat filter
c band filter
d frequentie onafhankelijk filter
Lage freq gaan door
Hoge freq naar beneden = massa
-
02
http://www.iwab.nu/jj_03_02_006v_001.html
Dit is een schema van een:
a bandfilter
b hoogdoorlaatfilter
c laagdoorlaatfilter
d frequentie onafhankelijke verzwakker
De weerstanden remmen alle freq een beetje
Door de spoel naar massa gaat alle LF.en hoge freq kunnen er niet door.
Dus er komt alleen HF uit.
-
03
http://www.iwab.nu/jj_03_02_006v_003.html
Dit is het schema van een:
A. banddoorlatend filter
B. bandsperrend filter
C. hoogdoorlatend filter
D. laagdoorlatend filter
Door een spoel gaat geen HF
Door een C gaat geen LF
HF in = HF door de C naar de uitgang.
LF in door de speol
LF niet door de C , dus LF = weg naar massa
-
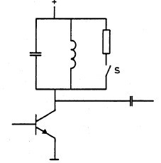
04
http://www.iwab.nu/jj_03_02_006v_010.html
Dit is het schema van een
a somversterkere
b laagdoorlaatfilter
c bandoorlaatfilter
d hoogoorlaatflter
een C laat geen lf door
-
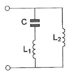
05
http://www.iwab.nu/H6_052.html
Om een eindversterker aan de coaxkabel aan te passen is het meest algemeen bruikbare aanpassingsnetwerk:
a. netwerk 4
b. netwerk 1
c. netwerk 2
d. netwerk 3
Een low-pass-filter
Extra uitleg:
Dit is een pi-filter.
De andere netwerken kunnen niet want:
netwerk 1= frequentie onafhankelijke verzwakker
netwerk 2 en netwerk 3 zijn bandfilter
-
06
http://www.iwab.nu/033-036.html
De resonantiefrequentie van de schakeling wordt beinvloed door
a capaciteit C
b weerstand R2
c weerstand R1
d weerstanden 1 en 2
de weerstanden staan niet in de formule
-
07
http://www.iwab.nu/033_023.html
De weerstand dissipeert het grootste vermogen bij een frequentie van ongeveer:
a 320 Hz
b 160 Hz
c 6400 Hz
d 3200 Hz
Bij Fres, immers serie XL=0
f.res = 1 / [2*π*√(L*C)]
f.res = 1 / [2*π*√(0.5*2exp-6)] = 160 Hz
-
08
http://www.iwab.nu/033_009.html
De resonantiefrequentie van de schakeling is ongeveer ?
a 3.2 Khz
b 1.6 Khz
c 63 Khz
d 32 Khz
f.res = 1 / [2*π*√(L*C)]
1/(2*3.14√(0.1*0.1exp-6) = 1592 Hz = ca 1.6 Khz
-
09
http://www.iwab.nu/jj_02_03_007v_007.html
Onafhankelijk van de waarden van de onderdelen geldt bij resonantie:
a. Ur = Ul
b. Ur = Ub
c. Ur = Uc
d. Ul = Ub
Serie kring
Bij Fres is de Z van de (L en de C) nul Ohm
Dus alleen R de weerstand blijft over.
-
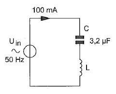
10
http://www.iwab.nu/029_003.html
De spoel heeft een gelijkstroomweerstand van 40 Ohm
De reactantie XL is 1 Kohm
De ingangsspanning is ongeveer:
a 104 V
b 204 V
c 100 V
d 4 V
U = I x R
U = I x Z
Z = √R2 + [Xl - Xc]2
Xc = 1/(2 pi f C)
Xc = 1/( 2 pi 50 3.2exp-6) =995 Ohm
Z = √ 402 + [1000 - 995]2
Z= √ 1600 +25 = 40 Ohm
U = I x Z
U = 100exp-3 x 40 = 4 Volt
-
11
http://www.iwab.nu/jj_03_02_009v_002.html
Een kwartskristal gedraagt zich onder andere als:
a detector
b afvlakfilter
c resonantiekring
d oscillator
Een X-tal is een spoel en C samengesteld
-
12
http://www.iwab.nu/053-004.html
Van een seriekring in resonantie wordt de serieweerstand vergroot van Rs = 10 ohm naar Rs = 20 ohm.
De kwaliteitsfactor Q wordt hierdoor:
a 2x kleiner
b niet veranderd
c 2x groter
d 4x groter
Qs = X / Rs
-
13
http://www.iwab.nu/035_002.html
Dit is de frequentiekarakteristiek van een resonantiekring
De kwaliteitsfactor [Q] van deze kring bedraagt
a 16.7
b 25
c 100
d 50
De bandbreedte loopt van 99 tot 101 Khz
dus 2 Kc breed
De fc is hier 100 Khz
Q = f.res / BW = 100/2=50
-
14
http://www.iwab.nu/035_001.html
De Q-factor van een spoel heeft vooral betrekking op de
a verhouding diameter spoel / diameter draad
b bereikbare selectiviteit
c eigen capaciteit van de spoel
d hoogst mogelijke resonantiefrequentie
Q = f.res / BW
-
15
http://www.iwab.nu/035_007.html
Een spoel van 2µH met een draadweerstand van 0.1 ohm wordt toegepast op een frequentie van 2 Mhz.
De Q-faktor van de spoel is ongeveer:
a 0.1
b 20 *10-6
c 250
d 2.5
Q = (2 x Pi x f x L) / R
XL=2*pi*f*L = 2*3.14*2exp6*2exp-6 =25.12 = 25Ω
Q = 25 / 0.1 250
-
16
http://www.iwab.nu/035_008.html
Van de serieschakeling wordt de weerstand kortgesloten.
De kwaliteitsfactor wordt hierdoor:
A. groter
B. kleiner
C. niet beïnvloed
D. bepaald door de amplitude van de aangelegde spanning
Qs = XL / Rs
Q = (2 x Pi x f x L) / R
-
17
http://www.iwab.nu/029-030.html
Een seriekring met hoge Q gedraagt zich op zijn resonantiefrequentie als een:
a. hoge weerstand
b. kortsluiting
c. lage weerstand
d. oneindig hoge weerstand
Seriekring , we kijken naar de weerstandswaarden
Bij resonantie zijn de XL en de XC evengroot en werken elkaar tegen
Serie is dus 0 Ohm
-
18
http://www.iwab.nu/H3-149.html
Dit is het schema van een:
a banddoorlaat filter
b band sperrend filter
c hoog doorlaat filter
d laag doorlaat filter
spoel spert hf en laat lf door
condensator spert lf en laat hf door
-
19
http://www.iwab.nu/jj_03_02_007v_004.html
In een laagfrequent versterker wenst men signalen met frequenties boven het hoorbare gebied te onderdrukken.
Welk filter wordt toegepast?
a filter 2
b filter 1
c filter 3
d filter 4
lage frequenties gaan NIET door een C , wel door een L
hoge frequenties gaan Niet door een L , wel door een C

-
20
http://www.iwab.nu/033_004.html
Om de resonantiefrequentie van de kring een factor 2 te verhogen. moet de regelspanning op de varicap gewijzigd worden van
a 12.5 V naar 20 V
b 5 V naar 20 V
c 10 V naar 5 V
d 20 V naar 5 V
f.res = 1 / [2*pi*wortel(L*C)]
Stel L = 10
Bij 5 volt = 80 pF
Bij 20 volt = 20 pF
Fres=1/[2.pi.√(L.C)] 1/[2.pi.√10.80exp-6] = 5.627 Hz
dan L = 10 C = 20 pF
Fres=1/[2.pi.√(L.C)] 1/[2.pi.√10.20exp-6] = 11.254 Hz dus hoger
11.254 delen door 5.627 = 2 keer
Extra uitleg:
De grafiek laat zien: hoe hoger de spanning, hoe kleiner de capaciteit
fres = 1/2π√LC
fres verhogen met een factor 2, dan moet C een factor 4 kleiner worden (staat onder √-teken).
Varicap: 80pF/4 = 20pF, U van 5V naar 20V ==> frequentie neemt toe met een factor 2

-
21
http://www.iwab.nu/033-027.html
Een seriekring van hoge kwaliteit heeft een resonatiefrequentie van 100 Mhz.
Bij 90 Mhz gedraagt deze kring zich als een :
a condensator
b doorverbinding
c weerstand
d spoel
Bij Fres zijn de XL en de Xc evengroot
Bij een serieschakeling kijken we naar de weerstands-waarden
Bij een lagere freq gaat de XL kleiner worden >>> dus de XC wordt groter
Serie: de grootste weerstandswaarde wint
-
22
http://www.iwab.nu/033-034.html
Bij een frequentie, hoger dan de resonantiefrequentie, is de impedantie van deze seriekring:
a inductief
b capacitief
c ohms
d maximaal
Seriekring , we kijken naar de weerstands-waarden
Als de frequentie stijgt , stijgt de XL en daalt de XC
Bij hogere frequenties wint de weerstandswaarde van de spoel
-
23
http://www.iwab.nu/H3_024.html
De spanning over de spoel is
a 200 V
b 100 V
c 400 V
d 300 V
Serie
L en C werken elkaar 180 graden tegen
Ut = Ul - Uc
Ul = Ut + Uc
Ul = 300+100 = 400V
-
24
http://www.iwab.nu/029-026.html
Bij resonantie is de impedantie Z
a 1000 Ohm
b 91 Ohm
c 1100 Ohm
d 100 Ohm
Bij f-res is de impedantie van L en C nul, dus de 1000 Ohm is kortgesloten
Blijft alleen de R van 100 Ohm over
-
25
http://www.iwab.nu/029_001.html
De impedantie Z is bij resonantie
a 141 Ohm
b 100 Ohm
c 200 Ohm
d 50 Ohm
Bij fres is de spoel van 1 µH en de condensator van 1000 pF 0Ω (SERIE)
Bij fres is de spoel van 0.5 µH en de condensator van 2000 pF 0Ω (SERIE)
Blijven 2 weerstanden over van elk 100 Ω parallel
Rv = 1 /(1/R1+1/R2)
Rv = 1 /(1/100+1/100) = 50Ω
-
26
http://www.iwab.nu/029-016.html
De impedantie Z is bij resonantie?
a 75 Ω
b 100 Ω
c 300 Ω
d 400 Ω
SERIE resonantie = kortsluiting
De 100 weerstand doet niet meer mee
R = dan 300 Ω
-
27
http://www.iwab.nu/033_007.html
Indien van een seriekring de zelfinductie wordt verdubbeld, zal de resonantiefrequentie :
a gehalveerd worden
b ⱱ2 maal zo laag worden
c verdubbeld worden
d ⱱ2 maal zo hoog worden
f.res = 1 / [2*pi*wortel(L*C)]
Stel L =10 C = 4
√LC - Ѵ40 = 6.3 Fres=1/[2.pi.√(L.C)]
1/[2.pi.√40] = 0.025 Hz
dan L =20 C = 4
√LC = √80 = 8.9 Fres=1/[2.pi.√(L.C)]
1/[2.pi.√80] = 0.018 Hz dus lager
0.025 delen door 0.018 = 1.38 keer <<<< √2 = 1.4
-
28
http://www.iwab.nu/033_014.html
Indien bij een seriekring de zelfinductie en de capaciteit beiden 2 maal zo groot worden gemaakt, zal de resonantiefrequentie:
a gehalveerd worden
b 2 maal zo hoog worden
c 4 maal zo hoog worden
d gelijk blijven
f.res = 1 / [2*pi*wortel(L*C)]
Stel L =10 C = 4
√LC - √40 = 6.3 Fres=1/[2.pi.√(L.C)]
1/[2.pi.√40] = 0.025 Hz
dan L = 20 C = 8
√LC = √ 160 = 12.6 Fres=1/[2.pi.√(L.C)]
1/[2.pi.√160] = 0.0125 Hz dus lager
0.025 delen door 0.0125 = 2 keer
-
29
http://www.iwab.nu/H3_076.html
Deze LC-kring, parallel aan de ingang van de ontvanger, dient om:
a de bandbreedte van de ontvanger te verkleinen
b de versterking van de ontvanger te vergroten
c een storend signaal uit te filteren
d de bandbreedte van de ontvanger te vergroten
C en L aan de ingang
Filteren een verkeerd signaal aan de ingang
stroom-resonatie afvoeren naar massa
C = instelbaar op het storende signaal
-
30
http://www.iwab.nu/H3_036.html
Welke karakteristiek behoort bij een hoogdoorlaatfilter
a 1
b 2
c 3
d 4
a 1 = laagdoorlaat
b 2 = hoogdoorlaat
c 3 = bandsper
d 4 = banddoorlaat
-
31
http://www.iwab.nu/033_008.html
lndien van een parallelkring de capaciteit 4 maal zo groot wordt zal de resonantiefrequentie :
a. 4 maal zo hoog worden
b. 2 maal zo hoog worden
c. gereduceerd worden tot een kwart
d. gehalveerd worden
f.res = 1 / [2*pi*wortel(L*C)]
Stel L =10 C = 4
√LC - √40 = 6.3 Fres=1/[2.pi.√(L.C)]
1/[2.pi.√40] = 0.025 Hz
dan L =10 C = 16
√LC = √ 160 = 12.6 Fres=1/[2.pi.√(L.C)]
1/[2.pi.√160] = 0.01125 Hz dus lager
0.025 deledn door 0.0125 = 2 keer
-
32
http://www.iwab.nu/033_006.html
Indien bij een parallekring de zelfinductie 2 maal zo groot en de capaciteit 2 maal zo klein wordt gemaakt, zal de resonantiefrequentie:
a 2 maal zo hoog worden
b gehalveerd worden
c gelijk blijven
d 4 maal zo hoog worden
f.res = 1 / [2*pi*wortel(L*C)]
Stel L =10 C = 4
√LC - √40 = 6.3 Fres=1/[2.pi.√(L.C)]
1/[2.pi.√40] = 0.025 Hz
dan L = 20 C = 4
√LC - √40 = 6.3 Fres=1/[2.pi.√(L.C)]
1/[2.pi.√40] = 0.025 Hz
ѴLC - Ѵ40 = 6.3 Fres=1/[2.pi.Ѵ(L.C)]
1/[2.pi.√40] = 0.025 Hz
√40 = 6.33
-
33
http://www.iwab.nu/033_001.html
Indien van een parallelkring de capaciteit gehalveerd wordt zal de fres
a 2 maal zo hoog worden
b √2maal zo hoog worden
c √2maal zo laag worden
d gehalveerd worden
f.res = 1 / [2*pi*wortel(L*C)]
Stel L =10 C = 4
√40 = 6.3 Fres=1/[2.pi.√(L.C)]
1/[2.pi.√40] = 0.025 Hz
dan L = 10 C = 2
√LC = √ 20 = 4.4 Fres=1/[2.pi.√(L.C)]
1/[2.pi.√20] = 0.036 Hz dus hoger
0.036 delen door 0.025 = 1.44 keer <<<< √2 = 1.41
-
34
http://www.iwab.nu/H03_06_033.html
In de praktijk wordt met de condensator:
a de kwaliteitsfactor ingesteld
b de afstemming ingesteld
c de weerstand ontkoppeld
d de tijdconstante ingesteld
met de C stemmen we de kring af
-
35
http://www.iwab.nu/048_018.html
De schakeling stelt een parallelkring voor.
De stroom IL door de spoel en de stroom IC door de condensator zijn tov elkaar:
a niet in fase verschoven
b 900 in fase verschoven
c 1800 in fase verschoven
d 2700 in fase verschoven
Een C en een L werken elkaar tegen
-
36
http://www.iwab.nu/039-009.html
Hier is een gedeelte van een versterker schakeling getekend.
Door het sluiten van de schakelaar S wordt:
a de versterking groter de bandbreedte groter
b de versterking kleiner de bandbreedte groter
c de versterking groter de bandbreedte kleiner
d de versterking kleiner de bandbreedte kleiner
Schakelaar open
we hebben een parallelkring met geen stroom door R , dus onbelast
Scakelaar gesloten
er gaat stroom door de R
de kring wordt belast en de spanning daalt
De versterking wordt kleiner en de BB groter

-
37
http://www.iwab.nu/033_013.html
De kring is in resonantie.
Na het sluiten van de schakelaar wordt:
a. de spanning U2 groter en de bandbreedte van de kring groter
b. de spanning U2 kleiner en de bandbreedte van de kring groter
c. de spanning U2 groter en de bandbreedte van de kring kleiner
d. de spanning U kleiner en de bandbreedte van de kring kleiner
Schakelaar open, U2 is onbelast
Schakelaar dicht, U2 wordt belast en er loopt stroom door R
meer stroon, dus minder spanning.
De BB van een parallelkring zonder R is smaller
dan wanneer we kring gaan belasten.
De BB neemt toe.
-
38
http://www.iwab.nu/052_006.html
Van een parallelkring wordt de parallelweerstand R verwijderd
De kwaliteitsfactor wordt hierdoor
a onveranderd
b groter
c kleiner
d afhankelijk van de frequentie
Qp = Rp / Xl
wanneer der Rp weggaat Q kleiner en de bb groter
-
39
http://www.iwab.nu/054_001.html
De 3 Db bandbreedte van een parallelkring met een resonantiefrequentie van 21 MHz en een Q van 70 is:
a 1470 Khz
b 600 Khz
c 300 Khz
d 150 Khz
B = f0 / Q
f0 = 21 Mhz
Q = 70
B = 21exp6/70 = 300 Khz
Q = fres / bb
bb = fres / Q = 21MHz / 70 = 300 kHz
-
40
http://www.iwab.nu/054_003.html
De bandfilters P en Q zijn gelijk.
De bandbreedte van de schakeling wordt bepaald door:
a bandfilter P
b bandfilters P en Q
c de versterker V
d bandfilter Q
filter P laat alleen maar dat toe aan de versterker wat versterkt moet worden
versterker V versterkt een juist signaal
filter Q laat het juiste signaal door, evt foutjes uit de versterker V worden er uit gefilterd
-
41
http://www.iwab.nu/052_003.html
De kring is in resonantie waarvoor geldt
2pi.f = 2000000
De kwaliteitsfactor Q van deze kring is:
a 200
b 20
c 50
d 0.02
XL = 2 x pi x f x L
XL = 2000000x200 mu =400 Ohm
Qs = XL / Rs 400/2 =200.
-
42
http://www.iwab.nu/034-006.html
In de schakeling wordt de weerstand R vervangen door een weerstand met een tweemaal zo grote waarde.
De spoel L en de condensator C zijn verliesvrij verondeersteld.
De bandbreedte wordt hierdoor:
a tweemaal zo klein
b niet gewijzigd
c tweemaal zo groot
d viermaal zo groot
Qp = Rp / Xl
R gaat van laag naar hoog
De Q wordt hoger dus de BB smaller
-
43
http://www.iwab.nu/jj_03_02_004v_001.html
Een (ideale) parallelkring is in resonantie.
De weerstand R van 10 Kohm wordt vervangen door een weerstand van 20 Kohm.
De kwaliteitsfactor Q van de schakeling wordt hierdoor:
a 2*kleinder
b 4*groter
c niet veranderd
d 2*groter
Qp = Rp / X
-
44
http://www.iwab.nu/052_004.html
In de kring wordt de waarde van R gehalveerd.
De bandbreedte wordt hierdoor:
a 4 x zo groot
b 2 x zo klein
c niet gewijzigd
d 2 x zo groot
Qp wordt de helft
dus de BB wordt verdubbeld
-
45
http://www.iwab.nu/jj_06_02_003v_005.html
Een parallelkring heeft een resonantiefrequentie van 100 MHz.
Voor een signaal van 90 MHz gedraagt deze kring zich als een:
a weerstand
b spoel
c condensator
d doorverbinding
-
46
http://www.iwab.nu/048_012.html
De stroom door de weerstand is?
a 4A
b 2A
c 12A
d 8A
Parallel de Len de C werken elkaar tegen 5-2 = 3A
It = 5 A
Ir = 4 A
It2 = Ir2 + Ix2
Ir2 = It2 - Ix2 = 52 - (5-2)2 = 25 - 9 = 16
Ir = Ѵ16 = 4 A
-
47
http://www.iwab.nu/jj_02_03_006v_005.html
De spanningsbron levert een wisselstroom van 3A.
De stroom door de condensator is 1A.
De stroom door de spoel is:
a 4 A
b 2 A
c 1 A
d 3 A
Parallel. de stromen werken elkaar tegen, er is stroom door de spoel of door de condensator.
It = Ix - Ix , grootste - de kleinste
Ispoel = It + Ic = 3 + 1 = 4 A
-
48
http://www.iwab.nu/033_002.html
Deze L-C kring heeft
a zowel een parallel- als een serieresonantiefrequentie
b alleen een serieresonantiefrequentie
c geen resonantiefrequentie
d alleen een parallel resonantiefrequentie
Serie C en L1
Parallel C en Lv = 1/ L1+L2
-
49
http://www.iwab.nu/033_010.html
De parallelresonantiefrequentie van deze schakeling wordt bepaald door:
a L1 en L2
b C en L2
c C en L1
d C en L1 en L2
-
50
http://www.iwab.nu/033_012.html
De serieresonantiefrequentie van deze schakeling wordt bepaald door:
a L1 en L2
b C en L2
c C en L1
d C en L1 en L2
-
51
http://www.iwab.nu/033_015.html
Bij een bepaalde frequentie is de kring in resonantie en de impedantie Z zeer hoog.
Deze frequentie wordt geheel bepaald door:
a L C1 en C2
b L en C2
c L en C1
d C1 en C2
-
52
http://www.iwab.nu/033_021.html
De spoelen zijn onderling niet gekoppeld.
De resonantiefrequentie van kring Q is:
a gelijk aan die van kring P
b 2 maal die van kring P
c 0.5 maal die van kring P
d 4 maal die van P
f.res = 1 / [2*pi* Ѵ (L*C)]
√ 2L x 0.5 C =1
√ L x C = 1
-
53
http://www.iwab.nu/029_009.html
De impedantie Z is bij resonantie:
a 100 Ω
b 1100 Ω
c oneindig hoog
d 1000 Ω
Zonder de weerstanden is het oneindig hoog
nu hoog , belast met 1100 Ω
Extra uitleg:
De impedantie van een parallelkring is bij fres hoog, dus verandert er niets.
Ideaal gezien kun je LC wegdenken en wordt de impedantie Z = 1000Ω + 100Ω = 1100Ω
-
54
http://www.iwab.nu/033_003.html
In het filter zijn de 3 seriekringen in resonantie op de daarbij aangegeven frequenties
Het filter
a laat 2000 Hz en 4000 Hz door
b laat 2000 Hz door en spert 4000Hz
c spert 2000 Hz en 4000 Hz
d spert 2000 Hz en laat 4000 Hz door
1 Laat de freq door
2 Laat de freq door naar massa - dus spert
-
55
http://www.iwab.nu/H3_110.html
Om de in het hf-spectrum ingenomen bandbreedte te beperken wordt in de modulatieversterker van een EZB-zender een laagdoorlaat- en een hoogdoorlaatfilter opgenomen.
De gebruikelijke afsnijfrequenties van deze filters bedragen:
a hoogdoorlaat fc 600 Hz laagdoorlaat fc 1800 Hz
b hoogdoorlaat fc 300 Hz laagdoorlaat fc 3000 Hz
c hoogdoorlaat fc 50 Hz laagdoorlaat fc 15000 Hz
d hoogdoorlaat fc 0 Hz laagdoorlaat fc 6000 Hz
De LF bandbreedte USB = laag 300Hz , laag 3000Hz
voor LSB = laag 3000Hz , hoog 300Hz
-
56
http://www.iwab.nu/H3_119.html
Dit type filter is een
ä pi-filter
b T-filter
c hoogdoorlaat-filter
d bandsper-filter
Een T-filter is de hoog-impedante tegenhanger van een Pi-filter.
Een Pi-filter is laag impedant
-
57
http://www.iwab.nu/H3_118.html
Twee kringen van een bandfilter zijn onderkitisch gekoppeld.
De spanning U over de secundaire als functie van de frequentie wordt gegeven door:
a 4
b 2
c 1
d 3
-
58
http://www.iwab.nu/H3_056.html
De spanning U over de secundaire van 2 overkritisch gekoppelde kringen. als functie van de frequentie, is gegeven door
a schema 1
b schema 2
c schema 3
d schema 4
-
59
http://www.iwab.nu/jj_03_02_006v_007.html
De schakeling stelt voor:
a laagdoorlaat filter
b banddoorlaat filter
c bandsper filter
d frequentie-onfhankelijke verzwakker
-
60
http://iwab.nu/034_004.html
Welke frequentiekarakteristiek behoort bij de middenfrequent versterker van een 2-meter band ontvanger?
a karakteristiek 1
b karakteristiek 2
c karakteristiek 3
d karakteristiek 4
1= bandsper op 10.7 Mhz
2= banddoorlaat op 145 Mhz (smal)
3= spraakdoorlaat 200-3000 Hz
4= MF doorlaat op 10.7 Mhz
-
61
http://www.iwab.nu/H3-177.html
Dit pifilter . dat tussen de eindtrap van een zender en de antenne is geschakeld ,
heeft onder andere als effect dat
a de eindtrap wordt geneutroniseers
b over modulatie wordt voorkomen
c harmonischen worden onderdrukt
d het zendvermogen wordt gestabiliseerd
de harmonischen worden onderdrukt
-
62
http://www.iwab.nu/H3_112.html
Tussen een zender en de coaxiale voedingslijn naar een meerband antenne is
een pi-filter opgenomen.
Het doel van dit filter is:
a het galvanisch scheiden van de eindtrap van de zender en de voedingslijn
b het aanpassen van de zenderuitgang op de belasting en het onderdrukken van harmonischen
c uitsluitend het aanpassen van de zenderuitgang op de belasting
d uitsluitend het verzwakken van harmonischen in het uitgezonden signaal
PI filter
aanpassen en harmonische onderdrukken

-
63
http://www.iwab.nu/Waarden-006.html
Dit filter behoort tot een 3,7 MHz zender-eindtrap.
Bij een aangesloten belasting van 50 Ω is Z ongeveer:
a 1.000 Ω
b 50 Ω
c 10.000 Ω
d 10 Ω
UITLEG 1
f = 3.7exp6 Hz
Xc1 = 1/2pi f C = 1/ 2*3.14*3.7exp6 *463exp-12 = 93 ohm
Xl = 2 x 3.14 x 3.7exp6 x 5exp-6 = 116 Ω
XC2 = 1/ 2*3.14*3.7exp6x1852exp-12 = 23 ohm
23:93 = 1:4
De stroom door de laatste C is 4 keer groter dan de stroom door de eerste C
De stroom door de eerste C is 4 keer kleiner dan de stroom door de laatste C
Héél ruwweg is de impedantie omgekeerd evenredig met het kwadraat van de capaciteit.
Dus: capaciteit links 4x zo klein als rechts, dan impedantie links 42 zo groot als rechts.
Z = 1 / C2
Z links aan de ingang is 42 groter dan Z rechts
>>> 42 = 16 keer groter.
R = 50 >>> links is 16*50 = 800 Ohm
Kijken we naar de antwoorden, dan kiezen we 1000 Ohm.
-------------------------------------------------------------------------------------------------------------
UITLEG 2
Een vuistregel is, als je mag aannemen dat het pi-filter werkt
(dus geen onzin-waarden bevat en op de juiste frequentie wordt gebruikt):
Héél ruwweg is de impedantie omgekeerd evenredig met het kwadraat van de capaciteit.
Dus: capaciteit links 4x zo klein als rechts, dan impedantie links 16x zo groot als rechts.
16x50 is 800, dus 1000 ohm is de juiste orde van grootte.
---------------------------------------------------------------------------------------------------------------------
UITLEG 3
Bij hoge Q factor , is de kringstroom aanzienlijk hoger dan de belastingstroom.
Bij benadering geldt dat:
Ic(links) = Ic(rechts) = IL
Uc(links) / Uc(rechts) =4
De ingangsspanning is 4x zo hoog als de spanning over RL(50 Ohm).
Iin is dus 4x lager dan Iuit.
De R aan de ingang moet dus hoger zijn.
En wel 16x hoger
16*50 = 800 ohm
dus hier 1000 ohm.

-
64
http://www.iwab.nu/H9_051.html
Dit is het blokschema van een FM-relaisstation.
Het filter aan de zenderuitgang voorkomt:
a blokkering door de draaggolf op 145,6 MHz
b ontvangststoring door faseruis van de zender
c een te grote frequentiezwaai
d het uitzenden van harmonischen
zenderuitgang ontvangststoring door faseruis van de zender
ontvangeringang blokkering door de draaggolf op 145.6 Mhz
-
65
http://www.iwab.nu/H5_062.html
Dit is het blokschema van een FM-relaisstation.
Het filter aan ontvangeringang voorkomt:>
a lekken van oscillatorsignaal van de ontvanger
b blokkering door de draaggolf op 145.6 Mhz
c ontvangststoring door faseruis van de zender
d ontvangst van de spiegelfrequentie
zenderuitgang ontvangststoring door faseruis van de zender
ontvangeringang blokkering door de draaggolf op 145.6 Mhz
┘
┘
Sectie 10
┘