Sectie 11
┘
-
01
http://www.iwab.nu/H2_043.html
De "Oervorm" van een NPN-transistor is de "twee-dioden" schakeling in
a schakeling 1
b schakeling 2
c schakeling 3
d schakeling 4
De "Oervorm" van een PNP-transistor is de "twee-dioden" schakeling in schakeling 1
-
02
http://www.iwab.nu/H2_101.html
De stroomversterking van PNP- en NPN-transistoren zal bij toenemende frequentie
ä afnemen
b toenemen
c gelijk blijven
d eerst afnemen en daarna weer toenemen
De transistor heeft 3 lagen met overgangn die als capacteit optreden
XC = 1/ 2πfC
Als de frequentie toeneemt wordt Xc minder en neemt de stroom toe , de versterking af
-
03
http://www.iwab.nu/H2_06_ABC_020.html
Voor een PNP-transistor in klasse A geldt:
a de basisspanning is tov de emittor positief
b de collectorspanning is tov de emittor positief
c de basis-spanning is tov de collector negatief
d de collectorspanning is tov de emittor negatief
Basis emittor is negatieve waarde
-
04
http://www.iwab.nu/H2_019.html
Als een NPN-transistor in klasse C ingesteld en er is geen inganganssignaal aanwezig dan
a is het spanningsverschil tussen collector en emittor minimaal
b loopt er maximale stroom van collector naar emittor
c loopt er maximale basisstroom
d loopt er geen stroom van collector naar emittor
De basis-emittor staat dicht dus geen stroom op emittor en niet op de collector
-
05
http://www.iwab.nu/H03_06_018.html
Een frequentieverdrievoudiger met één transistor wordt gestuurd met een 10 MHz-signaal.
In de collectorstroom zijn de volgende frequenties aanwezig:
a 15 MHz en 30 MHz
b 5 MHz en 15 MHz
c 10 MHz en 30 MHz
d 10 MHz en 25 MHz
F1 10 Mhz
F3 30 Mhz
F5 50 Mhz
F7 70 Mhz
F9 90 Mhz
-
06
http://www.iwab.nu/jj_02_06_007v_008.html
Kenmerkend voor een gemeenschappelijke basisschakeling is:
a lage ingangsimpedantie en lage uitgangsimpedantie
b hoge ingangsimpedantie en hoge uitgangsimpedantie
c lage ingangsimpedantie en hoge uitgangsimpedantie
d hoge ingangsimpedantie en lage uitgangsimpedantie
c
-
07
http://www.iwab.nu/H02_06_017.html
Een transistorversterker in gemeenschappelijke basisschakeling heeft:
a een grote stroomversterking
b een lage uitgangsimpedantie
c een geringe dissipatie
d een lage ingangsimpedantie
In en uitgang-impedantie van GBS.
Zin = Laag.
Zuit = Hoog.
Spanning versterking !
stroomversterker = 1<
-
08
http://www.iwab.nu/jj_02_06_007v_005.html
De transistor staat in:
A GES
b GCS
c GDS
d GBS
De basis wordt niet gebruikt voor de in- of uit-gang
-
09
http://www.iwab.nu/jj_02_06_007v_011.html
Een transistor in gemeenschappelijke collector schakeling (emittervolger) heeft:
a een lage ingangsimpedantie
b een hoge ingangsimpedantie
c een lage lekstroom
d een hoge basis-emitter spanning
-
10
http://www.iwab.nu/jj_02_06_007v_010.html
Dit is een transistor in:
a GBS
b GES
c geaarde basis schakeling
d GCS
In = basis
uit = collector
-
11
http://www.iwab.nu/H02_06_010.html
De transistor staat geschakeld in:
a.gemeenschappelijke basis-schakeling (GBS)
b.een combinatie van GBS en GES
c.gemeenschappelijke collectorschakeling (GCS)
d.gemeenschappelijke emitterschakeling (GES)
In op de basis
Uit op de collector
Emittor wordt niet gebruikt voor de sturing
-
12
http://www.iwab.nu/H02_06_006.html
Dit type schakeling heeft een:
a spanningsversterking vrijwel gelijk aan 1
b uitgangsweerstand gelijk aan R
c stroomversterking veel kleinder dan 1
d spanningsversterking veel groter dan 1
IN op de basis
UIT op de emittor
Het is een GCS en die is stroomversterkend, dus spanningsversterking is ca 1
-
13
http://www.iwab.nu/039-011.html
Voor de schakeling geldt:
a U2 is groter dan U1 in tegenfase met U1
b U2 is groter dan U1 in fase met U1
c U2 is kleiner dan U1 in tegenfase met U1
d U2 is kleiner dan U1 in fase met U1
GCS
de collector aan de +
stroomversterker // spanningversterking is <1
-
14
http://www.iwab.nu/H2_124.html
Van de transistor is de hfe = 100.
Welke bewering is juist?
a U1 = 0,1V U2 = 0.1 V en hebben dezelfde fase
b U1 = 0 V U2 = 10 V
c U1 = 0,1 V U2 = 0.1 V en hebben tegengestelde fase
d de ingangsspanning is te klein om enig effect te hebben op U1 en U2
IN op de Basis
UIT op de Emittor = GCS
Stroomversterker.
U Versterking = 1
Ue = UUIT = 0.1V
In en uitgang in fase.
----------------------------------------------------------------------------------------
IN op de Basis ,
UIT op de Collector = GES
Stroom versterking en Spanning versterking
Uc = UUIT = 0.1 V
Uitvoer heeft een faseverschil van 180° met de invoer.
In en uitgang in tegenfase.
-
15
http://www.iwab.nu/H03_03_008.html
Om een gastabiliseerde spanning op punt P te verkrijgen moet punt 1 worden doorverbonden met:
a punt 4
b punt 5
c punt 3
d punt 2
-
16
http://www.iwab.nu/H2_105.html
Voor de transistor geldt: Ube = -0.5 V
De zenerspanning is 2 V.
De spanning U is:
a -1,5 V
b -2,5 V
c 0 V
d -6 V
Over de zener 2 V
dus ook aan de basis 2V
Ube =-0.5
dus uc = 2-0.5 = 1.5 V
PNP is negatief dus -1.5 V
-
17
http://www.iwab.nu/H2_018.html
De uitgangsspanning Uuit van de schakeling met een SI-transistor is ongeveer
a 5.6 V
b 8.4 V
c 6.2 V
d 5.0 V
op de basis 5.6v
diode overgang 0.6 V
5.6-0.6=5v
-
18
http://www.iwab.nu/039_002.html
De uitgangsspanning Uuit van de schakeling is ongeveer:
a 8.4 V
b 6.3 V
c 7 V
d 7.7 V
op de basis 7 V
verlies over Tr 0.7 V
>>>>> 7-0.7 = 6.3 V
-
19
http://www.iwab.nu/H3_058.html
De collectorstroom is 100 mA
De stroom op het punt ? is ???
a 50 mA
b 25 mA
c 100 mA
d 7 mA
Er loopt 100mA door de Collector
Er gaat dus 100mA door de weerstand van 100 Ohm
en ook door de totale weerstand van de onderste 3 weerstanden
[Rt=1/ 1/200+1/400+1/400]
De stroom gaat zich verdelen
in 50 mA door de 200 Ohm weesrtand
in 25 mA door de 400 Ohm weerstand
en 25 mA door de 400 Ohm weerstand
totaal dus 100mA
-
20
http://www.iwab.nu/H3_012.html
De collctorstroom is 100 mA
De stroom I =??
a 25 mA
b 50 mA
c 12.5 mA
d 5 mA
Goed kijken
100 mA door de onderste weerstand
dus 100 mA door de drie weerstanden die parallel staan
door de bovenste 50 Ohm gaat 50 mA
en 50 mA door de 2 van 100 Ohm samen
Dus de 50 mA door de 2 100 Ohm weerstanden wordt weer verder verdeeld nl in 2x 25 mA
-
21
http://www.iwab.nu/H2_091.html
De waarde van de weerstand Rc is:
a 0.5 KΩ
b 2.5 KΩ
c 2 KΩ
d 3 KΩ
Uce = 5 V
Er staat dus 30 - 5 = 25 V over Rc
R = U / I = 25/10 mA = 2.5 KΩ
-
22
http://www.iwab.nu/H2_055.html
Het vermogen dat de transistor dissipeert is ongeveer
a 24 mW
b 20 mW
c 12 mW
d 10 mW
Ic = 2 mA
Ie = ca 2 mA
Pc = [I*I] * Rc = [2exp-3 * 2exp-3] * 5exp3 = 20exp-3 = 20 mW
Pe = [I*I] * Re = [2exp-3 * 2exp-3] * 1exp3 = 4exp-3 = 4 mW
URc = Ic * Rc = 2mA * 5Kohm =10 V
URe = Ie * Re = 2mA * 1Kohm = 2 V
...>>>dus de tr eet 12 V op !! bij een stroom van 2mA
Ptr = Itr * Utr = 2mA * 12V = 24 mW
-
23
http://www.iwab.nu/H2_115.html
Het vermogen dat de transistor dissipeert is ongeveer:
a 30 mW
b 60 mW
c 35 mW
d 25 mW
Uc = Ic * Rc = 5 mA * 1Kohm = 5 V
Ue = Ie * Re = 5 mA * 200 Ohm = 1 V
12 - 5 - 1 =6 V over de Tr
P= U* I = 6 *5mA = 30 mW
-
24
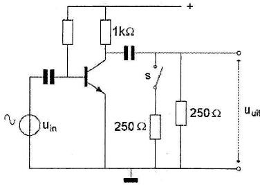
http://www.iwab.nu/039-033.html
Door het sluiten van de schakelaar wordt
a de versterking groter de bandbreedte groter
b de versterking kleinerr de bandbreedte kleiner
c de versterking kleiner de bandbreedte groter
d de versterking groter de bandbreedte kleiner
onbelast wordt belast
de versterking minder
de bb groter
-
25
http://www.iwab.nu/039-017.html
Wat is de spanning U als de transistor spert?
a 0 volt
b 2 volt
c 8 volt
d 10 volt
geen basisspanning, dus spert deze
8/10 x 10 = 8 V
-
26
http://www.iwab.nu/H8_067.html
De voltmeter wijst aan:
a 5 v
b 2 v
c 10 v
d 0 v
PNP
Rt = R1 + R2 = 100 + 500 = 600Ω
I = U/Rt = 12/600 = 20 mA
UR = Ir * R = 20 mA * 500 = 10 V
-
27
http://www.iwab.nu/H8-106.html
De voltmeter wijst 5 volt aan en heeft een inwendige weerstand van 2 KΩ.
Van de transistor is de ß = 100.
De ingangsweerstand Ri is ongeveer:
a 10 kΩ
b 2 kΩ
c 0,5 KΩ
d 200 KΩ
Hfe = 100
Uitgang = 2 Kohm
Dus ingang 100 x groter
-
28
http://www.iwab.nu/jj_02_06_001v_004.html
De meter wijst 100uA aan.
Ie = 20 mA.
Hoe groot is Ic?
Ie = Ib+Ic
Ic = Ie - Ib
Ic = 20 mA - 100uA
Ic = 20exp-3 - 100exp-6 =19.9exp-3 = 19.9 mA
-
29
http://www.iwab.nu/jj_02_06_001v_001.html
Ib is 200 uA
Ie is 18 mA
De collectorstroom IC is?
a 18.2 mA
b 20 mA
c 18 mA
d 17.8 mA
Ie = Ic + Ib
Ic = Ie - Ib !!!
-
30
http://www.iwab.nu/jj_02_06_003v_005.html
De transistor is niet in verzadiging.
De 100 Ω weerstand wordt vervangen door een weerstand met een 3 maal zo kleine waarde.
Het opgenomen elektrisch vermogen in die weerstand:
a. wordt 9 maal zo klein
b. wordt 3 maal zo groot
c. blijft gelijk
d. wordt 3 maal zo klein
P = I2 *R 30W
P = I2 * 1/3R 10W
wanneer de weerstand 3* kleiner wordt
-
31
http://www.iwab.nu/jj_02_06_003v_006.html
Indien de punten X en Y worden doorverbonden:
a. blijft de collectorstroom gelijk
b. neemt de emitterstroom toe
c. neemt de collectorstroom toe
d. neemt de collectorstroom af
X aan de nul
De tr werkt heel niet
-
32
http://www.iwab.nu/H2_079.html
De collectorstroom is
a 3 mA
b 0.1 mA
c 1 mA
d 10 mA
U = 12-(9+2)= 1V
I=U/R 1/1000=1mA
Ic = URc / Rc
Urc = 12 – (9 + 2) =1V
Ic = 1V/100Ω = 1mA
-
33
http://www.iwab.nu/H3_101.html
lndien S wordt gesloten zal Uuit:
a kleiner worden
b niet veranderen
c nulworden
d groter worden
De belastingsweerstand wordt de helft, nl 125 Ohm
Er gaat meer stroom door de weerstand
-
34
http://www.iwab.nu/H02_06_009.html
ln deze schakeling wordt in plaats van een transistor met een stroomversterkingsfactor hfe= 100 een transistor toegepast met een hfe= 50.
Wat is het gevolg?
a de spanningsversterking wordt veel groter
b de schakeling zal niet meer werken
c de spanningsversterking wordt veel kleiner
d de spanningsversterking blijft ongeveer gelijk
In en uitgang-impedantie van GES.
Zin = Zuit Hoog en Hoog en nagenoeg gelijk.
Stroom versterking en Spanning versterking
-
35
http://www.iwab.nu/H2_107.html
De waarde van Rb is:
a 120 KΩ
b 200 KΩ
c 10 KΩ
d 170 KΩ
Ube = 0.5 V
Urb = 9-0.5 = 8.5 V
Ib = 50 µA
Rb = Ub / Ib = 8.5 / 50 exp-6 =170 KΩ
-
36
http://www.iwab.nu/H2_092.html
De waarde van Rb is:
a 120 KΩ
b 180 KΩ
c 160 KΩ
d 60 KΩ
Op de basis staat 1 V , dit is dus aan de onderzijde van Rb
De bovenzijde van Rb is 9 V
8 V over de weerstand bij Ib van 50 µA
R= U / I = 8 / 50µ = 160000 Ω = 160 KΩ
-
37
http://www.iwab.nu/jj_02_06_003v_004.html
De waarde van Rb is:
a 600 KΩ
b 400 KΩ
c 300 KΩ
d 500 KΩ
Rb=Urb/Ib
Urb=U-Ub= 12-2= 10V
Rb=URb/Ib= 10V/20ľA = 500kO
-
38
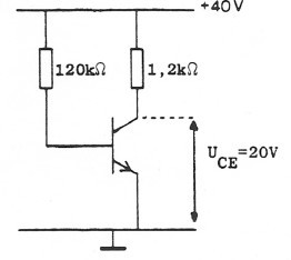
http://www.iwab.nu/039-006.html
De stroomversterkingsfactor is ongeveer?
a 5
b 10
c 50
d 100
Over de Rc staat 40-20 = 20 V
20 V / 1.2 K = 16 mA
40 V / 120 K = 133 µA
16 mA / 133 µA = 48 x
-
39a
http://www.iwab.nu/039_003.html
Van de transistor is de β =100.
De spanningsversterking van de schakeling is ongeveer:
a 100
b 20
c 5
d 1
GES
instelstroom U / 100K+20K = 12 / 120 K = 100 µA
Ubasis = Ibasis x 20 K = 100 µA x 20K = 2 volt
HFE =100
Ic 100 x 100 micro A =10 mA
10 mA x 5K = Urc = 10 Volt
-
39
http://www.iwab.nu/H02_06_007.html
Van de transistor is de β =100.
De spanningsversterking van de schakeling is ongeveer:
a 100
b 20
c 5
d 1
In op basis uit op emittor geeft GCS
U Versterking = 1
Stroomversterker.
-
40
http://www.iwab.nu/039_001.html
De spanning over de weerstand Rc is:
a 20 V
b 0.2 V
c 19.8 V
d 9.8 V
Ib = 200 microA
Hfe = 49
Ie = 49*200exp-6=9.8 mA
Ic = Ie = 9.8 mA
URc = IRc * Rc
URc = 9.8 mA * 1 Kohm = 9.8 V
-
41
http://www.iwab.nu/jj_02_06_001v_009.html
In de schakeling met een siliciumtransistor zal de meter de volgende gelijkspanning aangeven:
A. 2,0 V
B. 2,7 V
C. 3,4 V
D. 5,3 V
Ub = 2.7 V
Si =0.7 V
Ue = 2.7-0.7= 2 V
-
42
http://www.iwab.nu/H2_099.html
De spanning (Uce) tussen emitter en collector is :
a. 19,5 V
b. 0,5 V
c 9,5 V
d 10 V
Ic = 5 mA
Rc = 2 Kohm
Uc = Ic x Rc = 5m x 2K =10volt
er staat dus 10 V over de tr
-
43
http://www.iwab.nu/H2_090.html
Voor de transistor geldt: Ube = 0.7 V.
De basisstroom is te verwaarlozen.
Uce is:
a 13 V
b 5.5 V
c 0.55 V
d 8.5 V
Aan de basis zijde is de RT 24+6 = 30 Kohm
I is daar U/R 18.5/30 K = 617 microA
Ub = I* 6 K = 3.7 Volt
Op de Emittor komt dan 3.7 - 0.7 = 3 V
Ic = Uc/ RC = 3/ 300 = 10 mA
Deze 10mA loopt ook door de Rccc
URc= IRc * RC 10* 1K= 10 Volt
De Rc eet dus 10 volt op !!!
18.5 - 10 = 8.5 V net onder deze weerstand
Onderkant Tr is 3 V
Uce = 8.5- 3 = 5.5 V


-
44
http://www.iwab.nu/H2_084.html
Voor een transistor geldt: Ube = 0.7 V
De basisstroom is te verwaarlozen.
Uce=
a 10.7 V
b 4.3 V
c 5 V
d 0.7 V
De linkse weerstanden 20 KOhm en 5 KOhm vormen een spanningsdeler.
Samen 25 KOhm op 25 V geeft I= U/R = 25/25KΩ = 1mA
De panningsval over de linkse weerstand van 20 Kohm is U=I*R = 1mA*20KOhm = 20 V
De spanningsval over de 5 Kohm weerstand is U=I*R = 1mA * 5Kohm = 5V
Op de basis staat dus 5V
Over de Emittor is de spanning Ub-Uce = 5-0.7 = 4.3 V
Ie = Ue / Re =4.3 / 430 = 10 mA
Ic =Ie = 10 mA
De spanningval over de collector weerstand = I*R = 10 mA * 1000 Ohm = 10 V
Dus Uce = (25-10) - 4.3 = 10.7 V
-
45
http://www.iwab.nu/H2_106.html
De weerstanden R1 en R2 zorgen voor:
a vaste voorspanning
b tegenkoppeling
c automatische voorspanning
d ontkoppeling
Ubasis moet 0.7V hoeger zijn dan Ue , wil de TR gaan werken.
-
47
http://www.iwab.nu/H2_114.html
De volgende pinaansluiting geeft aan dat de transistor een FET is:
a S-G-D
b V-C-C
c E-B-C
d P-I-E
S = source
G = gate
D = drain
-
48
http://www.iwab.nu/jj_02_06_004v-003.html
De ingang van een junction-FET gedraagt zich als een diode die in sperrichting is aangesloten.
De ingangsweerstand van deze junction-FET is:
a. zeer laag (enkele ohm)
b. enkele kilo-ohm
c. zeer hoog (enkele mega-ohm)
d. vrijwel een kortsluiting
mA/ V alleen spanning , geen stroomsturing
-
49
http://www.iwab.nu/jj_02_06_004v-002.html
De ingangsimpedantie bij 1 kHz van een JFET ligt tussen:
a 100 Ohm - 10 Kohm
b 1 Ohm - 100 Ohm
c 1 Mohm - 100 Mohm
d 10 Kohm - 100 Kohm
-
50
http://www.iwab.nu/H2_006.html
De ingangsimpedantie bij 1 Khz wordt hoofdzakelijk bepaald door de:
a externe source weerstand
b instellingen ven de fet
c externe drain weerstand
d externe weerstand tussen gate en aarde
-
51
http://www.iwab.nu/jj_02_06_004v-004.html
Bij een normale instelling is de weerstand tussen de gate en de souitrce van een veldeffecttransistor
a gelijk aan de steiheid S
b gelijk aan de stroomversterking hfe
c zeer groot
d zeer klein
c
-
52
http://www.iwab.nu/H2_095.html
De gelijkspanning tussen de gate en de source wordt bepaald door:
a de gatestroom en de weerstend Rs
b de sourcestroom en de weerstand Rs
b de condensator Cs
d de weerstand Rg
b
-
53
http://www.iwab.nu/H03_06_028.html
a de gate-spanning te verkleinen
b de gate-impedantie te verhogen
c het afknijppunt te verleggen
d de temperatuur variaties te verkleinen
d
-
54
http://www.iwab.nu/H2-245.html
De ingangsfrequentie is 10 kHz.
De condensator wordt vervangen door een condensator van 1000 pF.
Hierdoor zal de versterking:
a groter worden
b kleiner worden
c gelijk blijven
d nul worden
Xc = 1/ (2πfC)
10 Khz = 1/ (2π10Kx 10mu) = 6.447 ohm
10 Khz = 1/ ( 2π10Kx 1000p) = 16 kohm
b want Xc wordt groter ??
-
55
http://www.iwab.nu/H2_083.html
Stelling 1
De drainstroom van een FET is afhankelijk vab de gatespanning.
Stelling 2
De drainstroom van een FET is praktisch onafhankelijk van de drainspanning.
Wat is juist?
a stelling 1 en 2
b alleen stelling 1
c geen van beide stellingen
d alleen stelling 2
a
-
56
http://www.iwab.nu/H2_029.html
Bij een Id = 4 mA en een Ugs = -3 V behoort een sourse-weerstand Rs van
a 3K Ohm
b 375 Ohm
c 750 Ohm
d 1K Ohm
U=IxR
R=U/I = 3/4mA = 750 Ohm
------------------------------------------------------------------------
Extra uitleg:
Dit is een FET
Een FET heeft een hoge ingangsweerstand en wordt met spanning gestuurd op de gate.
Bij een FET wordt de werkpuntinstelling voor gelijkspanning bepaald door Rs.
Deze FET is ingesteld op -3V Ugs gate spanning (zie rechterzijde grafiek).
De stroom door Rs is af te lezen aan de linkerzijde van de grafiek (Id = Is) = 4mA
Rs = U/I = 3/4mA = 750 Ohm
┘