001

n primair heeft 20 windingen
n secundair heeft 500 windingen
Wat is de wikkelverhouding  ?
-

002

n primair heeft 9 windingen
n secundair heeft 3 windingen

Wat is de wikkelverhouding?
-


003

Een ideale transformator heeft primair een wikkeling van 9 windingen en secundair een wikkeling van 3 windingen
Op de secundaire wikkeling wordt een condensator van 90 pF aangesloten
Op de primaire wikkeling meten we een capaciteit van

a   270 pF
b    10 pF
c   810 pF
d    30 pF
-


004

Een luidspreker met een impedantie van 6 Ohm wordt via een aanpassingstransformator aangesloten op een versterker die belast moet worden met 600 Ohm.

De wikkelverhouding van de transformator moet zijn:

a   10 : 1
b   10.000 : 1
c   100 : 1
d   60 : 1
-


005

De impedantie Z bedraagt:

a   1 Ohm
b   10 Kohm
c   100 Ohm
d   1 Kohm
038    Wikkelverhouding     n = np/ns   n = Up/Us   n = Is/Ip  n2 = Zp/Zs   n2 = Cs/Cp
-


006

Een transformator met een primaire wikkeling van 1000 windingen wordt aangesloten op 220 V wisselspanning.
De secundaire wikkeling heeft 200 windingen.
De secundaire spanning is:

a   100 V
b   1000 V
c   200/ V 5 V
d   40 V
-


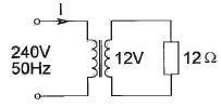
007

De verliesvrije transformator is belast met een weerstand.
De stroom door de weerstand is:

a   3 A
b   0.75 A
c   1.5 A
d   6 A
-


008

De transformator heeft n1 = 20 windingen en n2 = 100 windingen.
De ingangsimpedantie Z1 is:

a   3 Kohm
b   24 Ohm
c   120 Ohm
d   15 Kohm
-


009

Om de lamp maximaal te laten branden moet de wikkelverhouding van de aanpassingstrafo zijn:

a   2:1
b   8:1
c   1:1
d   4:1
-


010

Een transformator heeft primair 2000 windingen en secundair 1000 windingen.
Indien de spanning primair 230 volt bedraagt is de secundaire spanning:

a   460 V
b   155 V
c   115 V
d   55 V

-

011

De impedantie Z is:

a   100

b     50

c   400

d   800
-


012

Een ideale transformator is belast zoals hieronder aangegeven.
De stroom I2 is:

a   2 A
b   1 A
c   0.5 A
d   4 A
-


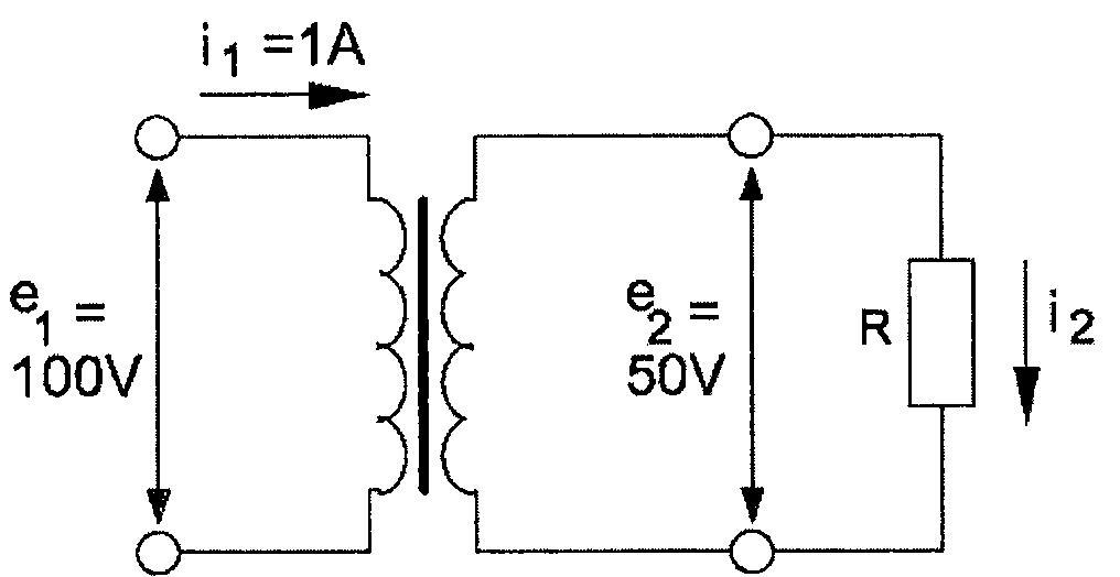
013

De primaire stroom I is:

a   25 mA
b   20 A
c   500 mA
d   50 mA
-


014

Een ideale transformator heeft primair 500 windingen en secundair 100 windingen.
De primaire stroom is ongeveer:

a   1 A
b   5 A
c   0.04 A
d   0.2 A
-


015

Om deze schakeling te kunnen maken beschikt u over 4 trafo's met verschillende
wikkelverhoudingen.
U wenst een onbelaste uitgangsspanning van 10 V zo dicht mogelijk te benaderen.
U kiest een transformator met een wikkelverhouding van:

a.  31:1
b.  44:1
c.  22:1
d. 5,5:1
-


016

Twee transformatoren worden geschakeld als hieronder aangegeven.
De spanning e2 is:

a   240 V
b   120 V
c   15 V
d   30 V
-


017

Een dipoolantenne met een impedantie van 300
, wordt dmv een trafo aangesloten op een kabel van 75 .
De trafoverhouding is dan:

a   1:1
b   14:1
c   2:1
d   4:1
-


018

De karakteristieke impedantie (Z0) is 50 Ohm.
De Zi is ongeveer:

a   33 Ohm
b   50 Ohm
c   75 Ohm
d   60 Ohm
-


019

Een luidspreker met een impedantie van 8
moet worden aangesloten op een versterker die belast moet worden met 800 .
De beste transformator is:

a   220 V / 3v  -5V  -8V
b   220 V / 127 V
c   220 V / 2.5 V
d   220 V / 24 V
-


020

De primaire wikkeling van een transformator heeft 100 windingen.
De secundaire wikkeling heeft 500 windingen.
Op de primaire wikkeling wordt een wisselspanning van 10 volt aangesloten.
De wisselspanning op de secundaire wikkeling is:

a   250 v
b   10Ѵ5 v
c   50 v
d   2 v
-


022

Een luidspreker met een impedantie van 5 ohm moet worden aangepast op een versterker met een afsluit-impedantie van 800 ohm.
Welke transformator geeft de beste aanpassing?

a   een verhuis transformator van 220v/127v
b   een laagspanning voedingstransformator 220v/24v
c   een beltransformator 220v/3v-5v-8v
d   een gelijkstroom transformator 220v/2.5v
-


023

Een ideale transformator is belast met weerstand R.
De stroom i2 is:

A. 0,5 A
B. 1 A
C. 2 A
D. 4 A
-


024

De primaire stroom I is:

a   20  A
b   500 mA
c   25 mA
d   50 mA
-


025

In de weerstand R1 wordt 2 watt en in de weerstand R2 wordt 20 watt gedissipeerd.
De transformatoren zijn ideaal.
De stroom I is:

a   100 mA
b   182 mA
c   9 mA
d   91 mA
-


026

De primaire wikkeling van een transformator is aangesloten op een wisselspanning van 230 volt.
De secundaire spanning bedraagt 23 volt.
De wikkelverhouding n primair : n Secundair is:

a   Ѵ10:1
b   100:1
c   10:1
d   1:10
-


021

De transformator heeft N1 = 20 windingen en N2  = 100 windingen.
De ingangsimpedantie Z1 is:

a   24 ohm
b   3 Kohm
c   120 ohm
d   15 Kohm
-


027

De stroom door de weerstand is:

a   1A
b   6 A
c   2A
d   0,5 A
-


028

De stroom door de primaire wikkeling n1 van de transformator is Ip:
De stroom door de scundaire wikkeling n2 is:

a   n1/n2 x Ip
b   n2/n1 * Ip
c   n12/n22 x I[p
c   n22/n12 x Ip
-


029

De transformator heeft gelijke windingen.
De impedantie Z voor wisselstroom is:

a   400

b   50

c   200

d   100
-


030

De wikkelverhouding van de ideale transformator in de onderstaande figuur is N = n1/n2, waarbij n1 het aantal windingen van de primaire zijde is en n2 het aantal windingen van de secundaire zijde.
Op de primaire wikkeling is een impedantie Z1 aangesloten.
De impedantie Z2 gemeten op de secundaire wikkeling bedraagt:

a   Z2 = N x Z1
b   Z2 = 1/N x Z1
c   Z2 = N2 x Z1
d   Z2 = 1/N2 x Z1
-


031

Van een ideale transformator is gegeven dat het aantal windingen van de primaire wikkeling gelijk is aan n1, en het aantal windingen van de secundaire wikkeling gelijk is aan n2.
De stroom door de primaire wikkeling is Ip en die door de secundaire wikkeling Is.
Het verband tussen Ip en Is wordt gegeven door:

a   Is = n1/n2 x Ip
b   Is = n2/n1 x Ip
c   Is = (n1/n2)2 x Ip
d   Is = (n2/n1)2 x Ip
-


032

Een ideale transformator heeft een primaire wikkeling van 9 windingen en een secundaire van 3 windingen.
Op de secundaire wikkeling wordt een condensator aangesloten van C microfarad.
Op de primaire wikkeling wordt een capaciteit gemeten van:

a   1/9 C microfarad
b   1/3 C microfarad
c   3 C microfarad
d   9 C microfarad
-


033

Op de primaire wikkeling wordt een spanning van U1 aangesloten.
De spanning U2 is:

a   n1/n2 x U1
b   n2/n1 x U1
c   Ѵn1/n2 x U1
d   Ѵn2/n1 x U1
-


034

De transformator heeft n1 = 20 windingen en n2 = 100 windingen.
De impedantie Z1 is:

a   24

b   120

c   3 K

d   15 K
-


035

Een ideale transformator met een middenaftakking is geschakeld als aangegeven.
De wisselstroomimpedantie Z is:

a   400 ohm
b   200 ohm
c   100 ohm
d   50 ohm
-


036

Iemand wil een gloeilamp van 6 V/10 W voeden uit het 230 V net.
Er staan twee gelijke transformatoren ter beschikking van elk primair 115 V en secundair 6 V/1 A.
Rekening houdend met de fase is de juiste schakeling:

a   primaire wikkelingen in serie en secundaire wikkelingen in serie
b   primaire wikkelingen in serie en secundaire wikkelingen parallel
c   primaire wikkelingen parallel en secundaire wikkelingen in serie
d   primaire wikkelingen parallel en secundaire wikkelingen parallel
-


037

Iemand wil een gloeilamp van 12 V/10 W voeden uit het 230 V net.
Er staan twee gelijke transformatoren ter beschikking van elk primair 230 V en secundair 6 V/1 A.
Rekening houdend met de fase is de juiste schakeling:

a   primaire wikkelingen in serie en secundaire wikkelingen in serie
b   primaire wikkelingen in serie en secundaire wikkelingen parallel    
c   primaire wikkelingen parallel en secundaire wikkelingen in serie
d   primaire wikkelingen parallel en secundaire wikkelingen parallel
-


038

De transformator is verliesvrij.
Als de schakelaar in stand 1 staat, is de stroom door de ampèremeter 9 ampère.
Zetten we de schakelaar in stand 2, dan is de stroom door de ampèremeter:

a   1,5 A
b   3   A
c   4,5 A
d   9   A
-


039

Een transformator met een primaire wikkeling van 1000 windingen wordt aangesloten op 200 volt wisselspanning
De secundaire wikkeling heeft 200 wikkelingen
De secundaire spanning is

a   100 V
b   1000 V
c   200 /
5 V
d   40 V
-


40

Iemand wil een gloeilamp van 6 V/10 W voeden uit het 230 V net.
Er staan twee gelijke transformatoren ter beschikking van elk primair 115 V en secundair 6 V/1 A.
Rekening houdend met de fase is de juiste schakeling:

a   primaire wikkelingen in serie en secundaire wikkelingen in serie
b   primaire wikkelingen in serie en secundaire wikkelingen parallel
c   primaire wikkelingen parallel en secundaire wikkelingen in serie
d   primaire wikkelingen parallel en secundaire wikkelingen parallel