038

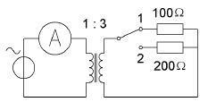
De transformator is verliesvrij.
Als de schakelaar in stand 1 staat, is de stroom door de ampèremeter 9 ampère.
Zetten we de schakelaar in stand 2, dan is de stroom door de ampèremeter:

a   1,5 A
b   3   A
c  
4,5 A
d   9   A

n = 1/3 = 0.33

Stand 1
Ip= 9 A
Is = n/Ip= 0.33 / 9 = 3 A

In stand 2
Is wordt  1.5 A
Ip = Is / n = 1.5/0.33 = 4.5 A
n = np/ns   n = Up/Us   n = Is/Ip  n2 = Zp/Zs   n2 = Cs/Cp