LC-oscillator.
Kristal-oscillator , overtone-oscillator.
VCO Volt Controlled Oscillator [frequentiemodulator].
Faseruis.
LC-kring
is een elektrische schakeling, die bestaat uit een spoel en een condensator
Er wordt, door verwaarlozing van de elektrische weerstand, verondersteld dat er geen energieverlies optreedt in het circuit.
Met een oscillator kun je een HF signaal met een bepaalde frequentie opwekken. Dit gebeurt door in een versterker (met transistor dus) het uitgangsignaal terug te koppelen naar de ingang, waardoor de schakeling gaat rondzingen
De frequentie die je wilt maken laat je als enige door middels een kristal of een L/C filter bepalen
Een oscillator heeft meestal geen ingang, alleen een uitgang
Als er wel een ingang en uitgang in een versterkerschakeling zitten, maar ook een terugkoppeling van uitgang naar ingang, dan is het geen versterker maar een oscillator.
De frequentiestabiliteit van de oscillator is afhankelijk van de componenten.


Spanning-gestuurde oscillator
(VCO, frequentiemodulator)
Door de condensator in een L/C oscillator te vervangen door een Varicap-diode, dan kunnen we de capaciteit (en dus de frequentie van de oscillator) sturen met een spanning.
Hier is D1 de varicap.
Als de regelspanning een wisselspanning is, bijvoorbeeld een spraaksignaal, dan wordt de frequentie van de oscillator in het ritme van het lf-signaal gemoduleerd en hebben we FM-modulatie.
Faseruis
Faseruis ontstaat in de oscillator.
Colpitts-oscillator
Clapp-oscillator
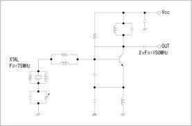
Overtone-oscillator:
We halen hier de derde of vijfde overtoon uit middels filters.
15 Hz wordt dan 3de 45 Hz
15 Hz wordt dan 5de 75 Hz
De 2de is 30 Hz.
Bekende oscillatoren:
Hartley-oscillator
Figuur 1
Figuur 2
Figuur 3
Figuur 4
Figuur 5
Figuur 6
Figuur 7
Figuur 8
┘
┘