008

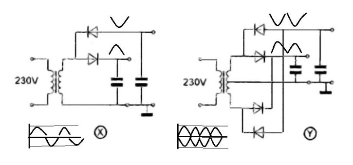
Welke van de schakelingen kan worden toegepast om een negatieve en een positieve gelijkspanning te krijgen?

a  
X en Y
b   X
c   Y
d   geen