jj_03_03_004v
-


002

Een voeding wordt beveiligd met 1 of meer smeltveiligheden in de netleiding.
Dit wordt in de praktijk gedaan met:

a   1 trage zekering
b   1 snelle en 1 trage zekering in serie
c   1 snelle en 1 trage zekering parallel
d   1 snelle zekering
-


003

Als gelijkrichter kan worden toegepast:

a   schema 2
b   schema 4
c   schema 1
d   schema 3
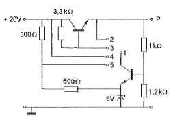
001

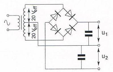
De onbelaste uitgangsspanningen U1 en U2 zijn ongeveer:

a   20 V en 20 V
b   20 V en 40 V
c   28 V en 28 V
d   40 V en 40 V
-


004

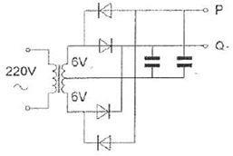
De onbelaste spanning tussen de punten P en Q is ongeveer:

a   56 V
b   17 V
c   8 V
d   0 V
-


005

Om een gestabiliserende voeding op punt P te verkrijgen moet punt 1 worden doorverbonden met:

a   3
b   5
c   2
d   4
-


006

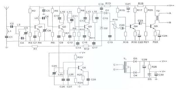
Als voedingsgelijkrichter kan worden toegepast:

a. gelijkrichter 3
b. gelijkrichter 4
c. gelijkrichter 1
d. gelijkrichter 2
-


007

De gelijkrichting van de voedingsspanning wordt verzorgd door:

a   D3 en D4
b   D5
c   D4
d   D3
-


008

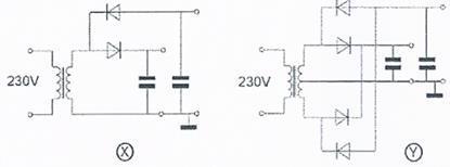
Welke van de schakelingen kan worden toegepast om een negatieve en een positieve gelijkspanning te krijgen?

a   X en Y
b   X
c   Y
d   geen
-


009

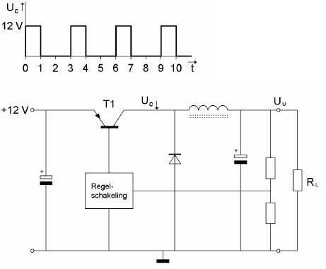
De schakelende voeding wordt belast met RL.
T1 werkt als een schakelaar: open of dicht.
De spanning UC heeft de getekende golfvorm.
Uu is ongeveer:

a   8 V
b   12 V
c   24 V
d   6 V
-


010

De schakelende voeding wordt normaal belast door RL.
De spanning Uc heeft de getekende golfvorm.

Uu is:
A. 4 V
B. 8 V
C. 12 V
D. 24 V