Serie- parallelschakeling diodes.
Diodes in serie:
Raar maar waar.
Kan gebruikt worden om spanning te veranderen.
Hier wordt de spanning omlaag gebracht
Uin                                                         Uuit
12 V                                                   ca 10.2 V.
Si   -diode 0.6 v
De spanning regelen met een LM78xx
Zenerdiode:
Hoe groot wordt de Uuit ?

5.6 + 10 =  15.6 V.
Diodes parallel:
Omdat de diodes nooit identieke karakteristieken hebben, zal de stroom zich niet netjes verdelen over de diodes.
Door warmte ontwikkeling zal de minste diode minder R krijgen en meer I stroom.
Deze diode zal zichzelf opblazen.
De maximale stroom is 10 mA. door de onderste Diode
Totaal dus 10mA door de onderste en 10mA door de bovenste = 20 mA
Bepaalt door de minste.
Zo is je set beveiligd.
Belangrijk
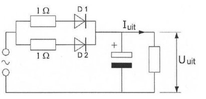
Een schakeling met de diodes
De diodes zijn gelijk,
maar de belastbaarheid is anders.

Wat is de hoogste Uuit ?
Wat is de hoogste Iuit ?
Kijken we eerst naar de I stroom:
D1 = 2 A
D2 = 1 A   in serie

De zwakste diode is bepalend voor de maximale stroom en die is 1A,
dan mag er totaal 1A door de schakeling lopen.

De stroom door D1 mag niet meer zijn dan 1A, dus ook door D2 kan dan 1A (serie),
De maximale stroom hier is dus
1A.

NB. de 2 weerstanden zijn er als spanningsdeler om de schakeling stabiel te houden.

Nu de maximale U bepalen:
We kijken naar de afbeelding hieronder.
Figuur 1
Figuur 2
Figuur 3
Figuur 4
Figuur 5
Figuur 6
Figuur 7
Figuur 8
Figuur 9
Figuur 11
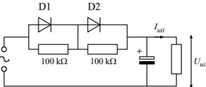
Diodes in serie / maximale Uuit bepalen:
De rode sinus is de aangeboden spanning aan de linkerkant.
Na gelijkrichting ontstaan de groen lijn (Onbelaste schakeling) en de blauwe lijn (Belaste schakeling).


De 2 weerstanden van 100K werken als spanningsdeler

Onbelast zien we een zo goed als Maximale waarde met een kleine rimpel 

We moeten, om de diodes heel te houden uit gaan van de hoogste waarde die kan optreden
en dat is Umax PLUS de gelijkspanning
Figuur 12
De uitgangsspanning blijft staan,
de condensator loopt niet meer leeg
maar aan de ingang komt er iedere keer een positieve Umax bij
Figuur 13
We moeten uit gaan van de hoogste spanning die op kan treden, ook al is het maar kort.

Als we bv. 200V nemen dan hebben we zowel links als rechts 200V = 400V,
dus per diode 200V.
Dat is te hoog voor D1.

antwoord A             wel omdat we dan opgeteld de gelijkspanning en de
                                wisselspanning van elk ca 100 V hebben = 200 V
                                vanwege de spanningsdeler elke diode 100 V
antwoord B             niet bij 200 V zijn de spanningen opgeteld 400 V
                                geeft 200 V oer diode - dus gaat D1 stuk
antwoord C              2 A dit kan niet
antwoord D             niet bij 350 V zijn de spanningen opgeteld 700 V
                                geeft 350V per diode - dus  D1 en D2 gaan stuk
Nu een schakeling met de diodes parallel
De dioden hebben gelijke doorlaatkarakteristieken, naar de belastbaarheid is verschillend
Kies uit de alternatieven de hoogste Uuit en Iuit die de schakeling kan leveren

A   Uuit 20 V   Iuit 2 A
B   Uuit 20 V   Iuit 3 A
C   Uuit 10 V   Iuit 2 A
D   Uuit 10 V   Iuit 3 A
Figuur 14
Figuur 15
De maximale Iuit

De zwakste diode is bepalend dus D1.
De stromen zijn gelijk omdat de diodes gelijke doorlaatkarakteristieken hebben,
parallel tellen we de stromen op dus 1+1 = 2A.

Antwoord A    20V wordt dus 2x20 =40 V
                      beide diodes gaan stuk
Antwoord B    3A valt gelijk weg
Antwoord C   10V wordt sus 2x120 = 20V
                      dit werkt
Antwoord D    3A valt gelijk weg
A   Uuit 100 V   Iuit  1 A
B   Uuit 200 V   Iuit  1 A
C   Uuit 200 V   Iuit  2 A
D   Uuit 350 V   Iuit  1 A
Figuur 10