Stromen , spanningen en impedantie.
LUICIUR       CIVVIL
Voor spoelen geldt:
U = 90graden voor op I
XLt = XL1 + XL2   3+7=10

Lt=L1+L2
    6 + 14 = 20  µH

ULt = I x XLt         dus I=ULt/XLt 10/10=1 A.

De 1 Ampère loopt door L1 en L2        SERIE

UL1=IL1xXL1      1x3=   3V
UL2=IL2xXL2      1x7=   7V
Samen weer            10 V

Z=U/It     Z=10/1=     10
De spanning U is hetzelfde, maar de stromen anders.
Mogen net als weerstanden behandeld worden.
LUICIUR          CIVVEL
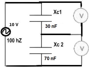
Voor condensatoren geldt:
I = 90graden voor op U
XC1 = 1/ [2xpixfxC1]     =53.1 K
XC2 = 1/ [2xpixfxC2]     =22.7 K .
                          samen = 75.8 K
.

I=U/Rt     10/75.8 K=     132 µA.
UC1= ItxXC1= 132exp-6 x 53.1exp3  =   7 Volt
UC2= It xXC2= 132exp-6 x 22.7exp3  =  3 Volt
Samen weer                                    10 Volt.

Z= U / It = 10 / 132exp-6 =75.8 K .
Ct=C1+C2     30+70=100 nF.
I=U/XC       = 10/ 16exp3 = 625 µA.
Z= U / It     = 10 / 625exp-6 =16 K.
=16 K.
LUICIUR
Voor weerstanden geldt:
U = in fase met  I
Rt=R1+R2        3+7=10 .

U = I x R     ,dus I=U/R 10/10=1A.

De 1 Ampère loopt door R1 en R2        SERIE

UR1=IR1 x R1      1 x 3=  3V
UR2=IR2 x R2      1 x 7=  7V
Samen weer             10 V

Z = U / II   Z=10/1=     10 .
De Spanning U is hetzelfde, maar de stromen anders.

I1=U1/R1          10/10=    1     A
I2=U2/R2          10/5  =    2      A
I3=U3/R3          10/20=    0.5  A
                       It             =    3.5   A

Z=U/It     Z=10/3.5=    2.86
Figuur 1
Figuur 2
Figuur 3
Figuur 4
Figuur 5
Figuur 8
Figuur 7
Figuur 6
Figuur 9
Figuur 10
Figuur 11
Figuur 12
Figuur 13
Figuur 14
jj_03_01_006v
 
CV = 1/ ( 1/C1 + 1/C2 )       =21 nF
048