Poortschakelingen.
AND –poort:
Invertor  omkeren.
NAND –poort:
OR –poort:
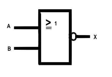
NOR –poort:
XOR –poort:
Een OR -poort met alleen een HOOG UIT als 1 van de ingangen hoog is !!!
Voorbeeld met NAND-poorten               Vul zelf maar in...>>>
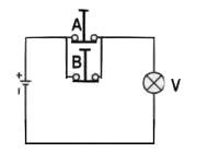
Voorbeeld                                              Vul zelf maar in...>>>
XNOR –poort:
Een OR -poort met alleen een LAAG UIT als 1 van de ingangen HOOG is !!!
a  b   U
0  0   0
0  1   0
1  0   0
1  1   1
a   u
0   1
1   0
a  b   V
0  0   1
0  1   1
1  0   1
1  1   0
a  b   W
0  0   0
0  1   1
1  0   1
1  1   1
a  b   X
0  0   1
0  1   0
1  0   0
1  1   0
a  b   P
0  0   0
0  1   1
1  0   1
1  1  
0
a  b   Q
0  0   1
0  1   0
1  0   0
1  1   1
Figuur 1
Figuur 2
Figuur 3
Figuur 4
Figuur 5
Figuur 6
Figuur 7
Figuur 8
Figuur 9
Figuur 10
Figuur 11
Figuur 12
Figuur 13
Figuur 14
Figuur 15
Figuur 16
Figuur 17
Figuur 18
Figuur 19
Figuur 20
Figuur 21
jj_02_07_005v