jj_02_07_005v
-


001

Ingang Y kan zowel logisch 1 als logisch 0 zijn
Uitgang Q is:

a   1
b   Y
c   niet-Y
d   0
-


016 

Deze schakeling functioneerd als een:

a   D- flipflop
b   een exclusieve OF-poort [EXOR]
c   opteller [full adder]
d   tweedeler

-
-


003

Deze schakeling heeft een:

a   NOF-functie
b   Of-funtie
c   NEN-functie
d   EN-functie
-


004

Deze schakeling kan gezien worden als:

a   NOF-poort [NOR]
b   Of-poort
c   NEN-poort [NAND]
d   EN-poort
-


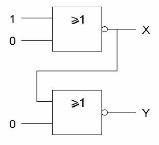
005

Juist is:

a   X = 1 en Y = 0
b   X = 0 en Y = 0
c   X = 1 en Y = 1
d   X = 0 en Y = 1



006

Ingang P kan 0 of 1 zijn.
Juist is:

a   x = 0   y = 0
b   x = 1   y = 1
c   x = 0   y = 1
d   x = 1   y = 0
-


007

Dit is een:

a   OF-poort (OR)
b   EN-poort (AND)
c   NOF-poort (NOR)
d   Niet-schakeling (NOT)
-


008

Wat is juist?

a   X= 1   Y= 1
b   X= 0   Y= 1
c   X= 1   Y= 0
d   X= 0   Y= 0
-


009

Juist is :

a   Q=0 en P=0
b   Q=0 en P=1
c   Q=1 en P=1
d   Q=1 en P=0
-


010

Ingang P gaat over van 0 naar 1.
Uitgang Z:

a   blijft 0
b   gaat van 1 naar 0
c   blijft 1
d   gaat van 0 naar 1
-


011

Juist is:

a   X=0   Y=0
b   X=1   Y=0
c   X=0   Y=1
d   X=1   Y=1
-


012

Ingang Y kan zowel logisch 1 als logisch 0 zijn.
Uitgang Q is:

a   niet-Y
b   0
c   Y
d   1
-


013

Juist is:

A. X = 0 en Y = 0
B. X = 0 en Y = 1
C. X = 1 en Y = 1
D. X = 1 en Y = 0
-


014

Dit is een:

a   NIET-poort (inverter)
b   EN-poort (AND)
c   OF-poort (OR)
d   NEN-poort (NAND)
-


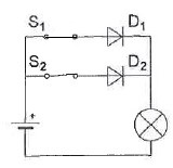
015

Als schakelaar S1 gesloten wordt zal de lamp:

a   blijven branden
b   gaan branden
c   gaan knipperen
d   uitgaan
-


002

Als schakelaar S1 geopend wordt zal de lamp:

a   blijven branden
b   gaan branden
c   gaan knipperen
d   uitgaan