010
In de versterker is een siliciumtransistor toegepast.
De meest geschikte waarde voor de collectorweerstand is:
a 10 KΩ
b 39 KΩ
c 3,9 KΩ
d 1 KΩ
4.
Neemt dus de basisspanning toe dan moet de emitter-collectorstroom zoveel toenemen dat het spanningsverschil tussen basis en emitter 0,6 V blijft.
5.
In de getekende situatie zal de emitter stroom dan 1,5 V (2,2-0,6=1,5V) moeten ‘wegpoetsen’ over de emitterweerstand van 1K5.
6.
De basisstroom is verwaarloosbaar klein tov van de Collector-Emitter stroom.
Dus de Collector-emitter stroom kunnen we berekenen uit de spanning van 1,5 V en de weerstand van 1K5. I=U/R = 1,5/1K5= 1 mA.

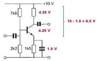
1.
De spanning op de basis is als gevolg van de spanningsdeler 7K8 en 2K2 : 2,2 V
2.
I1 en I2 zijn even groot (10V/(7K8+2K2 = 1 mA)
Als we mogen aannemen dat de basisstroom die door de transistor gaat lopen verwaarloosbaar klein is (in de orde van micro-amperes) dan heeft Ib geen merkbare invloed op deze spanningsdeler.
In de praktijk worden de waardes van deze spanningsdeler-weerstanden zodanig laag gekozen (relatief grote stromen) dat de basis-emitter stroom verwaarloosbaar is.
3.
De spanning die de transistor gebruikt tussen basis en emitter = 0,7V.
De werking van een transistor is zo dat de emitter-collector-stroom zich instelt op die spanningsval tussen basis en emitter.

In onze opgave is de transistor de spanningsbron en de collectorweerstand is de belasting.
Dat betekent dat voor maximale vermogensoverdracht in de bron en belasting evenveel spanning verloren gaat.
Onze beschikbare spanning voor versterking = 8,5V (10V – 1,5V verlies op de emitter weerstand).
Dus we houden voor de belasting weerstand (Rc) en de transistor samen 8.5 V over.
Als de Tr-transistor en de Rc gelijk in weerstand zijn is de spanning ook gelijk.
Dus beiden 8,5 /2 = 4.25 V
In de transistor gaat dus net zo veel vermogen verloren als er aan weerstand Rc.
Daardoor wordt die transistor warm !!
De Rc wordt nu R=U/I = 4,25/1mA = 4.25 KΩ.
Afgerond 3,9 KΩ.
PS
wanner je voor de CE 0.6V neemt, kom je iets beter uit met de berekeningen.
┘
┘