003

Wat is het spanningverlies bij een Germanium diode?

-
jj_02_06_003v
004

De waarde van Rb is:

a   600 K

b   400 K

c   300 K

d   500 K


-
005

De transistor is niet in verzadiging.
De 100
weerstand wordt vervangen door een weerstand met een 3 maal zo  kleine waarde.
Het opgenomen elektrisch vermogen in die weerstand:

a.  wordt 9 maal zo klein
b.  wordt 3 maal zo groot
c.  blijft gelijk
d.  wordt 3 maal zo klein

-
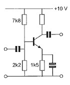
006

Indien de punten X en Y worden doorverbonden:

a.  blijft de collectorstroom gelijk
b.  neemt de emitterstroom toe
c.  neemt de collectorstroom toe
d.  neemt de collectorstroom af

-
008

Een voltmeter wijst 5 volt aan en heeft een inwendige weerstand van 2 kilo-ohm.
Van de transistor is de β = 100
De ingangsweerstand Ri is ongeveer?

a   0.5 kilo-ohm
b   2 kilo-ohm
c   10 kilo-ohm
d   200 kilo-ohm

-
007

De waarde Rb is:

a   120 K ohm
b   200 K ohm
c   10 K ohm
d   170 K ohm

-
009

De weerstanden R1 en R2 zorgen voor:

a   tegenkoppeling
b   ontkoppeling
c   automatische voorspanning
d   vaste voorspanning

-
010  VERPLAATS >>>

-
011

In de versterker is een siliciumtransistor toegepast.
De meest geschikte waarde voor de collectorweerstand is:

a   10 K

b   39 K

c   3,9 K
 
d   1 K


-
001

Hoe berekend men de stroomversterking ?

-

002

Wat is het spanningverlies bij een Silicium diode ?

-