006

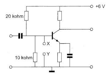
Indien de punten X en Y worden doorverbonden:

a.  blijft de collectorstroom gelijk
b.  neemt de emitterstroom toe
c.  neemt de collectorstroom toe
d. 
neemt de collectorstroom af

X aan de nul
De tr werkt heel niet