Sectie 6a
┘
-
01
http://www.iwab.nu/H2-160.html
Een niet-ideale spoel is voor te stellen door:
a vervangingsschema4
b vervangingsschema1
c vervangingsschema 2
d vervangingsschema 3
Een spoel is als een weerstand en inductie in serie
De windingen onderling vormen een capaciteit , die daar weer parallel over staat
-
02
http://www.iwab.nu/jj_02_03_003v_007.html
De zelfinductie van een spoel is hoofdzakelijk afhankelijk van:
a de diameter van de draad
b het isolatiemateriaal van de draad
c de diameter van de spoel
d de resonantiefrequentie
de diameter van de SPOEL
-
03
http://www.iwab.nu/jj_02_03_003v_003.html
De zelfinductie van een spoel is hoofdzakelijk afhankelijk van:
a de frequentie
b de diameter van de draad
c de resonantiefrequentie
d het kernmateriaal
wel of geen kern
het kernmateriaal
-
04
http://www.iwab.nu/H3_117.html
Een niet-ideale luchtspoel gedraagt zich voor frequentie, die zeer veel hoger zijn dan waarvoor hij is bedoeld, voornamelijk als een:
a spoel en condensator in serie
b condensator
c spoel met een lage Q-faktor
d weerstand
Een spoel is als een weerstand en inductie in serie
De windingen onderling vormen een capaciteit , die daar weer parallel over staat
-
05
http://www.iwab.nu/031_002.html
Een in een enkele laag gewikkelde spoel wordt vervangen door een spoel met een 2 maal zo grote diameter
De overige eigenschappen [ aantal windingen, bewikkelde lengte, kernmateriaal ] blijven gelijk
De zelfinductie wordt
a 2* zo groot
b de helft
c 4* zo groot
d 8* zo groot
Als D wordt verdubbeld
D2
dus 4 keer
-
06
http://www.iwab.nu/031-012.html
Het aantal wikkelingen van een in enkele laag gewikkelsd spoel wordt verdubbeld
De overige eigenschappen ( bewikkelde lengte. diameter. kernmateriaal ) blijven ongewijzigd
De zelfinductie wodt ongeveer
a de helft
b 2 keer zo groot
c 4 keer zo groot
d 8 keer zo groot
n2 staat bovenin
dus 4x
-
07
http://www.iwab.nu/031_003.html
Een in enkele laag gewikkelde spoel wordt vervangen door een spoel die 10% langer is.
De overige eigenschappen (aantal windingen,diameter,kernmateriaal) blijven gelijk.
De zelfinductie is nu:
a kleiner
b 10% groter
c ongewijzigd
d 20% groter
Als de lengte toeneemt wordt de L lager
Er is immers minder binding onderling
-
08
http://www.iwab.nu/jj_02_03_003v_006.html
Een goede geleider voor magnetische velden is
a aluminium
b weekijzer
c koolstof
d glas
Weekijzer, denk maar aan een elektromagneet
-
09
http://www.iwab.nu/037-024.html
In transformatoren worden ijzerkernen toegepast.
De ijzeren lamellen die de kern vormen worden onderling geïsoleerd.
Dit isoleren heeft tot doel de:
a magnetische flux te versterken
b kernverliezen te verkleinen
c koppeling te versterken
d transformatieverhouding te vergroten
In een massieve kern treedt warmte ( verlies) op
Bij lamellen veel minder
-
10
http://www.iwab.nu/H2-241.html
Om de zelfinductie van hf-spoelen te regelen worden veelal ijzerkernen toegepast.
Deze kernen bestaan bij voorkeur uit:
a massief zacht ijzer
b geïsoleerde ijzerplaatjes
c geperst zuiver ijzerpoeder
d van elkaar geïsoleerde ijzerpoederdeeltjes
Van elkaar geïsoleerde ijzerpoederdeeltjes, laten zich makkelijk magnetiseren
daardoor minder ijzerverliezen
-
11
http://www.iwab.nu/jj_02_03_004v_006.html
Bij een spoel neemt de verliesweerstand door het huid-effect (skin-effect) toe bij gebruik:
a van draad met een lagere soortelijke weerstand
b van draad met een dunnere isolatielaag
c van spatie tussen de windingen
d bij hogere frequenties
bij hogere frequenties wordt de doorstroming steeds moeilijker
-
12
http://www.iwab.nu/015_026.html
Een mf-spoel wordt met litzedraad in plaats van met massief draad gewikkeld, om:
A. de temperatuur coëfficiënt te verkleinen
B. de vulfactor te vergroten
C. de koperverliezen te verkleinen
D. de parasitaire capaciteit te verkleinen
veel kleine draadjes vergroten het oppervlak
-
13
http://www.iwab.nu/H1-099.html
De weerstandsverhoging door het huid-effect (skin-effect) is groter wanneer:
a de coefficient van zelfinductie hoger is
b de stroom door de spoel groter is
c de frequentie hoger is
d de isolatie dikker is
Behalve holle buis, wordt ook gebruikgemaakt van litzedraad.
Naast het voordeel van de buigzaamheid bij netsnoeren is er dan het voordeel
van een grotere effectieve doorsnede van het koper bij hoogfrequente stromen.
-
14
http://www.iwab.nu/H2-227.html
Om de gevolgen van huideffect (skin-effect) te verminderen kan een spoel in de eindtrap van een amateurzender het best gewikkeld worden:
a van verzilverd koperdraad
b van aluminiumdraad
c van koperdraad
d met ruimte (spatie) tussen de windingen
van verzilverd koperdraad
-
15
http://www.iwab.nu/H2_088.html
Het aanbrengen van een poederijzerkern in een spoel die op 3.5 Mhz wordt toegepast, heeft de volgende invloed:
a zelfinductie neemt af en Q-faktor blijft gelijk
b zelfinductie neemt af en Q-factor neemt toe
c zelfinductie neemt toe en Q-faktor neemt toe
d zelfinductie blijft gelijk en Q-factor neemt af
zelfinductie neemt toe en Q-faktor neemt toe
Van elkaar geïsoleerde ijzerpoederdeeltjes, laten zich makkelijk magnetiseren
daardoor minder ijzerverliezen
-
16
http://www.iwab.nu/013_002.html
De werking van een geaarde aluminium afschermbus om een HF-spoel berust op
a inductie van een stroom in de bus die een tegengesteld magnetisch veld opwekt
b magnetische omleiding van aluminium
c naar aarde afvoeren van magnetische veldlijnen
d diamegnetische eigenschappen van aluminium
inductie van een stroom in de bus die een tegengesteld magnetisch veld opwekt
waardoor het magnetidch veld kleiner wordt
-
17
http://www.iwab.nu/H2_126.html
Het magnetische veld van een mf-spoel veroorzaakt hinder in nabijgelegen componenten.
De beste remedie hiertegen is om deze spoel:
a in te gieten in kunsthars
b zonder spatie te wikkelen
c aan één zijde te aarden
d te voorzien van een aluminium bus
Een spoel heeft een magnetisch en elektrisch veld
Afschermen magnetisch veld , vaak met een aluminium bus
-
18
http://www.iwab.nu/013-007.html
Het aanbrengen van een geaarde aluminium bus om een spoel waardoor een HF wisselstroom loopt heeft tot gevolg, dat buiten de bus
a alleen het magnetische veld wordt verkleind
b alleen het elektrische veld wordt verkleind
c het elektrische veld wordt verkleind en het magnetische veld vergroot
d het elektrische en het magnetische veld wordt verkleind
allebei verkleind, doordat de bus geaard is
-
19
http://www.iwab.nu/H2_062.html
Door een lange spoel loopt een HF wisselstroom
Een aluminium huls is in de lenterichting van een smalle luchtspleet voorzien, om de spoel geschoven en geaard
Dit wordt gedaan om
a het elektrische en magnetische veld af te schermen
b alleen het elektrische veld af te schermen
c de magnetische veldlijnen te concentreren bij de luchtspleet
d de zelfinductie te vergroten
Wanneer de aluminium afschermbus een een smalle luchtspleet heeft , is er geen magnetische tegenwerkend veld
Dus alleen het elektrische veld wordt afgeschermd
-
20
http://www.iwab.nu/048_009.html
Door een ideale spoel loopt een sinusvormige stroom.
De spanning over de spoel is:
a in tegenfase met de stroom
b 90° naijlend op de stroom
c 90° voorijlend op de stroom
d in fase met de stroom
LEICIER
-
21
http://www.iwab.nu/048_008.html
Een belasting wordt aangesloten op een sinusvormige wisselspanning.
Het verloop van de stroom I en de spanning U is in de grafiek aangegeven.
De belasting bestaat uit een:
a spoel plus weerstand
b weerstand
c condensator plus weerstand
d spoel plus condensator
LEICIER
Eerst I
Dan U
-
22
http://www.iwab.nu/026_006.html
Een condensator met aansluitdraden gedraagt zich voor frequenties in het UHF-gebied voornamelijk als een:
a condensator met veel verlies
b weerstand
c parallelkring
d spoel
Lange verbindingen kunnen zich als spoel gaan gedragen
-
23
http://www.iwab.nu/H03_03_015.html
De spoelen zijn niet inductief gekoppeld.
Een waarde van 200 µH wordt bereikt met:
A. geen der schakelingen
B. schakeling 1
C. schakeling 2
D. beide schakelingen
afbeelding 1:L
Lt = [1/(1/30+1/60)] + 180 = 200µH
afbeelding 2:
Lt = 1/(1/(30+60)+1/180)= 60µH
-
24
http://www.iwab.nu/jj_03_01_002v_003.html
Een spoel van 10 mH wordt parallel geschakeld aan een spoel van 15 mH.
De spoelen zijn niet inductief gekoppeld.
Voor de vervangingswaarde L geldt:
a L ligt tussen 10 mH en 15 mH
b L is groter dan 15 mH
c L is kleiner dan 5 mH
d L ligt tussen 5 mH en 10 mH
Lv = 1/(1/L1 + 1/L2)
Lv = 1/(1/10 + 1/15) =6 mH
-
25
http://www.iwab.nu/44-005.html
Een spoel van 20 mH wordt parallel geschkeld met een spoel van 30mH
De spoelen zijn inductief niet gekoppeld
Voor de vervangingswaarde L geldt
a L ligt tussen 25mH en 30mH
b L ligt tussen 20mH en 25mH
c L is groter dan 30mH
d L is kleiner dan 20mH
Lv = 1/ ( 1/L1 + 1/L2 )
Lv = 1/ ( 1/20 + 1/30 ) = 12 mH
-
26
http://www.iwab.nu/jj_03_01_002v_004.html
De spoelen zijn niet inductief gekoppeld.
De zelfinductie tussen de punten X en Y is:
a 4µ
b 2µ
c 1µ
d 2.5µ
1 mu en 1 mu in serie wordt 2 mu
2 mu en 2 mu parallel wordt 1 mu
-
27
http://www.iwab.nu/jj_03_01_002v_005.html
De spoelen in de schakeling zijn niet gekoppeld.
De zelfinductie tussen de punten P en Q is:
a 4µH
b 3µH
c 2µH
d 1µH
1 mu en 2 mu en 1 mu is serie wordt 4 mu
4 mu en 4 mu parallel wordt 2 mu
-
28
http://www.iwab.nu/44-006.html
De spoelen zijn niet gekoppeld
Welke schakeling heeft een vervangingszelfinductie van 10mH
ad 1
Lt = 15 + 5 = 20 mH
ad 2
Lv1 = 1/ ( 1/3 n+ 1/7 ) = 2.1 mH
ad 3
Lt1 = 7 + 12 = 19 mH
Lt = 1/ ( 1/19 + 1/20 ) = 9.75 mH
ad 4
Rv = 1/ ( 1/2 + 1/3 + 1/6 ) = 1 mH
-
29
http://www.iwab.nu/H8-137.html
Bij welke schakeling is de spanninmg tussen de punten P en Q 0 volt
a zowel bij de eerste alsa de tweede
b alleen bij 2
c bij geen van beide
d alleen bij 1
Bij de eerste staan de weerstanden met verschillende waarden
-
30
http://www.iwab.nu/032_001.html
De reactantie van een spoel wordt groter, zowel bij
a lagere frequentie als bij grotere zelfinductie
b hogere frequentie als bij kleindere zelfinductie
c lagere frequentie ald bij kleindere zelfinductie
d hoger frequentie als bij grotere zelfinductie
XL = 2 x pi x f x L
als f groter wordt neemt Xl toe
als L groter wordt neemt Xl toe
-
31
http://www.iwab.nu/029-036.html036
De reactantie van een zelfinductie als functie van de frequentie verloopt volgens:
a figuur B
b figuur D
c figuur A
d figuur C
XL = 2 x pi x f x L
De Xl is recht evenredig met de frequentie
-
32
http://www.iwab.nu/032_003.html
Een spoel met een zelfinductie van 0.25 henry wordt aangesloten op een wisselspanning met een frequentie van 400 Hz.
De schijnbare weerstand van de spoel is ongeveer:
a 31.4 Ω
b 1600 Ω
c 628 Ω
d 100 Ω
XL = 2 x pi x f x L
Xl = 2 * 3.14 * 400 * .025 = 628 Ω
-
33
http://www.iwab.nu/032-009.html
Van een spoel is gegeven: L = 0,25 H.
Als f = 100 Hz, dan is XL ongeveer:
a 150 Ω
b 600 Ω
c 1200 Ω
d 2400 Ω
L = 0.25 H
f = 100 Hz
XL = 2 x pi x f x L
XL = 2 x 3.14 x 100 x 0.25 = 157 Ohm
-
34
http://www.iwab.nu/032_005.html
Door een spoel met een zelfinductie van 0,2 henry loopt een sinusvormige wisselstroom van 2 ampère.
De frequentie van de wisselstroom is 70/2pi Hz.
De spanning over de spoel is:
a 20 V
b 28 V
c 56 V
d 40 V
Xl = 2*π*f*L
2pi = 6.28
f = 70/6.28 =11.15 Hz
L = 0.2
Xl = 6.28 * 11.15 * 0.2 = 14 Ohm
U=I*R
U = 2 * 14 = 28 V
-
35
http://www.iwab.nu/H3_048.html0
L1 , L2 en L3 zijn niet gekoppeld
It =
a 5 mA
b 1 mA
c 50 mA
d 10 mA
106 is gewoon tot de macht6 [1000000] en geen 10exp6 [10000000]
Net als weerstanden, maar wel Xl uitrekenen
Xl1 = 2*pi*f*L1 =10macht6 * 5exp-3 = 5 Kohm
Xl2 = 2*pi*f*L2 = 10macht6* 10exp-3 = 10 Kohm
Xl3 = Xl2 = 10 Kohm
Xv23 = 1/ [ 1/L2 + 1/L3] = 1/ [1/10+1/10] = 5 Kohm
Xt = XL1 + Xv23 = 5 + 5 = 10 Kohm
I=U/Xt = 50 / 10K = 5 mA

-
36
http://www.iwab.nu/031_006.html
Een smoorspoel met een impedantie van 10 ohm heeft een ohmse weerstand van 8 ohm en wordt aangesloten op een sinusvormige wisselspanning van 10 volt.
Het gedissipeerde vermogen is:
A. 12,5 W
B. 10 W
C. 8 W
D. 6 W
I = U/R
I=
U/Z 10/10 m= 1A
P=U*I alleen de weerstand!!!
P = 1*8 = 8 Watt
of
P = I2 x R = (1x1)x8 = 8 Watt
Extra uitleg:
Een smoorspoel is een spoel met een grote zelfinductie en een geringe ohmse weerstand.
In deze vraag komt het niet zozeer op het rekenen aan maar op een goed begrip van de termen.
Een impedantie van 10Ω; dat is de samengestelde van de zelfinductie van de spoel én de verliesweerstand van 8Ω
Het is dus niet nodig om met vectoren aan de gang te gaan.
Wordt op de impedantie van 10Ω een wisselspanning van 10 volt aangesloten, dan loopt er een stroom van 1 ampère.
Een ideale spoel kan géén vermogen opnemen, dat is alleen voorbehouden aan de verliesweerstand van 80Ω.
1 Ampère door een weerstand van 8Ω geeft een spanning van 8 volt.
Het gedissipeerd vermogen is dus 1 A x 8V = 8W
-
37
http://www.iwab.nu/jj_02_03_006v_003.html
Voor een spoel geldt:
Rl = 6 Ohm en Xl = 8 Ohm.
De spoel wordt aangesloten op een wisselspanning van 84 Volt.
De stroom door de spoel is:
a 10.5 A
b 14 A
c 8.4 A
d 6 A
Z = √ [6*6] +[8*8] = 10 Ohm
I = U/Z = 84/10 = 8.4 Ampere
-
38
http://www.iwab.nu/032_004.html
De stroom door de spoel is ongeveer:
a 2.4 A
b 0.24 mA
c 6 mA
d 60 A
XL = 2 x pi x f x L
2 * pi * 1600 * 0.2 = 2 KΩ
I = U / R = 12/ 2000 = 6 mA
-
39
http://www.iwab.nu/029_005.html
In de schakeling is de wisselstroom 0.5 Ampere
De aangesloten spanning is?
a 25 V
b 15 V
c 20 V
d 35 V
Z = √ R2 + X2 Ohm
Z = √[40*40] + [30*30] = 50 Ohm
U = I * R = 0.5 * 50 = 25 V
-
40
http://www.iwab.nu/jj_02_03_005v_011.html
In de schakeling is de wisselstroom 1 ampere.
De op de schakeling aangesloten wisselspanning u is:
a 5 V
b 7 V
c 3 V
d 4 V
Z = √ (32 +42) = 5 Ohm
U = I * R (Z) = 1 * 5 = 5 V
-
41
http://www.iwab.nu/029-032.html
De spanning over de weerstand is?
a 280 V
b 150 V
c 200 V
d 210 V
Z = v R2 + X2 Ohm
Z =Ѵ3002 + 4002 = 500 Ω
It = U / Z = 350 / 500 = 700-3 A = 700 mA
Ur = Ir x R = 700m x 300 = 210 V
-
42
http://www.iwab.nu/jj_02_03_005v_009.html
De spanning U over de spoel is ongeveer gelijk aan:
a 71 V
b 50 V
c 38 V
d 20 V
KORT
XL = 2πfL = 200000 x 20exp-6 = 4 Ohm
2πf = 200000 rad/s
f = ral / 2π
f = 200000 / 2π = 31.8 Khz
Xl = 2πfL = 2π x 31.8exp3 x 20exp-6 = 4 Ohm
Z = √ R2 + X2
Z = √ 42 + 42 = 5.66 Ohm
I = U / Z = 100 / 5.6 = 17.66 A
Ur = Ir x R = 17.66 x 4 = 70.6 V
Ul = IL x XL = 17.66 x 4 =70.6 V
link
-
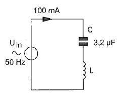
43
http://www.iwab.nu/029_003.html
De spoel heeft een gelijkstroomweerstand van 40 Ohm
De reactantie XL is 1 Kohm
De ingangsspanning is ongeveer:
De ingangsspanning is ongeveer:
a 104 V
b 204 V
c 100 V
d 4 V
U = I x R
U = I x Z
Z = √R2 + [Xl - Xc]2
Xc = 1/(2 pi f C)
Xc = 1/( 2 pi 50 3.2exp-6) =995 Ohm
Z = √ 402 + [1000 - 995]2
Z= √ 1600 +25 = 40 Ohm
U = I x Z
U = 100exp-3 x 40 = 4 Volt
-
44
http://www.iwab.nu/029_010.html
Het in de schakeling gedissipeerde vermogen is:
a 1.6 W
b 2 W
c 1.4 W
d 2.5 W
Z = √R2 + [Xl - Xc]2
Spoel neemt geen vermogen op, dus gedissipeerde vermogen geldt over R = 40O
Stroom niet gegeven, dus deze eerst uitrekenen via impedantie Z
Z = √(40*40)+(30*30)=50Ω
I =U/R = 10/50 = 200 mA
VERMOGEN door de weerstand opgenomen
P = I2 *R = P = (I*I) * R = (200mA*200mA)*40 = 1.6 Watt
-
45
http://www.iwab.nu/jj_02_03_005v_004.html
Een spoel heeft een gelijkstroomweerstand van 24 Ohm
Bij een bepaalde frequentie is de reactantie 32 Ohm
De impedantie is dan:
a 56 Ohm
b 24 Ohm
c 40 Ohm
d 32 Ohm
Z = √R2 +X2
R = 24 Ohm
Xl = 32 Ohm
Z = √ (24*24) + (32*32) = √ 1600 = 40 Ohm
-
46
http://www.iwab.nu/029_002.html
Bij een bepaalde frequentie is XL 400 Ohm
Als de frequentie wordt verdubbeld , dan wordt de impedantie Z ongeveer
a 1100 Ohm
b 700 Ohm
c 850 Ohm
d 500 Ohm
Z = √R2 +X2
Xl = 2 x pi x f x L = 400 Ohm
Dus als de frequentie f wordt verdubbeld wordt de Xl 800 Ohm
R 300 en Xl 800 Ohm in serie
vul de getallen in en krijg dan 854 Ohm
-
47
http://www.iwab.nu/029_006.html
Als de frequentie wordt verdrievoudigd, dan wordt de ingangsimpedantie
a 400 Ohm
b 1800 Ohm
c 1000 Ohm
d 1400 Ohm
voor 1000 Hz is Xl = 200 Ohm
bij 3000 Hz is Xl = 3*200 = 600 Ohm
De impedantie wordt dan
Z = vR2 +X2
Z = √[800*800 + 600*600] = 1000 Ohm
-
48
http://www.iwab.nu/029_011.html
Als de frequentie wordt verdubbeld, dan wordt de ingangsimpedantie:
a 1000 Ω
b 2200 Ω
c 1708 Ω
d 1100 Ω
XL = 2 π f L = 300 Ω
XL = 2 π f L = bij een dubbele f ⟶ 600 Ω
Z = Ѵ R2 + X2 = Ѵ 8002 + 6002 = 1000 Ω
-
49
http://www.iwab.nu/032-010.html
Een weerstand van 10 ohm met aansluitdraden van ongeveer 5cm gefraagt zich in de 70cm amateurband voornamelijk als een
a condensator
b parallelkring
c spoel
d weerstand met een condensator in serie
1 meter draad heeft een L van -0.12µH voor 500 Mhz
voor 5cm is dat 5/100x0.21µ = 6nH
Het is dus een spoel
-
50
http://www.iwab.nu/035-021.html
De Q factor van een spoel in een resonantiekring heeft vooal invloed op de
a eigenschappen van nde spoel
b koppelfactor van de spoel
c selectiviteit van de kring
d resonantie van de kring
Q = f.res / BW
Qs = Xl/ Rs
Qp = Rp / Xl
-
51
http://www.iwab.nu/44_003.html
Drie gelijke spoelen met dezelfde Q-faktor worden parallel geschakeld.
Er is geen magnetische koppeling.
De Q-faktor van de schakeling:
a wordt 3x groter
b wordt 3x lager
c wordt 9x lager
d blijft gelijk
Qs = Xl/ Rs
Qp = Rp /XL
-
52
http://www.iwab.nu/053_001.html001
Een seriekring bestaat uit een spoel van 1 uH met een ohmse weerstand van 0.1 Ohm en een condensator
De resonantiefrequentie bedraagt 8 Mhz
De Q-factor van de kring is ongeveer:
a 500
b 50
c 0.1exp-6
d 0.8exp-6
Qs = XL / Rs
Xl = 2*pi*f*L
Xl = 2 * 3.14 * 8exp6 * 1exp-6 = 50 Ohm
Qs = 50 / 0.1 = 500
-
53
http://www.iwab.nu/037_002.html
Een van deze toepassingen van een transformator is niet juist
a wijzigen van wisselspanning
b versterken van vermogen
c aanpassen van antenne aan kabel
d koppelen van versterkertrappen
Trafo om van 230V naar 12V te komen, dus wel wijzigen van de wisselspanning
Een antenne aanpassen aan de kabel met een balun = tafo, wordt veel toegepast
P=P wat er in komt primair , komt er ook uit
┘