023

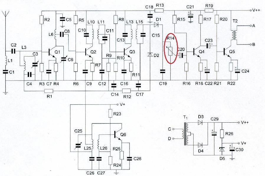
Er is een laagfrequent wisselspanning aanwezig over:

a. R1
b. R10
c.
R14
d. R3
Detectie via D1, daarna LF 
Extra uitleg:

R14 is een potmeter,

De andere antwoorden kunnen niet want:

R1 maakt deel uit van de automatische volumeregeling (AVR).
R3 verzorgt samen met R2 de basisgelijkstroominstelling van de HF-versterker Q1.
R10 verzorgt samen met R8 de basisgelijkstroominstelling van de MF-versterker Q3.
H04   Ontvangers  001-100