001

Als selectieve hoogfrequentversterker kan worden gebruikt

a   schema 1
b   schema 3
c   schema 2
-

002

In een superheterodyne AM-ontvanger wordt automatische sterkteregeling toegepast op de

a   middenfrequentversterker
b   detector
c   oscillator
--


003

Welk schema stelt een AM-detector voor  ?

a   schema 3
b   schema 2
c   schema 4
d   schema 1
-


004

De gevoeligheid van een ontvanger wordt in hoofdzaak bepaald door

a   de oscillator
b   de hf-versterker
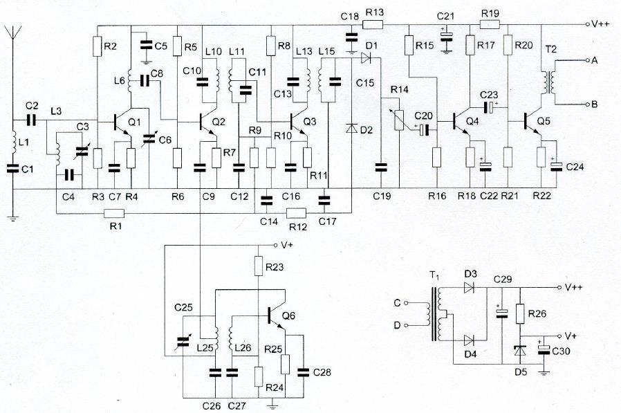
c   de detector
d   de lf-versterker
-


005

De 40 meter amateurband grenst aan een omroepband

Als s avonds een aantal omroepzenders door elkaar hoorbaar wordt op een in de amateurband afgestemde ontvanger is dit waarschijnlijk te wijten aan

a   harmonischen
b   bijzondere propagatiecondities
c   intermodulatie
d   overmodulatie
-


006

Een scheidingtrap heeft als functie het

a   voorkomen van parasitaire oscillatieverschijnselen
b   overbodig maken van het neutroniseren van de eindtrap
c   constant houden van de amplitude van de draaggolf
d   voorkomen van belastingvariaties op de oscillator
-


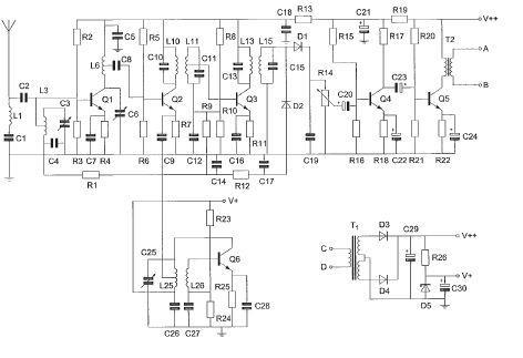
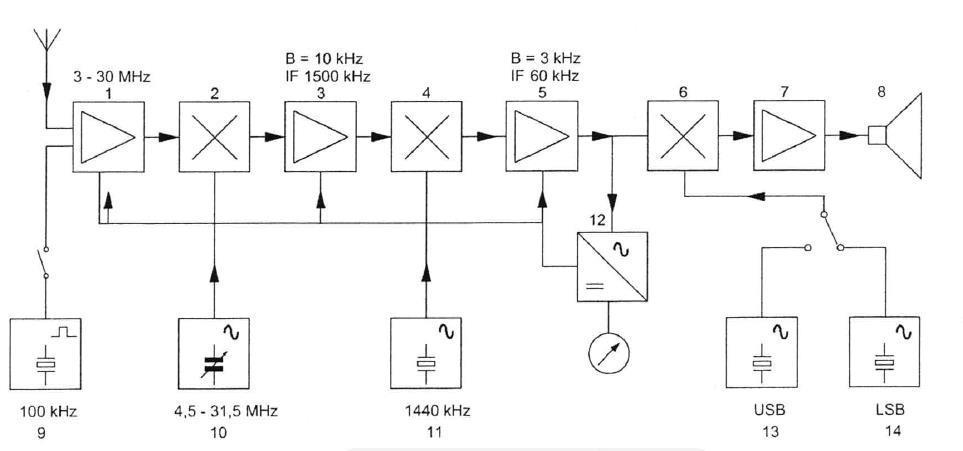
007

Blok 12 is hier

a   AM-detector
b   AVR-detector
c   FM-detector
d   derde oscillator
-


008

De zwevingsoscillator [BFO] heeft men bij een superheterodyne-ontvanger nodig voor de ontvangst van

a   AM [A3E]
b   FM [F3E]
c   CW [A1A]
-


009

De laagfrequentversterker in in communicatieontvanger

a   versterkt het uitgangssignaal van de detector
b   verzorgt het draaggolfsignaal voor de detector
c   moduleert het te ontvangen signaal
-


010

De kring L1-C1 staat afgestemd op de

a   oscillatorfrequentie
b   middenfrequentie
c   ontvangstfrequentie
d   spiegelfrequentie
-


011

In een FM-ontvanger wordt een begrenzer toegepast om de

a   ongewenste uitstraling te verminderen
b   vervorming van de mengtrap te beperken
c   selectiviteit verbeteren
d   detector van een signaal te voorzien van constante amplitude
-


012

De schakeling rondom Q2 is bedoeld

a   voor het regelen van het laagfrequentvolume van de hoofdtelefoon
b   als detectorschakeling voor signalen van Q1
c   voor het precies instellen van de drain-source spanning van Q1
d   voor het opwekken van het oscillatorsignaal
-


013

De zwevingsoscillator [BFO] van een superheterodyne-ontvanger is nodig bij de ontvangst van

a   televisie (A3F)
b   FM (F3E)
c   CW (A1A)
d   AM (A3E)
-


014

De meest geschikte bandbreedte voor een HF-amateur-ontvanger, die gebruikt wordt voor EZB-telefonie-ontvangst bedraagt

a   16 Khz
b   2.4 Khz
c   7.5 Khz
d   400 Hz
-


015

Een ontvanger is afgestemd op 1 Mhz
De middenfrequentie bedraagt 450 Khz
De ingestelde frequentie van blok X bedraagt

a   1000 Khz
b   1900 Khz
c   450 Khz
d   1450 Khz
-


016

De begrenzer in een FM-ontvanger begrenst

a   de amplitude van het te detecteren signaal
b   de bandbreedte van het laagfrequentsignaal
c   de frequentiezwaai
d   het frequentieverloop van de oscillator
-


017

De voornaamste reden voor het gebruik van een bufferversterker achter een oscillator is om

a   de drift van de oscillatorfrequentie te verminderen
b   de harmonische produkten te verminderen
c   de oscillator onafhankelijk te maken van invloeden van overige trappen
d   de afgegeven oscillatorspanning constant te houden
-


018

Een ontvanger is afgestemd op 1 Mhz
De middenfrequentie bedraagt 450 Khz
De ingestelde frequentie van blok  -X-  bedraagt

a   1450 Khz
b   1000 Khz
c   450 Khz
d   1900 Khz
-


019

Een superheterodyne-ontvanger heeft geen hf-versterker
Draaien aan de afstemknop verandert de afstemfrequentie van

a   alleen de antenneingang
b   de detector
c   de middenfrequent afstemkringen
d   de oscillator en de antenneingang
-


020

Dit is het blokschema van een ontvanger.
Het blokje gemerkt met X stelt voor de:

a   detector
b   mengtrap
c   oscillator
d   middenfrequentversterker
-


021

Van een telegrafie-ontvanger is de middenfrequentie 756 Khz.
Om een A1A-signaal (onderbroken draaggolf) hoorbaar te maken heeft de BFO een frequentie van:

a       1 Khz
b   756 Khz
c   776 Khz
d   757 Khz
-


022

Een hf-ontvanger met een doorlaatbandbreedte van 300 Hz ontvangt een CW-signaal (A1A).
De signaal-ruisverhouding aan de uitgang is 20 dB.
Als de doorlaatbreedte wordt overgeschakeld naar 3000 Hz, wordt bij gelijkblijvende versterking de signaal/ruisverhouding:

a   is niet te bepalen
b   kleiner
c   groter
d   ongewijzigd
-


023

Er is een laagfrequent wisselspanning aanwezig over:

a. R1
b. R10
c. R14
d. R3
-


024

De automatische versterkingsregeling van een ontvanger regelt meestal de:

a. voeding
b. oscillator
c. audiotrap
d. hf- en mf-trappen
-


025

Een hf-ontvanger heeft een mf-versterker op 500 kHz (centrale frequentie) met een bandbreedte van 3000 Hz.
Om een J3E bovenzijbandsignaal in de 20-meter amateurband te ontvangen is de 1ste oscillator ingesteld op 14,7 MHz.
Voor optimale verstaanbaarheid wordt de hulposcillator (BFO) ingesteld op:

a. 498,5 kHz
b. 501,5 kHz
c. 497 kHz
d. 500 kHz
-


026

De gevoeligheid van een ontvanger wordt groter indien:

a   de mf-frequentie verlaagd wordt
b   er meer lf-versterking wordt toegepast
c   er meer mixers worden toegepast
d   er goede hf-versterker voor de ingang wordt aangesloten
-


027

Een gevoelige CW-ontvanger voor de 28 Mhz band heeft omschakelbare middenfrequent filters.
Als de middenfrequent bandbreedte wordt omgeschakeld van 500 Hz naar 1000 Hz, dan zal het ruisvermogen van de produktdetector:

a   halveren
b   gelijk blijven
c   verdubbelen
d   verviervoudigen
-


028

Om CW-signalen (A1A) hoorbaar te maken maakt men bij voorkeur gebruik van een:

a   produktsetector
b   flankdetector
c   Foster Seeley detector
d   diodedetector
-


029

De nabijselectiviteit van een ontvanger wordt hoofdzakelijk bepaald door de:

a   oscillatorfrequentie
b   filters in de mf-versterker
c   afstemkringen in de hf-versterker
d   automatische frequentieregeling (AFC)
-


030

Van een telegrafie-ontvanger is de middenfrequentie 756 kHz.
Om een A1A-signaal (onderbroken draaggolf) hoorbaar te maken heeft de BFO een frequentie van:

a   756 Khz
b   1 Khz
c   757 Khz
d   776 Khz
-


031

Van een UHF-ontvanger, bedoeld voor inbouw in een satelliet, wordt het ruisgetal bij kamertemperatuur gemeten.
Na lancering van de satelliet blijkt het ruisgetal te zijn veranderd.
Het ruisgetal na lancering is:

a. lager door de grote afstand tot aardse stoorbronnen
b. lager door de lagere temperatuur in de ruimte
c. hoger omdat de voeding wordt verkregen door zonnecellen
d. hoger door de lagere temperatuur in de ruimte
-


032

Het doel van een FM-detector in een ontvanger is:

a   de frequentiesvariaties van het middenfrequentsignaal om te zetten in laagfrequent
b   het middenfrequentsignaal in amplitude constant te houden
c   de amplitudevariaties ven het middenfrequentsignaal om te zetten in laagfrequent
d   de frequentievariaties in het middenfrequent gedeelte constant te houden
-
.
.
033

Een enkel superheterodyne-ontvanger heeft een middenfrequentie van 455 Khz.
Voor ontvangst op 7.055 Mhz is de oscillator afgestemd op:

a    6.145 Mhz
b   7.055 Mhz
c   7.510 Mhz
d   7.965 Mhz
-


034

Dit is het blokschema van een ontvanger.
Het blokje gemerkt X stelt voor:

a   de oscillator
b   de middenfrequentversterker
c   de hoogfrequentversterker
d   BFO
-


035

In principe is een ontvanger voor de FM-omroepband (88-108Mhz) te verstemmen naar de 2-meterband.
Toch zal zo een ontvanger in de praktijk erg tegenvallen omdat:

a   de begrenzer ontbreekt
b   de mf-bandbreedte veel te klein is
c   de mf-bandbreedte veel te groot is
d   deze ontvanger geen geschikte kanaalindeling heeft
-


036

Een ontvanger met een eerste middenfrequentie van 9 Mhz en een tweede middenfrequentie van 455 Khz wordt gebruikt om EZB-gemoduleerde signalen te ontvangen.
De osciltatorfrequentie voor de productdetector is ongeveer:

a   9003 Khz
b   455 Khz
c   910 Khz
d   9 Mhz
-


037

Met een superheterodyne-ontvanger wordt een signaal ontvangen van 1 Mhz.
De oscillatorfrequentie is 550 Khz.
De middenfrequentversterker is afgestemd op:

a   0.55 Mhz
b   1.00 Mhz
c   1.50 Mhz
d   0.45 Mhz
-


038

Dit is het blokschema van een ontvanger.
Wat is de frequentie van de 2de mf-versterker ?

a   15 Mhz
b   2 Mhz
c   1 Mhz
d   500 Khz
-


039

Dit is het blokschema van een ontvanger.
Het blokje gemerkt met X stelt voor de:

a   de begrenzer
b   de laagfrequentversterker
c   de detector
d   de oscillator
-


040

Twee dicht bij elkaar wonende amateurs zenden gelijktijdig uit, de een op 144.5 Mhz en de ander op 145.5 Mhz.
Door intermodulatie kunnen ook signalen ontstaan op:

a   144.5 Mhz146 Mhz
b   145.5 Mhz146 Mhz
c   143.5 Mhz146.5 Mhz
d   144.5 Mhz145 Mhz
-


041

De nabij-selectiviteit van een ontvanger is de eigenschap om:

a   de spiegelfrequentie te onderdrukken
b   zwakke signalen te ontvangen
c   de signalen op naastliggende frequenties te onderdrukken
d   op de gekozen frequentie te blijven staan
-


042

De oscillator in een superheterodyne-ontvanger:

a   scheidt de zijbanden van de draaggolf
b   zorgt voor de spiegelonderdrukking
c   wekt de hulpfrequentie van de mengtrap op
d   bepaalt de verterking van de eerste middenfrequenttrap
-


043

Het ruisgetal van een UHF-ontvanger is:

a   evenredig met het kwadraat van de bandbreedte
b   evenredig met de bandbreedte
c   omgekeerd evenredig met de bandbreedte
d   onafhankelijk van de bandbreedte
-


044

Deze ontvanger is geschikt te maken voor CW-ontvangst (A1A) door toevoeging van een:

a   hf-versterkingsregeling
b   BFO
c   CW-filter
d   flankdetector
-


045

In  blokschema is de functie van de meter het aanwijzen van:

a   de signaalsterkte
b   het uitgangsvermogen
c   de frequentiezwaai
d   de afstemfrequentie
-


046

De frequentiezwaai van het antennesignaal is 12 Khz.
De frequentiezwaai van de oscillator is:

a   3 Khz
b   36 Khz
c   4 Khz
d   12 Khz
-


047

Als detector van een AM-ontvanger kan het best de volgende schakeling dienen:


a   2
b   4
c   3
d   1
-


048

Een gevoelige CW-ontvanger voor de 28 MHz band heeft omschakelbare middenfrequent filters.
Als de middenfrequent bandbreedte wordt omgeschakeld van 500 Hz naar 1000 Hz, dan zal het ruisvermogen aan de ingang van de produktdetector:

a   verdubbelen
b   verviervoudigen
c   halveren
d   gelijk blijven
-


049

De squelch-schakeling van een FM-ontvanger onderdrukt het signaal in de:

a.laagfrequentversterker
b.middenfrequentversterker
c.mengtrap
d.hoogfrequentversterker
-


050

In het uitgangssignaal van de AM-detector komt te veel middenfrequent signaal voor.
Dit is te verbeteren door:

a   de condensator C groter te maken
b   de kringen te dempen
c   de kringen op een lagere middenfrequentie af te stemmen
d   de weerstand R groter te maken
-


051

Welke trap van een 2-meter ontvanger geeft het grootste aandeel in de ruis aan de uitgang van de ontvanger?

a   de laagfrequent versterker
b   de mengtrap
c   de middenfrequent versterker
d   de hoogfrequent versterker
-


052

De automatische versterkingsregeling van een ontvanger regelt de:

a   middenfrequentversterker
b   oscillator
c   detector
d   BFO
-


053

Bij onderstaande AM-detector blijkt , dat in het uitgangssignaal nog teveel hoogfrequent- rimpel voorkomt.
Dit is te verbeteren door:

a.   de condensator C groter te maken
b.   de weerstand R kleiner te maken
c.   de kringen op een lagere middenfrequentie af te stemmen
d.   de kringen te dempen
-


054

De bandbreedte in een superheterodyne ontvanger wordt in hoofdzaak bepaald door:

a.   de hoogfrequent-ingangskring 
b.   de oscillator
c.   de middenfrequent-versterker
d.   de detector
-


055

Dit schema is een gedeelte van een AM/FM ontvanger.
Welke belangrijke componenten zorgen bij AM-ontvangst voor de detectie?

a   de diode D3
b   de diode D1 en D2
c   het RC-netwerk aan de basis van T4
d   de transistor T4
-


056

Om EZB-signalen te detecteren maakt men bij voorkeur gebruik van een:

A. diodedetector
B. Foster Seeley detector
C. productdetector
D. flankdetector
-


057

Een squelch-schakeling dient om:

A. de gevoeligheid van de ontvanger te vergroten
B. vonkstoringen te onderdrukken
C. ruis te onderdrukken als geen signaal wordt ontvangen
D. spiegelfrequentie(s) te onderdrukken
-


058

Een superheterodyne ontvanger is zodanig afgestemd, dat een antennesignaal van     12 MHz kan worden ontvangen.
De middenfrequentie is 1,5 MHz.
De oscillatorfrequentie van deze ontvanger is:

A. 15 MHz
B. 10,5 MHz
C. 9 MHz
D. 3 MHz
-


059

De ontvangst van FM-gemoduleerde telefoniesignalen is weinig gevoelig voor storingen omdat in FM-ontvangers:

A. amplitude-begrenzing wordt toegepast
B. frequentie-transformatie plaatsvindt
C. een lf voorversterker wordt toegepast
D. automatische frequentie-bijregeling wordt toegepast
-


060

De filters in de hoogfrequentversterker van een ontvanger dienen om:

A. motorstoringen te verminderen
B. de oscillatorfrequentie te stabiliseren
C. de veraf selectiviteit te verbeteren
D. de spiegelfrequentie te versterken
-


061

Met een product-detector worden gewoonlijk de volgende signalen gedetecteerd:

A. EZB en FM
B. FM en AM
C. AM en CW
D. CW en EZB
-


062

Het primaire doel van de hf-versterker in een ontvanger is om:

a   de gevoeligheid van de ontvanger te verhogen
b   automatische versterkerregeling te kunnen toepassen
c   voldoende nabij-selectiviteit te bereiken
d   de antenne aan te passen
-


063

De frequentiestabiliteit van een zender wordt voornamelijk bepaald door:

a   de mengtrap
b   de modulator
c   het kristal
d   de kring in de eindtrap
-


064

Het circuit voor de automatische versterkingsregeling van een EZB ontvanger heeft bij voorkeur een afvaltijd van ongeveer:

a   1 minuut
b   1 seconde
c   1 microseconde
d   1 milliseconde
-


065

De versterkertrap werkt op 145 Mhz.
Wat is juist?

a   C1 is een kunststof condensator          C2 is een elektrolytische condensator
b   C1 is een keramische condensator      C2 is een elektrolytische condensator
c   C1 is een elektrolytische condensator  C2 is een keramische condensator
d   C1 is een keramische condensator      C2 is een keramische condensator
-


066

In de mengtrap van een superheterodyne ontvanger wordt het hoogfrequent signaal:

a    in frequentie gemoduleerd
b   hoorbaar gemaakt
c   gedetecteerd
d   in frequentie getransformeerd
-


067

Deze schakeling is een:

a   mf-versterker
b   product-detectorc   lf-oscillator
d   oscillator
-


068 

Het volgende middenfrequent-signaal wordt toegevoerd aan een FM-detectorschakeling.
Welk uitgangssignaal geeft de detectorschakeling af?

a   signaal 2
b   signaal 1
c   signaal 3
d   signaal 4  
-


069

Als de detectieschakeling met BFO wordt meegeteld dan heeft een enkelvoudige superheterodyne-ontvanger:

a   4 mengtrappen
b   3 mengtrappen
c   1 mengtrap
d   2 mengtrappen
-


070

Om een ontvanger zo te verbeteren dat hij zwakke signalen goed hoorbaar maakt, moet men zorgen dat hij:

a   meer audiovermogen krijgt
b   een betere hf versterkingsregeling krijgt
c   nauwkeuriger kan worden afgestemd
d   intern minder ruis opwekt
-


071

Het frequentiebereik van een ontvanger loopt van 144 tot 146 MHz.
De middenfrequentie is 10 MHz.
Het frequentiebereik van de oscillator kan zijn:

a   164 - 166 MHz
b   124 - 126 MHz
c   144 - 146 MHz
d   154 - 156 MHz
-


072

In een zenderstuurtrap wordt het signaal van een kristaloscillator gemengd met dat van een variabele oscillator.
Voor het zendbereik tussen 3,5 - 3,8 MHz komt de volgende combinatie in aanmerking:

a   kristaloscillator 2,6 MHz; variabele oscillator 1,2 - 1,5 MHz
b   kristaloscillator 3,5 MHz; variabele oscillator 200 - 500 kHz
c   kristaloscillator 4,0 MHz; variabele oscillator 400 - 700 kHz
d   kristaloscillator 9,3 MHz; variabele oscillator 5,5 - 5,8 MHz
-


073

Deze LC-kring, parallel aan de ingang van de ontvanger, dient om:

a   de bandbreedte van de ontvanger te verkleinen
b   de versterking van de ontvanger te vergroten
c   een storend signaal uit te filteren
d   de bandbreedte van de ontvanger te vergroten
-


074

De middenfrequent versterker van een superheterodyne-ontvanger:

a   scheidt de modulatie van het hoogfrequent signaal
b   versterkt het antennesignaal
c   bepaalt de selectiviteit van de ontvanger
d   scheidt de oscillator en de mengtrap van elkaar
-


075

Bij demodulatie van enkelzijbandsignalen wordt doorgaans gebruik gemaakt van een:

a   productdetector
b   anodedetector
c   ratiodetector
d   discriminator
-


076

Een ontvanger heeft een mf-bandbreedte van 6 kHz.
De hoogste frequentie die na een detectie van een AM-signaal onvervormd wordt weergegeven bedraagt:

a   12000 Hz
b   6000 Hz
c   1000 Hz
d   3000 Hz
-


077

Dit is het blokschema van een ontvanger.
Het blokje gemerkt met X stelt voor de:

a   detector
b   buffertrap
c   mengtrap
d   middenfrequentversterker
-


078

Een superheterodyne ontvanger heeft een middenfrequentie van 455 kHz.
Op welke frequentie is de oscillator afgestemd voor ontvangst van een signaal op
3,575 MHz?

a   2,665 MHz
b   3,779 MHz
c   4,030 MHz
d   4,485 MHz
-


079

De beat-oscillator (BFO) van een superheterodyne ontvanger is nodig bij de ontvangst van:

a   televisie (A3F)
b   dubbelzijband telefonie (A3E)
c   FM (F3E)
d   telegrafie (A1A)
-


080

Met een superheterodyne ontvanger wordt een signaal ontvangen van 14 Mhz.
De oscillatiefrequentie is 5 Mhz.
De spiegelfrequentie is:

a   23 Mhz
b   4 Mhz
c   5 Mhz
d   1 Mhz
-


081

In een enkelzijband zender wordt het signaal opgewekt als lage zijband.
De draaggolfoscillator werkt op 455 Khz.
Alleen laagfrequente signalen tussen 300 en 3000 Hz mogen worden overgebracht.
De doorlaatband van het zijbandfilter moet liggen tussen de frequenties:

a   452.0 Khz   454.7 Khz
b   455.0 Khz   458.0 Khz
c   455.3 Khz   458.0 Khz
d   452.0 Khz   458.0 Khz
-


082

Flankdetectie wordt wel eens gebruikt om:

a   FM signalen hoorbaar te maken met een AM ontvanger
b   AM signalen hoorbaar te maken met een FM ontvanger
c   EZB signalen hoorbaar te maken met een FM ontvanger
d   CW signalen hoorbaar te maken met een EZB ontvanger
-


083

De middenfrequent versterker van een superheterodyne ontvanger:

a   scheidt de modulatie van het hoogfrequent signaal
b   bepaalt de selectiviteit van de ontvanger
c   scheidt de oscillator en de mengtrap van elkaar
d   versterkt het antennesignaal
-


084

De gevoeligheid van een FM ontvanger voor de 2meter band wordt uitgedrukt in het aantal microvolts aan de ingang, nodig om:

a   de ruis volledig te onderdrukken
b   1 watt audio uitgangsvermogen te bereiken
c   een uitslag van S9 op de S-meter te verkrijgen
d   een bepaalde signaal/ruis verhouding te bereiken
-


085

In de onderstaande figuur is het blokschema van een superheterodyne ontvanger getekend.
Het blokje in het blokschema gemerkt met het teken +, stelt het volgende voor:

a   de detector
b   de mengtrap
c   de oscillator
d   de hoogfrequent-versterker
-


086

Een amateur wil de spiegelonderdrukking van zijn superheterodyne ontvanger verbeteren.
Welke van de onderstaande mogelijkheden komt hiervoor in aanmerking?

a   de bandbreedte van de laagfrequent versterker verkleinen
b   meer selectiviteit in de hoogfrequent-kringen aanbrengen
c   meer selectiviteit in de middenfrequent-versterker aanbrengen
d   op de ontvanger ingang een middenfrequent zuigkring aanbrengen
-


087

In een goede VHF-ontvanger wordt HF-versterking vooral toegepast teneinde:

a   de gelijkloop tussen oscillator en antennekring te verbeteren
b   kruismodulatie te verminderen
c   het ruisgetal te verbeteren
d   de bandbreedte te verkleinen
-


088

De beat-oscillator BFO van een superheterodyhne ontvanger is nodig bij ontvangst van:

a   televisie uitzandingen
b   dubbelzijband telefonie uitendinhgen (A3)
c   FM uitzendingen
d   telegrafie uitzendingen
-


089

Met een superheterodyne ontvanger wordt een signaal van 8 Mhz ontvangen.
De oscillatiefrequentie is 6.5 Mhz.
De spiegelfrequentie bedraagt:

a  1.5 Mhz
b   3.5 Mhz
c   5 Mhz
d   9.5 Mhz
-


090

De gevoeligheid van een ontvanger bij een signaal/ruis verhouding van 10 dB aan de LF-uitgang, wordt uitgedrukt in

a   de benodigde spanning op de hf-ingang
b   het maximale vermogen aan de lf-uitgang bij een ingangsspanning van 1 πV.
c   de stroom door de S-meter bij een ingangsspanning van 1 πV.
d   de ruisweerstand van de detector
-


091

De begrenzer in een FM ontvanger begrenst:

a   de frequentiezwaai
b   het frequentieverloopo van de oscillator
c   de amplitude van het te detecteren signaal
d   de bandbreedte van het laagfrequenr signaal
-


092

De maximaal bereikbare gevoeligheid van een goede 2-meter ontvanger wordt begrensd door:

a   de versterking van de middenfrequent versterker
b   de versterking van de laagfrequent versterker
c   de ruisfactor van de hoogfrequent versterker
d   de ruisfactor van de detector
-


093

In een ontvanger wordt hoogfrequent versterking toegepast om:

a   de gelijkstroom tussen oscillator en antennekring te verbeteren
b   de kruismodulatie in de mengtrap te verminderen
c   de gevoeligheid van de ontvanger te verbeteren
d   de bandbreedte van de ontvanger te verkleinen
-


094

De oscillator in een superherodyne ontvanger:

a   wekt de hulpfrequentie voor de mengtrap op
b   scheidt de zijbanden van de draaggolf
c   zorgt voor de spiegelonderdrukking
d   bepaalt de versterking van de eerste middenfrequenttrap
-


095

Een superheterodyne ontvanger is afgestemd op 800 Khz.
De oscillatie frequentie is 1255 Khz.
De spiegelfrequentie is:

a   2055 Khz
b   1710 Khz
c   455 Khz
d   345 Khz
-


096

De middenfrequent versterker van een superheterodyne ontvanger:

a   scheidt de modulatie van het hoogfrequent signaal
b   versterkt het antenne signaal
c   bepaalt de selectiviteit
d   scheidt de oscillator en de mengtrap van elkaar
-


097

In het schema is in blokvorm een 2-meter ontvanger (dubbelsuper) gegeven.
Als het ontvangen signaal een frequentiezwaai heeft van 3 Khz dan bedraagt de frequentiezwaai in de 2de mf-versterker:

a   30 Hz
b   300 Hz
c   3 Khz
d   30 Khz
-


098

In de figuur is het blokschema van een 2 meter ontvanger (dubbelsuper) weergegeven.
Wat is de minimale bandbreedte van het 1ste MF?

a   6 Khz
b   1 Mhz
c   2 Mhz
d   15 Mhz
-


099

Op welke van de volgensde trappen van een superheterodyne AM ontvanger wordt automatische sterkteregeling toegepast ?

a   de detector
b   de oscillator
c   de middenfrequent versterker
d   de laagfrequent detector
-


100

Een superhetrodyne ontvanger ontvangt een FM signaal met een zwaai van 3 Khz.
De zwaai in de middenfrequent versterker is:

a   afhankelijk van de oscillatiefrequentie
b   1.5 Khz
c   6 Khz
d   3 Khz
H04   Ontvangers  101-200
H04   Ontvangers  001-100
H04   Ontvangers  101-200


-
H04   Ontvangers  001-100