101

De impedantiegrafiek van een kwartskristal rond de resonantiefrequentie op de grondtoon is gegeven in:

a   grafiek 4  
b   grafiek 3
c   grafiek 1
d   grafiek 2
-

102

De frequentiestabiliteit van een oscillator met een FET kan worden verbeterd door:

a   de temperatuurvariaties te verkleinen
b   de gate-spanning te verkleinen
c   de gate-impedantie te verhogen
d   het afknijppunt te verleggen
-


103

Een voltmeter dient een zeer hoge impedantie te hebben opdat:

a   de te meten spanning zo weinig mogelijk wordt beïnvloed
b   een hoogfrequente spanning kan worden gemeten
c   er geen warmte in de meter ontwikkeld wordt
d   de meter beter beveiligd is
-


104

Een wisselspanning is aangesloten op een oscilloscoop met een verticale gevoeligheid van 10 volt per schaaldeel.
De effectieve waarde van de wisselspanning is ongeveer gelijk aan:

a   40 V
b   10 V
c   14 V
d   20 V
-



105

In een frequentieteller bepaalt een 100 kHz kristal de meettijd.
Het kristal heeft een afwijking van 1 Hz.
Met deze teller wordt de frequentie van een 145 MHz signaal gemeten.
De meetfout is dan:

a   145 Hz
b   1 kHz
c   1,45 kHz
d   1 Hz
-


106

De voltmeter wijst 5 volt aan en heeft een inwendige weerstand van 2 K
.
Van de transistor is de ß = 100.
De ingangsweerstand Ri is ongeveer:

a   10 k

b   2 k

c   0,5 K

d   200 K
-


107

Een ampèremeter heeft een inwendige weerstand van 20 ohm.
Met een parallelweerstand van 5 ohm is het meetgebied 20 mA.
Het meetgebied van de meter zonder parallelweerstand is:

a   5 mA
b   15 mA
c   4 mA
d   16 mA
-


108

De absorptie-frequentie meter maakt gebruik van het effect dat:

a   er verstemming optreedt van de frequentiemeter
b   een stralende bron hf energie afgeeft
c   er verstemming optreedt van se stralende bron
d   een stralende bron hf energie absorbeert
-


109

Een zendereindtrap is afgesloten met een belastingsweerstand.
Het afgegeven hoogfrequentvermogen wordt bepaald door vermenigvuldiging van de waarden aangewezen door de meters:

a   1 en 4
b   2 en 3
c   3 en 4
d   1 en 2
-


110

Een oscilloscoop, aangesloten op de antenne aansluiting van een zender, vertoont het volgende beeld.
Dit duidt op:

a   een frequentie gemoduleerde zender waarvan de eindtrap is afgeregeld
b   een EZB zender bij modulatie mat een sinusvormige toon
c   een amplitude gemoduleerde zender bij modulatie met sinusvormige toon
d   een telegrafie zender met slechte harmonische onderdrukking
-


111

De meting van het zendvermogen van een A3 uitzending vindt plaats door middel van het uitzenden van een:

a   ongemoduleere draaggolf
b   met 1000Hz gemoduleerde draaggolf
c   met spraak gemoduleerde draaggolf
-


112

Een oscilloscoop, aangesloten op de antenne aansluiting van een zender, vertoont het volgende beeld.
Dit duidt op:

a   een FM zender gemoduleerd met een toon
b   een FM zender met sterke tweede harmonische
c   een AM zender gemoduleerd met een toon
d   een EZB zender gemoduleerd met een toon
-


113

In een frequentieteller bepaalt een 100 Khz kristal de meettijd.
Het kristal heeft een afwijking van 10 Hz.
Met deze teller wordt de frequentie vn een 145 Mhz signaal gemeten.
De meetfout is dan:

a   10 Hz
b   1.45 Khz
c   10 Khz
d   14.5 Khz
-


114

Figuur 1 stelt een detector voor.
Aan de ingang wordt een hoogfrequent signaal volgens figuur 2 toegevoerd.
De spanning op de uitgang van de detector heeft de volgende vorm:
 

a
b
c
d
-


115

De voltmeter zal ongeveer 5 volt aanwijzen als:

a   S1 of S2 is gesloten
b   S1 en S2 zijn gesloten
c   S1 of S2 is geopend
d   S1 en S2 zijn geopend
-


116

In de S-meter schakeling is van de voltmeter het bereik 10 volt en de gevoeligheid
200 ohm/volt.
De meter wijst 3 volt aan.
Van de transistor is de Hfe = 100
De ingangsweerstand Ri is ongeveer:

a   1 kilo-ohm
b   2 kilo-ohm
c   100 kilo-ohm
d   200 kilo-ohm
-


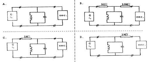
117

Met  behulp van een signaalgenerator en een oscilloscoop wordt de resonantiefrequentie van een parallelkring bepaald.(1-5 Mhz).
De uitgangsimpedantie van de generator is 50 ohm, de ingangsimpedantie van de oscilloscoop is 10 mega-ohm.
Wat is de juiste schakeling?

a
b
c
d
-


118

Een draaispoelmeter wordt direct aangesloten op een sinusvormige wisselspanning van 1000 Hz.
De meter zal aanwijzen:

a   de effectieve waarde
b   de maximale waarde
c   de momentele waarde
d   nul
-


119

Het spoeltje van een draaispoelmeter zal bij aansluiting op een gelijkspanning altijd:

a   het maximaal aantal veldlijnen omvatten
b   het minimum aantal veldlijnen onvatten
c   in beweging zijn
d   in een evenwicht situatie komen
-


120

Twee spanningsmeters A en B hebben beide een meetgebied van 100 volt.
Meter A geeft een kleinere meetfout dan meter B, wanneer:

a   door meter A bij volle uitslag een stroom van 1 mA koopt en door B 0.01 mA
b   meter A een weerstand heeft van 100 K
en B en weerstand van 1 M
c   meter A bij 50 volt een evengrote stroom loopt als door B bij 10 volt
d   meter A een gevoeligheid heeft van 10 K
/V en B 100 K/V
-


121

De voltmeter wordt ideaal veronderstelt.
De temperatuur is 80 graden Celcius.
De voltmeter wijst aan:

a   4.5 v
b   4 v
c   7.5 v
d   6 v
122

Een voor gelijkspanning geijkte draaispoelmeter wordt via een diodebrug aamgesloten op een sinusvomoige wisselspanning.
De meter zal dan ongeveer aanwijzen:

a   7.07 v
b   6.27 v
c   3.2 v
d   10 v

-
-


123

Een draaispoelmeter, geijkt voor gelijkspanning, wordt via een gelijkrichter aangesloten op een sinusvormige wisselspanning met een effectieve waarde van 10v.
De meter zal dan ongeveer aanwijzen:

a   9.0 V
b   7.1 V
c   14 V
d   4.5 V
-

124

Het bepalen van het afgegeven hoogfrequentvermogen van een zender geschiedt door:

a   een absorptiemeter op de zenderuitgang aan te sluiten
b   de zender af te sluiten met een juiste afsluitweerstand en de spanning met een draaispoel voltmeter te meten
c   de zender af te sluiten met een juiste afsluitweerstand en daarover met een geschikte oscilloscoop de spanning te bepalen
d   de stroom die door een juiste afsluitweerstand loopt te bepalen met een draaispoel ampéremete\
-


125

Een absorptiemeter (dipmeter) kan worden gebruikt voor het meten van:

a   het stuurvermogen van de eindtrap van een zender
b   de resonantiefrequentie van een kring
c   de nauwkeurigheid van een digitale frequentiemeter
d   de vervorming van een lineaire versterkertrap
-


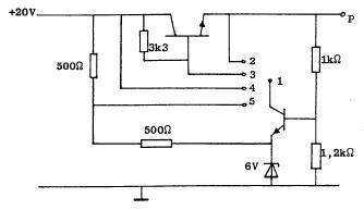
126

Welke doorverbinding moet gemaakt worden om een gestabiliseerde spanning op punt P te verkrijgen ?

a   1met2
b   1met3
c   1met4
d   1met5
-


127

Met behulp van een signaalgenerator en een oscilloscoop wordt de resonantiefrequentie van een parallelkring bepaald (1-5 MHz).
De uitgangsimpedantie van de generator (G) is 50 ohm, de ingangsimpedantie van de oscilloscoop (O) is 10 Mega-ohm.
Wat is de beste schakeling?

a
b
c
d
-


128

Het spoeltje van een draaispoelmeter zal bij aansluiting op een gelijkspanning altijd:

a   het maximum aantal veldlijnen omvatten
b   het minimum aantal veldlijnen omvatten
c   in beweging zijn
d   in een evenwichtssituatie komen
-


129

De amperemeter met een inwendige weerstand Ri wijst 4 ampere aan.
Met gesloten schakelaar S wijst de amperemeter 7 ampere aan.
De spanning U en de inwendige weerstand Ri zijn:

a   24.5 V  0.5

b   26 V     0.5

c   26 V        1

d   28 V        1
-


130

Op een oscilloscoop, aangesloten op de uitgang van de zender, zien we het geschetste beeld.
De verticale gevoeligheid is 50 volt/div.
De belasting is 50 ohm.
Het atgegeven vermogen is dan ongeveer:

a   25 W
b   50 W
c   100 W
d   200 W
-


131

Van een niet aangesloten kring is de resonantiefrequentie te bepalen met een:

a   dipmeter
b   universeelmeter
c   frequentieteller
d   digitale voltmeter
-


132

De voltmeter wijst ongeveer 5 volt aan.
De stand van de schakelaar S1 en S2:

       S1             S2
a   dicht          dicht
b   dicht          open
c   open          dicht
d   open          open
-


133

De nauwkeurigheid van een frequentieteller wordt bepaald door de:

a   ingangsverzwakker
b   uitleesindicator
c   kristaloscillator
d   frequentiedeler
-


134

Een absorptiefrequentiemeter meet:

a   onnauwkeurig frequenties
b   de Q-faktor van een kring
c   resonantiefrequentie van een kring
d   zelfinductie van een kring
-


135

De nauwkeurigheid van een frequentieteller wordt bepaald door de:

a   ingangsverzwakker
b   uitleesindicator
c   kristaloscillator
d   frequentiedeler
-


136

Instelling oscilloscoop:
Horizontaal:4 µsec/schaaldeel
Verticaal:25 V/schaaldeel
De frequentie van deze wisselspanning is:

a   40 kHz
b   62, 5 kHz
c   80 kHz
d   160 kHz
-


137

Bij welke swchakeling is de spanninmg tussen de punten P en Q 0 volt

a   zowel bij de eerste alsa de tweede
b   alleen bij 2
c   bij geen van beide
d   alleen bij 1
-


138

Aan een miliamperemeeter met een inwendige weerstand van 50

en een meetgebied van 0.5 ma wordt een weerstand van 5
parallel geschakeld.
Bij volle uitslag van de meter is de totale stroom door deze meetschakeling

a   4.5 ma
b   0.55 ma
c   5.5 ma
d   5 ma
-


139

De nauwkeurigheid van een digitale frequentiemetetr wordt bepaald door

a   ingangsimpedantie van de meetprobe
b   kabellengte van de meetprobe
c   tijdbasis van de oscillator
d   inhangsversterker trap
H08     Metingen   101-200
H08     Metingen   001-100
H08     Metingen   101-200


-
H08     Metingen   001-100