001

De spanning die een gelijkstroomvoeding levert wordt met een universeelmeter gemeten
De meter gedraagt zich als een

a   isolator
b   weerstand met lage waarde
c   weerstand met hoge waarde
d   ideale geleider
-


002

Instelling oscilloscoop
Horizontaal 1  usec/schaaldeel
Verticaal    25 V/schaaldeel

De amplitude van deze wisselspanning is

a     60 V
b     25 V
c   100 V
d     50 V
-

003

Een meter heeft een gevoeligheid van 20 KOhm/Volt
De meter is geschakeld op het 10 volt bereik
De  meter wijst 7 volt aan

De eigen weerstand van de meter is

a   140 KOhm
b   200 KOhm
c     20 KOhm
d     14 KOhm
-


004

De nauwkeurigheid van een digitale frequentiemeter wordt bepaald door de

a   kabellengte van de meetprobe
b   tijdbasis - oscillator
c   ingangsversterkingstrap
d   ingangsimpedantie van de meetprobe
-


005

De tijdbasis van de oscilloscoop is zo ingesteld , dat 1 schaaldeel overeenkomt met 5 miliseconde
de frequentie van de aangelegde spanning is

a   25 Hz
b   1.6 Khz
c   50 Hz
d   40 Khz
-


006

De tijdbasis van een oscilloscoop is ingesteld op 1 microseconde schaaldeel
De frequentie van het signaal is

a   500 Khz
b   250 Khz
c   50  Khz
d   250   Hz
-


007

Een multimeter heeft een gevoeligheid van 20 Kohm/V
De meter is geschakeld op het 10 V bereik
De meter wijst 7 Volt aan
De eigen weerstand van de meter is

a   200 Kohm
b   20 Kohm
c   140 Kohm
d   14 Kohm
-


008

Een frequentiemeting kan het meest nauwkeurig worden uitgevoerd met een

a   absorbtiefrequentiemeter
b   dipmeter
c   frequentieteller
d   oscilloscoop
-


009

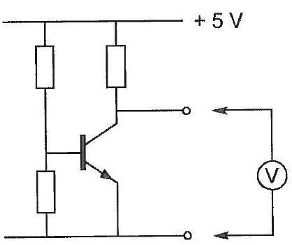
In de schakeling wordt de collector-emittorspanning van de transistor gemeten
De meter zelf heeft geen afwijking
Welke meter geeft de kleinste meetfout  ?

a   een meter met inwendige weerstand van 0.1 Ohm
b   een meter met 0.5 mA uitslag
c   een meter met een gevoeligheid van 10Kohm/V
d   een meter met inwendige weerstand van 1 Mohm
-


010

Voor het meten van het door een zender opgenomen gelijkstroomvermogen wordt gebruik gemaakt van:

a   alleen een amperemeter
b   alleen een voltmeter
c   een amperemeter en een voltmeter
d   een ohmmeter
-


011

Het belangrijkste kwaliteitskenmerk van een HF-signaalgenerator voor metingen aan ontvangers is een

a   nauwkeurig instelbare verzwakker
b   laag stroomverbruik
c   snel aansprekende overspanningsbeveiliging
d   hoge uitgangasspanning
-


012

Een voor gelijkspanning geijkte draaispoelmeter wordt via een diodebrug aangesloten op een sinusvormige wisselspanning van 1 Khz
De meter wijst van de spanning tussen A en B aan

a   de maximale waarde
b   de effectieve waarde
c   de momentele waarde
d   de gemiddelde waarde
-


013

De voltmeter met een inwendige weerstand van 10 Kohm/volt is ingesteld op het bereik van 10 Volt
De inwendige weerstand van de batterij is te verwaarlozen
De voltmeter wijst aan

a   3 V
b   4.5 V
c   1 V
d   6 V
-


014

Een multimeter heeft een gevoeligheid van 20 Kohm/Volt
De meter is geschakeld op het 10 Volt bereik
De meter wijst 7 Volt aan
Wat is de weerstand van de meter?

a   140 Kohm
b   14 Kohm
c   20 Kohm
d   200 Kohm
-


015

Van een niet aangesloten kring is de resonantiefrequentie te bepalen met

a   dipmeter
b   universeelmeter
c   digitale voltmeter
d   frequentieteller
-


016

Een
ampèremeter heeft een inwendige weerstand van 20 Ohm
Met een parallelweerstand van 5 Ohm is het meetgebied 20 mA
Het meetgebied zonder parallelweerstand is

a   5 mA
b   4 mA
c   15 mA
d   16 mA
-


017

Een ideale voltmeter, geijkt voor gelijkspanning, wordt via een gelijkrichter aangesloten op een sinusvormige wisselspanning met een Ueff 10 Volt
De meter zal ongeveer aanwijzen

a   10.0 V
b   9 V
c   7.1 V
d   14.1 V
-
.

018

De weerstand tussen A en B is

a   750 Ohm
b   720 Ohm
c   221 Ohm
d   660 Ohm
-


019

Het belangrijkste kwaliteitskenmerk van een HF=signaalgenerator voor metingen aan ontvangers is een

a   nauwkeurige instelbare verzwakker
b   laag stroomgebruik
c   snel aansprekende overspanningsbeveiliging
d   hoge uitgangsspanning
-


020

Een ideale voltmeter, geijkt voor gelijkspanning, wordt via een gelijkrichter aangesloten op een sinusvormige wisselspanning met een effectieve waarde van 10 Volt
De meter zal dan ongeveer aanwijzen

a   9 V
b   10.0 V
c   14.1 V
d   7.1 V
-


021

De juiste impedantie-aanpassing van een antennesysteem wordt gecontroleerd met een

a   veldsterktemeter
b   ohmmeter
c   staandegolfmeter
d   amperemeter
-


022

Op een oscilloscoop, aangesloten op de uitgang van de zender, zien we dit beeld
De verticale gevoeligheid is 50 V/div
De belasting is 50

Het afgegeven vermogen is ongeveer

a   200 W
b   100 W
c    50 W
d    25 W
-


023

Uit dit beeld leidt u de volgende waarden af:

a   amplitude  50 V   periodeduur 8 micro-sec
b   amplitude 100 V  periodeduur 4 micro-sec
c   amplitude  50 V   periodeduur 4 micro-sec
d   amplitude 100 V   periodeduur 8 micro-sec
-


024

Met een oscilloscoop en een twee-toon testsignaal kan van een EZB-zender worden bepaald:

a   de frequentie deviatie
b   de liniairiteit
c   de modulatiediepte
d   de faseverschuiving van de draaggolf
-


025

Een wisselstroom met een frequentie van 14 Mhz in een draad van een open voedingslijn kan gemeten worden met een:

a   in de draad opgenomen koolweerstand van 1 Ohm en hierover een draaispoelmeter
b   in de draad opgenomen koolweerstand van 1 Ohm en hierover een draaispoelmeter
     in serie met een diode  
c   dipmeter
d   staandegolfmeter
-


026

Om het opgenomen vermogen van de zender zo nauwkeurig mogelijk te meten, dient de weerstand van de respectievelijke meetinstrumenten te zijn:

a   A-meter laag / V-meter hoog
b   A-meter laag / V-meter laag
c   A-meter hoog / V-meter laag
d   A-meter hoog / V-meter hoog
-


027

Een frequentiemeting kan het meest nauwkeurig worden uitgevoerd met een:

a   frequentieteller
b   absorptiefrequentiemeter
c   oscilloscoop
d   dipmeter
-


028

Een 50 Ohm staandegolfmeter (SWR) is met 50 Ohm coaxkabels van elk 5 meter geschakeld tussen een zender en een belasting X.
In X bevindt zich een:

a   kortsluiting
b   weerstand
c   afgestemde kring
d   open einde
-


029

Een staandegolfmeter van 50
is aangesloten tussen een zendontvanger en een 50 coaxiale kabel met antenne.
De aanwijzing is 1.
Dit betekent dat de :

a   voor/achterverhouding van de antenne goed is.
b   demping van de kabel minimaal is
c   antenne aangepast is aan de kabel
d   uitgangsimpedantie van de zendontvanger 50
is
-


030

De waarde van Rx is:

a   20 K

b   90 K

c  180 K

d    30 K
-


031

Bij het bepalen van het zendvermogen gebruikt men een kunstantenne (dummyload).
Deze kunstbelasting bevat altijd een:

a   zelfinductie
b   weerstand
c   antenne
d   capaciteit
-


032

Bij welke schakeling staat de wijzer van de meter precies op het einde van de schaal  ?

a   schakeling 3
b   schakeling 4
c   schakeling 2
d   schakeling 1
-


033

De voltmeter met een inwendige weerstand van 10 kilo-ohm per volt is ingesteld op het bereik van 10 volt.
De inwendige weerstand van de batterij is te verwaarlozen.
De voltmeter wijst aan:

a   3 V
b   4,5 V
c   1 V
d   6 V
-


034

Voor het verkrijgen van een 10V- m en een 30V-meetgebied moeten R1 en R2 zijn:

a   100 K
   en   297 K
b     97 K
   en   200 K
c      97 K
  en    297 K
d   100 K
   en   197 K
-


035

De juiste impedantie-aanpassing van een antennesysteem wordt gecontroleerd met een:

a   veldsterktemeter
b   ohmmeter
c   staandegolfmeter
d   ampèremeter
-


036

Bij welke schakeling staat de wijzer van de meter precies op het einde van de schaal?
De meters mogen ats ideaalworden verondersteld.

a. schakeling 4
b. schakeling 1
c. schakeling 2
d. schakeling 3-
-


037

Een staandegolfmeter voor 50
is aangesloten tussen een zendontvanger en een 50 coaxiale kabel met antenne.
De aanwijzing is 1.
Dit betekent dat de:

a. voor/achter-verhouding van de antenne goed is
b. demping van de kabel minimaal is
c. uitgangsimpedantie van de zendontvanger 50
is
d. antenne aangepast is aan de kabel
-


038

De inwendige weerstand van de ampèremeter bedraagt 1ohm.
De stroom door de weerstand R is gelijk aan:

a. 11/10 A
b. 10/11 A
c. 10 A
d. 1A
-


039

lndien een 3-30 MHz staandegolfmeter op UHF wordt toegepast dan zullen aflezing en nauwkeurigheid:

a. geheel niet betrouwbaar zijn
b. voldoende betrouwbaar zijn
c. alleen kloppen indien de aanwijswaarden door 10 gedeeld worden
d. alleen kloppen indien de aanwijswaarden met 10 vermenigvuldigd worden
-


040

Het uitgangsvermogen van de zender is:

a   200mW
b   400 mW
c   2 W
d   4 W
-


041

Bij welke schakeling is het spanningsverschil tussen X en Y nul ?

a   bij geen van beide schakelingen
b   in beide schakelingen
c   alleen schakeling 1
d   alleen schakeling 2
-


042

Een voor gelijkspanning geijkte draaispoelmeter wordt via een diodebrug aangesloten op een sinusvormige wisselspanning van 1 Khz.
De meter wijst van de spanning tussen A en B aan:


a   de maximale waarde
b   de momentele waarde
c   de gemiddelde waarde
d   de effectieve waarde
-


043

Om het opgenomen vermogen van de zender te meten gebruikt men een voltmeter en een ampèremeter.
Het opgenomen vermogen bedraagt:

a   99,95 W
b   95 W
c   90 W
d   100 W
-


044

Over een meter worden vaak 2 siliciumdiodes tegengesteld parallel geschakeld.
Dit wordt gedaan om :

a   de meter te beveiligen tegen overspanning
b   de meter geschikt te maken voor het meten van wisselspanning
c   de karakteristiek van de meter te verbeteren
d   de meter geschikt te maken voor het meten van gelijkspanning
-


045

Een voltmeter met een meetbereik van 60 volt heeft een gevoeligheid van 10 K
/V.
Het meetbereik kan worden vergroot tot 300 Volt door een voorschakelweerstand van:

a. 2400 K

b. 3000 K

c. 40 K

d. 50 K
 

-

 

 

046

 

Een meetapparaat dat versterkers bevat voor horizontale - en verticale afbuiging is een:

a. oscilloscoop
b. ohm meter
c. ampèremeter
d. signaalgenerator

-


047

De meest gebruikte impedantie van kunstantennes voor VHF is:

a. 100

b. 25

c. 300

d. 50
-


048

Instelling oscilloscoop:
Horizontaal: 4 musec/schaaldeel
Vericaal:      25 V/schaaldeel
Uit dit beeld leidt u de waarden af:

a   f = 40 Khz          Ueff = 25 V
b   f = 62.5 Khz       Ueff = 35 V
c   f = 80 Khz          Ueff = 50 V
d   f = 160 Khz        Ueff = 71 V
-


049

Het beoordelen van de onderdrukking van harmonischen van een zender gaat het beste met een:

a   frequentieteller
b   spectrum analyser
c   staandegolfmeter
d   oscilloscoop
-


050

De schakeling wordt gebruikt voor het meten van een wisselspanning met een frequentie van 50 Hz.
De draaispoelmeter, die voor gelijkspanning geijkt is, meet van de gelijkgerichte spanning:

a   de effectieve waarde
b   de gemiddelde waarde
c   de topwaarde
d   het kwadraat van de effectieve waarde
-


051

De staandegolfmeter (SWR) is gemaakt voor een impedantie van 50
.
De antenne-aanpassingseenheid (ATU) wordt zo afgeregeld dat de staandegolfmeter 1 aanwijst.
Er is nu een staandegolfverhouding van 1 bereikt in:

a   alleen kabel 1
b   kabel 1 en kabel 2
c   alleen kabel 2
d   niet in de kabels
-


052

Als een digitale universeelmeter als spanningsmeter wordt gebruikt is de ingangsweerstand:

a   laag
b   nul
c   zeer hoog
d   10 K
-


053

De amperemeter wijst aan:

a   25 A
b   7.2 A
c   20 A
d   0.2 A
-


054

De voltmeter heeft een inwendige weerstand van 200 Kilo-ohm.
Wanneer de spanning tussen X en Y met deze voltmeter wordt gemeten, bedraagt de meetfout ongeveer:

a   10%
b   2%
c   40%
d   20%
-


055

De gemiddelde stroom door de amperemeter is

a   0.8 A
b   1.14 A
c   1.2 A
d   1 A
-


056

Een oscilloscoop, aangesloten op de antenne-aansluiting van een zender welke gemoduleerd is met spraak, vertoont het getoonde beeld.
De zender is:

a   een AM-zender
b   een EZB-zender met volle draaggolf
c   een EZB-zender met onderdrukte draaggolf
d   een FM-zender
-


057

Aan een milli-amperemeter met een eigen weerstand van 50 ohm en een meetgebied van 0.5 mA wordt een weerstand van 5 ohm paralllel geschakeld.
Bij volle uitslag van de meter is de totale stroom door deze meetschakeling:

a   5.5 mA
b   4.5 mA
c   5 mA
d   0.55 mA
-


058

Een staandegolfmeter voor 50 Ohm is aangesloten tussen een zender en een 50Ohm kabel.
De aanwijzing is 1.
Dit betekent dat de:

a   antenne aangepast is aan de kabel
b   demping van de kabel minimaal is
c   uitgangsimpedantie van de zendontvanger 50 Ohm is
d   voor/achter verhouding goed is
-


059

Het signaal uit de signaalgenerator heeft een constante amplitude en doorloopt de frequentieband van 100 Hz tot 100 kHz.
De aanwijzing van de buisvoltmeter verloopt daarbij ongeveer zoals in:

a   grafiek 1
b   grafiek 4
c   grafiek 2
d   grafiek 3
-


060

De voltmeter heeft een inwendige weerstand van 200 kilo-ohm.
Wanneer de spanning tussen de punten X en Y met deze voltmeter wordt gemeten, bedraagt de meetfout ongeveer

a     2 %
b   20 %
c   10 %
d   40 %
-


061

De voltmeter wijst aan:

a   6 V
b   12 V
c   3 V
d   0 V
-


062

Met de schakeling worden achtereenvolgens vier signalen met gelijke amplitude gemeten.   
De grootste uitslag treedt op bij:

a   3
b   2
c   1
d   4
-


063

De juiste impedantie-aanpassing van een antennesysteem wordt gecontroleerd met een:

a   veldsterktemeter
b   staandegolfmeter
c   ampèremeter
d   ohmmeter
-


064

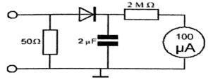
Met de schakeling wordt de peak envelope power (PEP) van een enkelzijbandzender gemeten.
De condensator moet een waarde van ongeveer 2µF hebben om:

a   de aanwijzing de snelle veranderingen van de modulatie te laten volgen
b   uitstraling van harmonischen door de meter te voorkomen
c   de aanwijzing onafhankelijk te maken van de golfvorm van de omhullende
d   de effectieve waarde van de HF wisselspanning te meten.
-


065

Een staandegolfmeter voor 50
meet een staandegolfverhouding van 1
op een coaxiale kabel van 50
  wanneer deze is afgesloten met een:

a   reactantie
b   hoge impedantie
c   kortsluiting
d   weerstand van 50
-


066

Een voltmeter met een gevoeligheid van 10K
/v is via een onbekende weerstand aangesloten op een spanning van 20 volt.
Als de meter op het 10 volt bereik staat, wijst deze 5 volt aan:
De waarde van de onbekende weerstand R is:

a   300 K

b    50 K

c   150 K

d   100 K
-


067

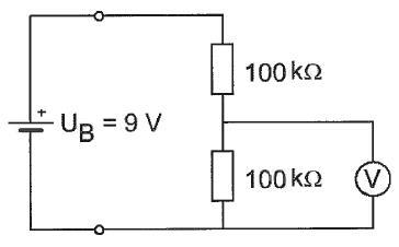
De voltmeter wijst aan:

a   5 v
b   2 v
c   10 v
d   0 v
-


068

Een laagfrequent-oscilloscoop heeft een ingangsimpedantie van 1 M
parallel met 20 pF.
Men meet met een afgeschermde kabel van 100 pF per meter met een lengte van 80cm.
Het meetpunt wordt nu belast met:

a   1 M
en 100pF
b   1 M
en 20 pF
c   1 M
en 120 pF
d   1 M
en 16 pF
-


069

Instelling oscilloscoop:
Horizontaal:4µsec/schaaldeel
Verticaal:25 V/schaaldeel
De effectieve waarde van deze wisselspanning is:


a   35,5 V
b   50 V
c   25 V
d   71 V
-


070
Bij het bepalen van het zendvermogen gebruikt men een kunstbelasting (dummyload).
Deze kunstbelasting bevat altijd een:

a   antenne
b   zelfinductie
c   capaciteit
d   weerstand
-


071

Een staandegolfmeter, opgenomen in de antennekabel van een zender, geeft een indicatie van de:

a   gereflecteerde energie
b   uitgangsimpedantie van de zender
c   golflengte van het uitgezonden signaal
d   antenneversterking
-


072

Bij welke schakeling is het spanningsverschil tussen X en Y nul ?

a   2
b   1
c   1 en 2
d   geen
-


073

De demping tussen twee verticale halvegolfdipolen wordt gemeten op een bepaalde frequentie.
De antennes zijn opgesteld in de vrije ruimte.
Als de frequentie wordt verdubbeld en de afmetingen van de halvegolfdipolen hierop worden aangepast, dan zal de demping:

a   gelijk blijven
b   6 dB toenemen
c   3 dB afnemen
d   3 dB toenemen
-


074

De staandegolfverhouding in een antennekabel wordt bepaald door:

a   de mate waarin de zendantenne-impedantie afwijkt van de impedantie van de kabel
b   het aan de antenne toegevoerde vermogen gedeeld door het afgegeven vermogen van de zender
c   het afgegeven vermogen van de zender min het vermogen toegevoerd aan de antenne
d   de som van het afgegeven vermogen van de zender en het aan de antenne toegevoerde vermogen
-


075

De amplitude-lineariteit van een EZB-zender wordt getest m.b.v. oscilloscoop gekoppeld met de zenderuitgang.
De gebruikelijke methode is door de zender te moduleren met:

a.  één LF-blokgolf
b.  één sinusvormig LF-signaal
c.  twee sinusvormige LF-signalen
d.  normale spraaksignalen
-


076

Met deze meetopstelling wordt de resonantiefrequentie van de kring bepaald.
Ri  is de inwendige weerstand van de voltmeter.
Wat is juist?

a.  R is: laag;  Ri is: hoog
b.  R is: hoog; Ri is: laag
c.  R is: hoog; Ri is: hoog
d.  R is: laag:  Ri is: laag
-


077

Van een UHF-ontvanger, bedoeld voor inbouw in een satelliet, wordt het ruisgetal bij kamertemperatuur gemeten.
Na lancering van de satelliet blijkt het ruisgetal te zijn veranderd:
Het ruisgetal na lancering is:

a.  lager door de grote afstand tot aardse stoorbronnen
b.  hoger omdat de voeding wordt verkregen door zonnecellen
c.  lager door de lagere temperatuur in de ruimte
d.  hoger door de lagere temperatuur in de ruimte
-


078

X is een kwartskristal voor 7 MHz (grondtoon).
Ui wordt opgewekt door een signaalgenerator met nauwkeurig instelbare frequentie f.
Als f heel langzaam van 6,99 naar 7,01 MHz wordt veranderd, is op de voltmeter V te zien dat het kristal resoneert.

a.  alleen één piek
b.  alleen één dip
c.  een piek gevolgd door een dip
d.  een dip gevolgd door een piek
-


080

Instelling oscilloscoop:
Horizontaal: 1 usec/schaaldeel
Verticaal: 10 V/schaaldeel
Uit dit beeld leidt u de volgende waarden af:

a   amplitude 40 Vperiodeduur 2 µsec
b   amplitude 20 Vperiodeduur 2 µsec
c   amplitude 40 Vperiodeduur 4 µsec
d   amplitude 20 Vperiodeduur 4 µsec
-


081

De transformator is verliesvrij.
Als de schakelaar in stand 1 staat, is de stroom door de ampèremeter 9 ampère.
Zetten we de schakelaar in stand 2, dan is de stroom door de ampèremeter:

a   9 A
b   3 A
c   1,5 A
d   4,5 A
-


082

De gevoeligheid van een ontvanger wordt het beste bepaald met een:

a   oscilloscoop
b   frequentieteller
c   signaalgenerator
d   spectrum analyzer

-


079

De gevoeligheid van een niet-elektronische universeel meter is ongeveer:

a   gelijkspanning       20 Kohm/V     wisselspanning       2 Kohm/V
b   gelijkspanning     400 Kohm/V     wisselspanning   100 Kohm/V
c   gelijkspanning   1000 Kohm/V     wisselspanning   250 Kohm/V
d   gelijkspanning     100 Kohm/V     wisselspanning     25 Kohm/V
-


084

Een dipmeter kan worden gebruikt voor het meten van:

A. het stuurvermogen van de eindtrap van een zender
B. de resonantiefrequentie van een kring
C. de nauwkeurigheid van een digitale frequentiemeter
D. de vervorming van een lineaire versterkertrap.
-


085

Een enkelzijbandzender wordt met twee even sterke Sinusvormige audiosignalen van respectievelijk 800 Hz en 1000 Hz uitgestuurd.
Het uitgangssignaal wordt zichtbaar gemaakt op een oscilloscoop.
Dit beeld geeft aan dat een van de zendertrappen:

A. niet lineair is
B. overstuurd wordt
C. parasitair oscilleert
D. veel harmonischen produceert
-


083

Een voltmeter met een gevoeligheid van 10.000 ohm/V staat op het 10 volt bereik.
Via een onbekende weerstand R wordt de meter aangesloten op een spanning van 20 volt.
Als de meter 5 volt aanwijst , hoe groot is dan de weerstand R?

a   50 Kohm
b   100 Kohm
c   200 Kohm
d   300 Kohm
-


086

Het aan de luidspreker toegevoerde vermogen is 200 mW.
De aanwijzing van de voltmeter is:

A. 2 mV
B. 20 mV
C. 100 mV
D. 1 V
-


087

Met deze meetopstelling wordt de resonantiefrequentie van de kring bepaalt.
Ri is de inwendige weerstand van de voltmeter.
Wat is juist?

a   R is laag     Ri is laag
b   R is laag     Ri is hoog
c   R is hoog   Ri is hoog
d   R is hoog   Ri is laag
-


088

Om het opgenomen vermogen van de zender zo nauwkeurig mogelijk te meten , dient de weerstand van de respectievelijke meetinstrumenten te zijn:

a   A-meter hoog     V-meter laag
b   A-meter laag      V-meter hoog
c   A-meter hoog     V-meter hoog
d   A-meter laag      V-meter laag
-


089

Een kunstantenne (dummy  load) wordt gebruikt om

a   een zender te belasten zonder signalen uit te stralen
b   nauwkeurige frequentiemetingen uit te voeren
c   de kans op televisiestoring (TVI) te verminderen
d   lange afstand verbindingen te maken
-


090

De stroom die een gelijkstroomvoeding levert wordt met een universeel meter gemeten.
De meter gedraagt zich als een

a   isolator
b   weerstand met hoge waarde
c   weerstand met lage waarde
d   ideale geleider
-


091

Van een seriekring in resonantie wordt de serieweerstand vergroot van
RS=10 ohm naar RS= 20 ohm.
De kwaliteitsfactor Q wordt hierdoor:

a   niet veranderd
b   verviervoudigd
c   verdubbeld
d   gehalveerd
-


092

De belangrijkste component van een breedband-kunstantenne is een:

a   luchtspoel
b   ijzerkernspoel
c   niet-inductieve weerstand
d   draadgewonden weerstand
-


093

Met behulp van een signaalgenerator (G) en een oscilloscoop (O) wordt de resonantiefrequentie van een parallelkring bepaald (1-5 MHz).
De uitgangsimpedantie van de generator is 50 ohm, de ingangsimpedantie van de oscilloscoop is 10 Mohm.
De beste schakeling is:

a   schakeling 1
b   schakeling 4
c   schakeling 2
d   schakeling 3
-


094

De draaispoel-ampèremeter is geijkt voor gelijkstroom.
De ampèremeter wijst aan:

a   1,2A
b   0,8 A
c   1A
d   1,14 A
-


095

De gemiddelde waarde van de stroom is:

a   8 mA
b   0 mA
c   4 mA
d   4 Ѵ2 mA
-


096

Met de schakeling worden achtereenvolgens vier signalen met gelijke amplitude gemeten.
De kleinste uitslag treedt op bij:

a   signaal 2
b   signaal 3
c   signaal 4
d   signaal 1
-


097

Om de resonantiefrequentie van een kring te bepalen koppelt men een dipmeter:

a   capacitief met de condensator, met koppelsnoeren
b   inductief met de spoel, met zeer losse koppeling
c   inductief met de spoel, met zeer vaste koppeling
d   capacitief met de condensator, met seriecapaciteit
-


098

De spanning die een gelijkstroomvoeding levert wordt met een universeel meter gemeten.
De meter gedraagt zich als een:

a   ideale geleider
b   isolator
c   weerstand met hoge waarde
d   weerstand met lage waarde
-


099

De absorptie-frequentiemeter maakt gebruik van het effect dat:

a   er verstemming optreedt van de frequentiemeter
b   er verstemming optreedt van de stralende bron
c   een stralende bron hf energie absorbeert
d   een stralende bron hf energie afgeeft
-


100
.
Een hf-oscillator moet elektrisch en mechanisch stabiel zijn om te bereiken dat de oscillator geen:

a   sleutelklikken genereert
b   frequentieverloop vertoont
c   vervorming veroorzaakt
d  over modulatie veroorzaakt
H08     Metingen   101-200
H08     Metingen   001-100
H08     Metingen   101-200


-
H08     Metingen   001-100