015

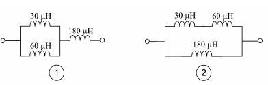
De spoelen zijn niet inductief gekoppeld.
Een waarde van 200 µH wordt bereikt met:

A. geen der schakelingen
B.
schakeling 1
C. schakeling 2
D. beide schakelingen

afbeelding 1:L
Lt = [1/(1/30+1/60)] + 180 = 200µH

afbeelding 2:
Lt = 1/(1/(30+60)+1/180)= 60µH
H03_03-Voeding