001

De onbelaste uitgangsspanningen U1 en U2 zijn ongeveer:

a   20 V en 20 V
b   20 V en 40 V
c   28 V en 28 V
d   40 V en 40 V
-


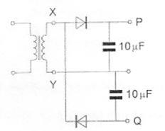
002

De wisselspanning tussen X en Y is 10V eff.
De spanning (onbelast) tussen de punten P en Q is ongeveer:

a     0 V
b   14 V
c   20 V
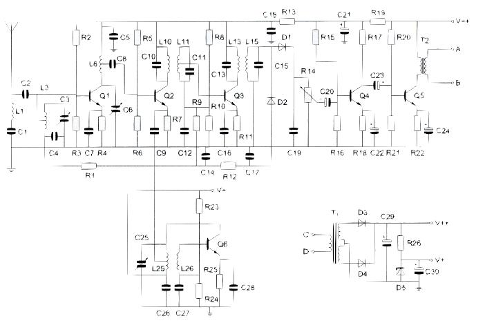
d   28V  
-


003

De schakelende voeding wordt belast met RL.
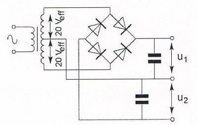
T1 werkt aan een schakelaar: open of dicht.
De spanning Uc heeft de getekende golfvorm.
Uc is ongeveer:

a   24 V
b   12 V
c   8 V
d   6 V
-


004

De hoogfrequent-versterkertrap (schema X) is ingesteld in klasse C.
De ingangsspanning Ui verloopt volgens schema Y.
De collectorstroom Ic verloopt zoals in:

a   tekening 4
b   tekening 1
c   tekening 2
d   tekening 3
-

005

De voedingsspanningen worden afgevlakt door de condensatoren:

a. C26enC27
b. C22enC24
c. C14 en C17
d. C21 enC29
-


006

In de schakelingen zijn identieke componenten gebruikt.
I1 en I2 zijn de piekstromen door de diode.
Welke van de volgende beweringen is juist ?

a   I1 is kleiner dan I2 ; U1 is groter  dan U2
b   I1 is groter  dan I2 ; U1 is groter  dan U2
c   I1 is kleiner dan I2 ; U1 is kleiner dan U2
d   I1 is groter  dan I2 ; U1 is kleiner dan U2
-


007

Een ideale voltmeter, geijkt voor gelijkspanning, wordt via een gelijkrichter aangesloten op een sinusvormige wisselspanning met een effectieve waarde van 10 Volt.
De meter zal dan ongeveer aanwijzen:

a   7.1 V
b   10.0 V
c   14.1 V
d   9 V
-


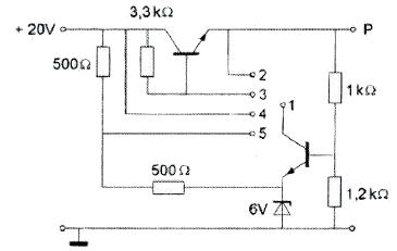
008

Om een gestabiliseerde spanning op punt P te verkrijgen moet punt 1 worden doorverbonden met:

a   punt 4
b   punt 5
c   punt 3
d   punt 2
-


009

Als voedingsgelijkrichter kan worden toegepast:

a   gelijkrichter 1
b   gelijkrichter 3
c   gelijkrichter 2
d   gelijkrichter 4
-


010

De gelijkrichting van de voedingsspanning wordt verzorgd door:

a   alleen D3
b   D3 en D4
c   alleen D5
d   alleen D4
-


011

Deze schakeling kan worden gebruikt als:

a   frequentievergelijker
b   spanningsstabilisator
c   stroomstabilisator
d   spanningsverdubbelaar
-


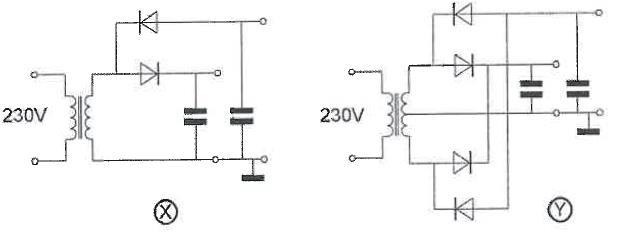
012

Welke van de schakelingen kan worden toegepast om een negatieve en een positieve gelijkspanning te krijgen?

a   alleen schakeling X
b   alleen schakeling Y
c   zowel schakeling X als schakeling Y
d   geen van beide schakelingen
-


013

Dit is het schema van een:

A. LF-eindversterker
B. zendereindtrap
C. gestabiliseerde voeding
D. balans modulator
-


014

De diodekeuze in een gelijkrichtschakeling is afhankelijk van:

A. alleen de maximale sperspanning
B. zowel de maximale sperspanning als de maximale stroom
C. alleen de maximale stroom
D. geen van de hierboven gegeven grootheden
-


015

De spoelen zijn niet inductief gekoppeld.
Een waarde van 200 µH wordt bereikt met:

A. geen der schakelingen
B. schakeling 1
C. schakeling 2
D. beide schakelingen
-


016

Van de gelijke zener-diodes is de karakteristiek gegeven.
Hoe groot is U?

a   8.8 V
b   12.8 V
c   10.8 V
d   7.4 V
-


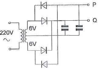
017

De onbelaste uitgangsspanningen U1 en U2 zijn ongeveer:

a   U1 =100 V en U2 = 140 V
b   U1 = 100 Ven U2 = 100 V
c   U1 = 140 Ven U2 = 280 V
d   U1 = 140 Ven U2 = 140 V
-


018

De onbelaste spanning tussen de punten P en Q is ongeveer:

a   0 V
b   8 V
c   26 V
d   17 V
-


019

De condensator in de schakeling moet minstens geschikt zijn voor een spanning van:

a   50 V
b   150 V
c   100 V
d   75 V
-


020

Een zener-diode wordt meestal toegepast om een:

a   wisselspanning gelijk te richten
b   voedingsspanning te verhogen
c   signaal te versterken
d   constante spanning te maken
-


021

De uitgangsspanning van een belaste enkelzijdige gelijkrichter met kleine afvlakcondensator verloopt als is aangegeven in:

a   4
b   3
c   1
d   2
-


022

Een schakelende voeding heeft ten opzichte van een voeding met een vermogenstransistor als serie-regelaar het voordeel dat:

a   de kans op radio storing kleiner is
b   een eenvoudiger regelschakeling kan worden toegepast
c   onbelast geen energie wordt gebruikt
d   het rendement hoger is
-


023

Voor een constante uitgangsspanning dient de ingangsspanning:

a   hoger te zijn dan de zenerspanning
b   een wisselspanning te zijn
c   lager te zijn dan de zenerspanning
d   gelijk te zijn aan de zenerspanning
-


024

Aan de ingang van een enkelfasige gelijkrichter is een pulsvormige spanning aangesloten.
De uitgangsspanning U (onbelast) is:

a   10 V
b   10
2 V
c   5 V
d   20 V
-


025

De schakeling is onbelast.
De spanning tussen P en Q wordt weergeven door

a
b
c
d
-


026

Welke van de volgende schakeling kan het best als gelijkrichter worden toegepast:

a   1
b   2
c   3
d   4
-


027

De uitgangsspanning van een belaste enkelfasige gelijkrichter met kleine afvlak condensatoren verloopt als aangegeven in:

a
b
c
d
-


028

In de schakelingen zijn identieke componenten gebruikt.
I1 en I2 zijn de piekstromen door de diode.
Welke van de volgende beweringen is juist?

a   I1 is groter dan I2     U1 is groter dan U2
b   I1 is groter dan I2     U1 is kleiner dan U2
c   I1 is kleiner dan I2    U1 is groter dan U2
d   I1 is kleiner dan I2    U1 is kleiner dan U2
-


029

Aan de ingang van een enkelfasige gelijkrichter is een pulsvormige spanning aangesloten.
De uitgangsspanning Vu (onbelast) is:

a   10 volt
b   15 volt
c   20/Ѵ2  volt
d   30 volt
-


030

Welke schakeling kan gebruikt worden als dubbelfasige gelijkrichter

a
b
c
d
-


031

In de schakeling geven de stippen het begin van de wikkelingen aan.
De windingen zijn in gelijke richting gewikkeld.
De spanning tussen X en Y is:

a   0 V
b   20 V
c   40 V
d   80 V
-


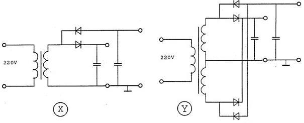
032

Welke van de schakelingen kan worden toegepast om een negatieve en een positieve gelijkspanning te krijgen?

a   zowel schakeling X als schakeling Y
b   alleen schakeling X
c   alleen schakeling Y
d   geen van beide schakelingen
-


033

De ingangsspanning Uin is amplitude gemoduleerd.
De uitgangsspanning Uuit is weergegeven door:

a
b
c
d
-


034

In het afvlakfilter van een netspanning gevoede ontvanger dienen de afvlakcondensatoren een waarde te hebben van ongeveer

a   1000 nanofarad
b   1000 picofarad
c   1000 microfarad
d   1000 farad
-


035

Aan de ingang wordt een pulsvormige spanning aangesloten.
De (onbelaste) uitgangsspanning is

a   40/πV
b   20V
c   40V
d   10V
-


036

De diode keuze van een gelijkrichtschakeling is afhankelijk van

a   alleen de maximale sperspanning
b   zowel de maximale sperspanning als de maximale stroom
c   alleen de maximale stroom
d   geen van de hierboven gegeven grootheden
H03_03-Voeding