005
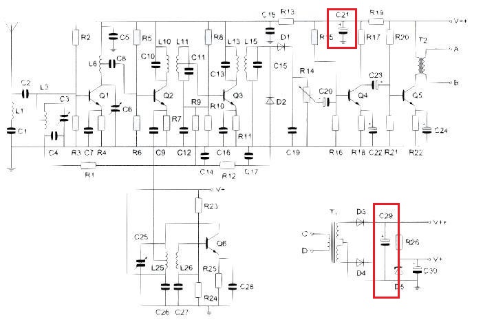
De voedingsspanningen worden afgevlakt door de condensatoren:
a. C26enC27
b. C22enC24
c. C14 en C17
d.
C21 enC29
┘
┘
H03_03
-Voeding