21

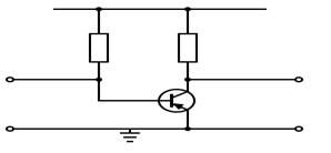
Dit is een transistor in:

a   gemeenschappelijke emitterschakeling
b   geaarde basisschakeling
c   gemeenschappelijke basisschakeling
d  
gemeenschappelijke collectorschakeling
H02_06_GES,_GBS,_GCS