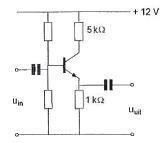
001

De transistor staat in:

a   GES
b   GCS
c   GDS
d   GBS
-


002

De waarde van de weerstand Rc is

a   0.5 Kohm
b   2.5 Kohm
c   2 Kohm
d   3 Kohm
-


003

Kenmerkend voor een GBS is

a   een lage ingangsimpedantie en een lage uitgangsimpedantie
b   een hoge ingangsimpedantie en een hoge uitgangsimpedantie
c   een lage ingangsimpedantie en een hoge uitgangsimpedantie
d   een hoge ingangsimpedantie en een  lage uitgangsimpedantie
-


004

Van de transistor is de hfe =100
De spanningsversterking van deze schakeling is ongeveer

a   50
b   5
c   1
d   100
-


005

Q1  Q2 en  Q3 zijn

a  NPN transistoren
b  P-kanaal veldeffect transistoren
c  N-kanaal veldeffect transistoren
e  PNP transistoren
H02_06_GES,_GBS,_GCS
-


006

Dit type schakeling heeft een:

a   spanningsversterking vrijwel gelijk aan 1
b   uitgangsweerstand gelijk aan R
c   stroomversterking veel kleinder dan 1
d   spanningsversterking veel groter dan 1
-


007

Van de transistor is de hfe = 100.
De spanningsversterking van deze schakeling is ongeveer:

a    50
b     5
c      1
d   100
-


008

Voor de transitor geldt: Ube = -0.5 V
De zenerspanning is 2 V
De spanning U is:

a   -2.5 V
b   0 V
c   -1.5 V
d   -6 V
-


009

ln deze schakeling wordt in plaats van een transistor met een stroomversterkingsfactor hfe= 100 een transistor toegepast met een hfe= 50.
Wat is het gevolg?

a   de spanningsversterking wordt veel groter
b   de schakeling zal niet meer werken
c   de spanningsversterking wordt veel kleiner
d   de spanningsversterking blijft ongeveer gelijk
-


010

De transistor staat geschakeld in:

a.gemeenschappelijke basis-schakeling (GBS)
b.een combinatie van GBS en GES
c.gemeenschappelijke collectorschakeling (GCS)
d.gemeenschappelijke emitterschakeling (GES)
-


011

Een HF versterker, bedoeld voor het versterken van een frequentie gemoduleerd signaal, wordt voor een zo hoog mogelijk rendement ingesteld in:

a   klasse C
b   klasse A
c   klasse A/B
d   klasse B
-


012.
.
Voor de schakeling geldt:

A. u2 is groter dan u1 en in tegenfase met u1
B. u2 is groter dan u1 en in fase met u1
C. u2 is kleiner dan u1 en in tegenfase met u1
D. u2 is kleiner dan u1 en in fase met u1
-


013

In een laagfrequentversterker, ingesteld in klasse A, kunnen harmonischen ontstaan door:

A. te kleine uitsturing
B. te grote parasitaire capaciteiten
C. te grote uitsturing
D. te lage inwendige weerstand van de voeding
-


014

In deze schakeling wordt in plaats van een transistor met een stroomversterking hfe=100 en transistor toegepast met een hfe=200.
wat is het gevolg?

a   de spanningsversterking blijft ongeveer gelijk
b   de spanningsversterking wordt veel groter
c   de spanningsversterking wordt veel kleiner
d   de schakeling zal niet meer werken
-


015

Een amateurzender wekt een minimaal vermogen aan harmonischen op door de eindtrap in te stellen in:

a   klasse C
b   klasse B
c   klasse A
d   klasse AB
-


016

Kenmerkend voor een gemeenschappelijke basisschakeling is:

a   lage ingangsimpedantielage uitgangsimpedantie
b   lage ingangsimpedantiehoge uitgangsimpedantie
c   hoge ingangsimpedantiehoge uitgangsimpedantie
d   hoge ingangsimpedantielage uitgangsimpedantie
-


017

Een transistorversterker in gemeenschappelijke basisschakeling heeft:

a   een grote stroomversterking
b   een lage uitgangsimpedantie
c   een geringe dissipatie
d   een lage ingangsimpedantie
-


018

Een transistor in geaarde collectorschakeling heeft:

a   een lage ingangsimpedantie
b   een hoge ingangsimpedantie
c   een lage Ico
d   een hoge Vbe
-


019

Een transistorversterker in GES heeft

ä   een grote stroomversterker
b   een lage ingangsimpedantie
c   een lage uitgangsimpedantie
d   een geringe dissipatie
-


020

De transistor is geschakeld in:

a   GBS
b   GES
c   GCS
d   een combinatie van GBS en GES
-


21

Dit is een transistor in:

a   gemeenschappelijke emitterschakeling
b   geaarde basisschakeling
c   gemeenschappelijke basisschakeling
d   gemeenschappelijke collectorschakeling