001
De Transformator T1 dient voor het

a     verkrijgen van de gewenste voedingsspanning
b     aanpassen van de luidspreker
c     opwekken van de BFO-spanning
 
-

002

Een van deze toepassingen van een transformator is niet juist

a   wijzigen van wisselspanning
b   versterken van vermogen
c   aanpassen van antenne aan kabel
d   koppelen van versterkertrappen
-


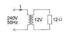
003

De transformatoren zijn identiek en elk bedoeld voor pirmair 230 V, secundair 12 V
De spanning over de weerstand R is

a   48 V
b   12 V
c   6 V
d   24 V
-


004

Een transformator heeft primair 2000 windingen en secundair 1000 windingen
Indien de primaire spanning 230 Volt bedraagt is de secundaire spanning

a   460 V
b   155 V
c   115 V
d   55 V
-


005

Om de lamp maximaal te laten branden moet de wikkelverhouding van de trafo zijn

a   2 op 1
b   1 op 1
c   4 op 1
d   8 op 1
-


006

De primaire stroom I is

a   500 mA
b   50 mA
c   25 mA
d   20 A
037    Trafo     P = P   Up x Ip = Us x Is
-


007

In de weerstand wordt een vermogen van 1 Watt gedissipeerd.
I1 is dan:

a   200 m A
b   100 mA
c     25 mA
d     50 mA
-


008

Een ideale transformator is belast zoals hieronder aangegeven.
De stroom I2 is:

a   1 A
b   4 A
c   2 A
d   0.5 A
-


009

Een ideale transformator heeft primair 500 windingen en secundair 100 windingen.
De primaire stroom is ongeveer:

A. 5 A
B. 1 A
C. 0,2 A
D. 0,04 A
-


010

Van een dubbelfasige gelijkrichter is de uitgangsspanning 10 volt bij een belasting
met 100 ohm.
De transformator en de diodes worden ideaal verondersteld.
De primaire wisselstroom is:

a. 100
2 mA
b. 100 mA
c. 10 mA
d. 10
2 mA
-


011

Van de ideale transformator is gegeven dat n1 het aantal windingen is van de primaire  wikkeling en n2 het aantal windingen van de secundaire wikkeling.
Op de primaire wikkeling wordt een spanning U1 aangelegd.
De spanning U2 aan de secundaire zijde bedraagt:

a   U2 = n1/n2  x U1
b   U2 = n1/n2 / U1
c   U2 = Vn1/n2 x U1
d   U2 = (n1/n2)2 x U1
-


012

De onderstaande ideale transformator heeft een primaire wikkeling n1 van 100 windingen en een secundaire wikkeling n2 van 20 windingen.
Op de primaire wikkeling is een impedantie aangesloten van 600 ohm.
De impedantie Z2 gemeten op  secundaire wikkeling bedraagt:

a   24 ohm
b   120 ohm
c   3 Kohm
d   15 ohm
-


013

Een ideale transformator heeft primair n1 windingen en secundair n2 windingen.
Het verband tussen het ingangsvermogen P1 en het uitgangsvermogen P2 wordt weergegeven door de formule:

a   P2 = P1
b   P2 = [n2/n1]2 x P1
c   P2 = [n2/n1] x P1
d   P2 = [n1/n2]2 x P1
-


014

Van de ideale transformator in de figuur is het aantal windingen primair n1, en het aantal windingen secundair n2.
Op de secundaire wikkeling is een impedantie Z2 aangesloten.
De impedantie Z1 bedraagt:

a   Z1 = n1/n2 x Z2
b   Z1 = n2/n1 x Z2
c   Z1 = (n1/n2)2 x Z2
d   Z1 = (n2/n1)2 x Z2
-


015

De ideale auto-transformator met een middenaftakking heeft een Z van:

a   400 ohm
b   200 ohm
c   100 ohm
d   0 ohm
-


016

Twee ideale transformatoren worden geschakeld als aangegeven.
De spanning E2 is:

a   240 v
b   120 v
c   30 v
d   125 v
-


017

Een luidspreker met een impedantie van 8 ohm wordt aangesloten op een versterker met een afsluit impedantie van 800 ohm.
Welke transformator geeft de meest juiste aanpassing?

a   een verhuistrafo 220v / 127v
b   een laagspanning voedingstrafo 220v / 24v
c   een beltrafo 220v / 3.5v en 8v
d   een gloeistroomtrafo 220v / 2.5v
-


018

Het afgegeven vermogen P2 van de transformator is:

a   n1/n2 x P1
b   n2/n1 x P1
c   P1
d   n12/n22 x P1
-


019

Voor een kwartgolf impedantietransformator geldt:

a   Zin2 = Z0 x Zuit
b   Z0 = Zin x Zuit
c   Zuit2 = Zin x Z0
d   Z02 = Zin x Zuit
-


020

De impedantie Z bedraagt:

a   n1/n2 x Z2
b   n2/n1 x Z2
c   n12/n22 x Z2
d   n22/n12 x Z2
-


021

De transformator is verliesvrij.
Als de schakelaar in stand 1 staat, is de stroom door de ampêremeter 9 ampêre.
Zetten we de schakelaar in stand 2, dan is de stroom door de ampèremeter:

a   1,5 A
b   3 A
c   4.5 A
d   9 A
-


022

Om een audiotransformator wordt soms een weekijzeren afschermbus geplaatst.
Het weekijzer:

a   verstrooit het magnetisch veld
b   reflecteert het magnetisch veld
c   is een geleider voor het magnetisch veld
d   schermt wel het elektrisch, maar niet het magnetisch veld af
-


023

In de weerstand R1 wordt 2 watt en in de weerstand R2 wordt 20 watt gedissipeerd.
De transformatoren zijn ideaal.
De stroom I is:

a   9 mA
b   91 mA
c   100 mA
d   182 mA
-


024

In transformatoren worden ijzerkernen toegepast.
De ijzeren lamellen die de kern vormen worden onderling geïsoleerd.
Dit isoleren heeft tot doel de:

a   magnetische flux te versterken
b   kernverliezen te verkleinen
c   koppeling te versterken
d   transformatieverhouding te vergroten
-



025

Om de zelfinductie van hf-spoelen te regelen worden veelal ijzerkernen toegepast.
Deze kernen bestaan bij voorkeur uit:

a   massief zacht ijzer
b   geïsoleerde ijzerplaatjes
c   samengeperst zuiver ijzerpoeder
d   samengeperste, geïsoleerde ijzerpoederdeeltjes
-


026

De stroom I2 is

a   4 A
b   1 A
c   0.5 A
d   2 A