010

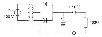
Van een dubbelfasige gelijkrichter is de uitgangsspanning 10 volt bij een belasting met 100 ohm.
De transformator en de diodes worden ideaal verondersteld.
De primaire wisselstroom is:

a. 100
2 mA
b. 100 mA
c.
10 mA
d. 10
2 mA




Is = Us / Rs = 10 / 100 = 0.1 = 100 mA

Ip is 10x lager   100/10 = 10 mA
037     P = P   Up x Ip = Us x Is
P = P   Up * Ip = Us * Is